Руководство по эксплуатации «ЭЛЕКТРА 1001» ТИПА ЭБЧШ 6-4-9 5 В-220
Комплектующие для плиты
Конфорки
| Расположение | Конфорки | фото |
|---|---|---|
| Задняя левая | Конфорка для электроплиты 180 мм, 1.5 кВт, 220 В | ![]() |
| Задняя правая | Конфорка для электроплиты 220 мм, 2 кВт, 220 В | ![]() |
| Передняя левая | Конфорка для электроплиты 180 мм, 1.5 кВт, 220 В | ![]() |
| Передняя правая | Конфорка для электроплиты 145 мм, 1 кВт, 220 В | ![]() |
Оригинальные переключатели для Электра 1001
| Расположение | Модель переключателя | фото |
|---|---|---|
| Для конфорки | Переключатель ПМ-7 для плиты Электра | ![]() |
| Для жарочного шкафа | Переключатель ПМ-7 для духовки Электра | ![]() |
Аналоги переключателей для конфорки и жарочного шкафа
| Расположение | Модели переключателя | фото |
|---|---|---|
| Для конфорки | Переключатель ПМЭ-27-2375 П, вал 23 мм (ПМ-7 856) | ![]() |
| Для жарочного шкафа | Переключатель ПМЭ-27-2353 П, 5 позиций, вал 23 мм (ПМ-5 880) | ![]() |
Провод для электрической плиты
Тэны для жарочного шкафа
ВНИМАНИЕ!
При установке электроплиты требуйте от монтажных организаций заполнение гарантийных талонов. Перед началом эксплуатации внимательно ознакомьтесь с настоящим руководством, изучите правила и рекомендации по обслуживанию и уходу за электроплитой.
БЕЗ ЗАЗЕМЛЕНИЯ ЭЛЕКТРОПЛИТУ НЕ ВКЛЮЧАТЬ!
Электроплита бытовая стационарная типа ЭБЧШ 6-4-9,5/8-220 УХЛ 4 модели «Электра 1001» предназначена для приготовления широкого ассортимента блюд в домашних условиях.
1. ТЕХНИЧЕСКИЕ ДАННЫЕ
1.1. Установленная мощность, кВт — 9,5
1.2. Единовременно потребляемая мощность, кВт — 8
1.3. Номинальное напряжение, В — 220
1.4. Частота переменного тока, Гц — 50
1.5. Номинальный ток, А —36,4
1.6. Мощности электрокопфорой — таблица 1
Таблица 1
| Тип электроконфорки | Расположение | Мощность при положении переключателя, Вт | ||||||
| 0 | 1 | 2 | 3 | 4 | 5 | 6 | ||
| ЭКЧ-145-1,0 | Ближняя правая | 0 | 103 | 225 | 325 | 450 | 675 | 1000 |
| ЭКЧ-180-1,5 | Ближняя левая | 0 | 148 | 300 | 500 | 700 | 1000 | 1500 |
| ЭКЧ-220-2,0 | Дальняя правая | 0 | 210 | 450 | 650 | 900 | 1350 | 2000 |
| ЭКЧ-180-1,5 | Дальняя левая | 0 | 148 | 300 | 500 | 700 | 1000 | 1500 |
1.7. Суммарная мощность трубчатых электронагревателей (ТЭН) жарочного электрошкафа, кВт -2
1.8. Мощность высокотемпературного ТЭН (гриля), кВт — 1,5
1.8.1. Мощность гриля не регулируется.
1.9. Полезные размеры жарочного электрошкафа (ширина х высота х глубина), мм — 445x335x460
1.10. Габаритные размеры электроплиты (высота х ширина х глубина), мм — 850x600x600
1.11. Масса, кг—59.
2. СВЕДЕНИЯ О СОДЕРЖАНИИ ДРАГОЦЕННЫХ МЕТАЛЛОВ.
Таблица 2
| Наименование | Обозначение | Сборочные единицы | Масса в шт, г |
Масса в изделии, г |
||||
| Обозначние | Количество, шт | Количество в изделии, шт | ||||||
| Серебро | ||||||||
| Контакт | 0.400.2330.000 | 7400.2387.000СБ | 1 | 1 | 0,2 | 0,2 | ||
| Контакт | 0.400.2337.000 | 7400.2388.000СБ | 1 | 1 | 0,15 | 0,15 | ||
| Контакт неподвижный | 7.400.2219.000СБ | 7.400.2288.000СБ | 5 | 5 | 0,06 | 1,5 | ||
| Пружина двойная контактная | 7.400.2216.070СБ | 7.400.2288.000СБ | 1 | 5 | 0,12 | 0,06 | ||
| Пружина тройная контактная | 7.400.2215.071СБ | 7.400.2288.000СБ | 1 | 5 | 0,18 | 0,9/3,35 |
3. КОМПЛЕКТ ПОСТАВКИ.
3.1. Электроплита ЭБЧШ 6-4-9,5/8-220 «Элстра 1001» 1 шт.
3.2. Щиток 1 шт.
3.3. Кабель подключающий 1 шт.
3.4. Штепсельный разъём 1 комплект
3.5. Экран для тепловой защиты ручек управления 1 шт.
3.6. Противень эмалерованный 2 шт.
3.7. Решетка дли сушки 1 шт.
3 8. Вертел 1 шт.
3.9. Вилка вертела 2 шт.
3.10. Ручка вертела 1 шт.
3.11. Винт М4х10 2 шт
3.12. Суппорт вертела 1 шг
3 13. Регулировочный винт 4 шт.
3.14. Руководство по эксплуатации 1 шт.
3.15. Упаковка электроплиты 1 шт.
4. УСТРОЙСТВО ЭЛЕКТРОПЛИТЫ
4.1. Рама электроплиты (рис 1).
Рис. 1. Общий вид электроплиты.
1 — сигнальные лампы, 2 — ручки переключателей мощности, 3, 5, 9, 10 — электроконфорки, 4 — рабочий стол, б —розетка, 7 — переключатель клавишный, 8 — дверка жарочного электрошкафа, 11 — вспомогательный шкаф, 12 — основание рамы.
4.1.1. Несущей конструкцией электроплиты является рама, состоящая из передней и задней стенок, корпуса жарочного электрошкафа и основания, сваренных точечной сваркой.
4.1.2. Боковые стенки крепятся к раме при помощи винтов.
4.2. Панель управления.
4.2.1. Панель управления крепится к раме при помощи винтов.
4.2.2. Цветной эмалью на панели управления нанесены цифровые обозначения положений семяпозиционных переключателей, числа — указатели температуры жарочного электрошкафа, обозначение гриля, мнемознаки, обозначающие расположение электроконфорок на рабочем столе, обозначение вертела и лампы освещения жарочного электрошкафа.
4.3. Рабочий стол.
4.3.1. Рабочий стол с установленными на нём четырмя чугунными конфорками смонтирован на раме при помощи шарниров, что позволяет приподнимать его для осмотра, демонтажа и монтажа конфорок и переключателей.
4.3.2. В приподнятом положении рабочий стол держится штоком, закрепленным с правой стороны рамы.
4.3.3. Углубление рабочего стола предназначено для сбора небольшого количества пролитой жидкости. Специальные отводы предупреждают попадание пролитой жидкости внутрь электроплиты.
4.4. Электроконфорки (рис 1).
4.4.1. Электроконфорки излучающею типа выполнены из чугуна и имеют по три спирали, что позволяет регулировать мощность в больших пределах.
4.4.2. Крепление электроконфорок производится с обратной стороны рабочего стола при помощи скоб.
4.4.3. Регулирование мощности электрокоифорок производится при помощи семипозиционных переключателей.
4.5. Переключатели.
4.5.1. Семипозиционные переключатели мощности электроконфорок, трехпозиционный переключатель мощности жарочного электрошкафа крепятся к контрфронталку электроплиты при помощи двух винтов, а трехпозициный переключатель крепится пружиной пластиной с обратной стороны панели управления.
4.5.2. Ручки переключателей расположены па панели управления (рис. 2).
4.5.3. Значение мощности электроконфорок зависит от положения ручек переключателей на панели управления (рис.2) указан в таблице 1.
4.5.4. Семипозиционные переключатели мощности электроконфорок имеют круговое вращение.
4.5.5. Трехпозиционный переключатель жарочного электрошкафа имеет три полпжения «0»-отключено, включены нагревательные элементы жарочного шкафа, включен гриль (рис.2, 13)
4 5.6. Ручка трехпозиционного переключателя жарочного электрошкафа (рис. 2) не имеет кругового вращения.
4.5.7. Трехпозиционный клавишный переключатель имеет три положения: нейтральное, включен моторедуктор, включена лампа освещения жарочного электрошкафа (рис. 2).
4.6. Жарочный электрошкаф (рис. 3)
4.6.1. Внутренняя поверхность жарочного электрошкафа покрыта черной эмалью.
4.6.2. Четыре направляющих паза внутри жарочного электрошкафа предназначены для установки на желаемом уровне противней или решетки.
Рис.2. Панель управления.
1,2-сигнальный лампы жарочного электрошкафа; 3, 4, 5, 6 -сигнальные лампы электроконфорок; 7-условные обозначения гриля; 8-переключатель жарочного электрошкафа;
9-семипозиционные переключатели электроконфорок; 10-розетка; 11-переключатель клавишный; 12-включение освещения жарочного электрошкафа; 13-включение моторедуктора.
4.6.3. С наружной стороны жарочный электрошкаф имеет тепловую изоляцию.
4.6.4. Дверка жарочного электрошкафа застелена термостойким стеклом, что позволяет визуально контролировать готовность приготовления пищи.
4.6.5. Крепление дверки жарочного электрошкафа к корпусу электроплиты выполнено с помощью специальных петель, которые позволяют её фиксировать в трёх положениях:
«открыто», «закрыто», «промежуточное».
Рис. 3. Жарочный электрошкаф.
1-лампа освещения жарочного электрошкафа, 2-датчик терморегулятора, 3- гриль, 4-ТЭН верхний, 5- ТЭН нижний, 6- пазы направляющие.
4.6.6. При необходимости дверка может быть снята с электроплиты резким рывком на себя (рис. 4).
4.7. Трубчатые электронагреватели (ТЭН) (рис. 3).
4.7.1. В жарочном электрошкафу установлены три трубчатых электронагревателя. Два из них, верхний и высокотемпературный (гриль), установлены в верхней части жарочного электрошкафа, а нижний — под днищем.
4.7.2. Крепление ТЭН к задней стенке корпуса электроплиты производится с помощью специальных пластин.
4.7.3. Включение нагревательных элементов жарочного электрошкафа или гриля производится ручкой трехпозиционного переключателя (рис. 2,13) расположенной с левой стороны
панели управления, при этом ручка вращается по часовой стрелке до нужного значения температуры жарочного электрошкафа или до обозначения гриля.
4.7.4. Одновременное включение нагревательных элементов жарочного электрошкафа и гриля невозможно.
4.7.5. Выключение нагревательных элементов жарочного электрошкафа, а также гриля, производится вращением ручки трехпозиционного переключателя против часовой стрелки.
4.8. Сигнальные лампочки.
4.8.1. Сигнальные лампочки расположены на панели управления электроплиты.
4.8.2. При повороте ручки любого переключателя загорается сигнальная лампа, которая сигнализирует о начале работы нагревательного элемента.
4.9. Моторедуктор.
4.9.1. Моторедуктор смонтирован с наружной стороны задней стенки и предназначен для вращения вертела с частотой 2 об/мин при приготовлении на нём пищи.
4.9.2. В процессе приготовления пищи вертел заостренным концом вставляется в воронку, жестко насаженную на вал моторедуктора и выведенную в жарочный электрошкаф. Второй конец вертела опирается на рамку.
4.10. Розетка.
4.10.1. Розетка расположена на панели управления (рис.2) и крепится к ней с обратной стороны при помощи пружинной пластины.
4.10.2. Розетка предназначена для включения бытовых электроприборов мощностью до 1 кВт, при этом максимальный ток при всех включенных нагревателях составит 41 А.
4.11. Вспомогательный шкаф.
4.11.1. Вспомогательный шкаф расположен в нижней части электроплиты (рис.1) и предназначен для хранения посуды.
4.12. Защитный щиток применяется при работе жарочного электрошкафа с неполностью закрытой дверкой (рис.10) во избежании перегрева ручек управления.
4.13. Регулировочные винты (рис.5)

Рис. 5. Расположение и установка регулировочных винтов.
4.13.1. Винты служат для установки электроплиты в горизонтальной плоскости.
4.13.2. Установка винтов производится при вынутом вспомогательном шкафчике.
5. ТРЕБОВАНИЯ ПО ТЕХНИКЕ БЕЗОПАСНОСТИ.
5.1. Без заземления электроплиту не включать!
5.2. ЗАПРЕЩАЕТСЯ:
5.2.1. Проверять нагрев электроконфорок и ТЭН прикосновением руки.
5.2.2. Устранять любые неисправности привключенной электроплите и неостывших нагревателях.
5.3. Все неисправности, выявленные при эксплуатации плиты, должны устраняться только специалистами организации, обслуживающих бытовые электроприборы.
5.4. Не рекомендуется включать электроконфорки и ТЭН от резкой смены температуры, так как при этом на их поверхности могут образоваться трещины.
Вышедшие из строя электроконфорки и ТЭН не восстанавливаются.
6. ПОДГОТОВКА ЭЛЕКТРОПЛИТЫ К РАБОТЕ.
6.1. Закрепить ручку на дверке жарочного электрошкафа при помощи четырёх винтов.
6.2. Поднять рабочий стол, зафиксировать его специальной подставкой.
6.3. Снять заднюю крышку.
6.4. Проверить надёжность всех контактных соединений, а также отсутствие касания к металлическим частям электроплиты оголённых проводов электросхемы.
6.5. Опустить и закрепит рабочий стол и установить щиток.
6.6. Установить электроплиту горизонтально с помощью регулировочных винтов (рис.5), расположенных в основании рамы.
6.7. Монтажная схема электроплиты (рис.6) выполнена в однофазном исполнении с закороченными на вводе трмя левыми (1,2,3) и двумя следующими (4,5) клеммами.
В случае не соответствия параметров внешней электрической сети выполненной схеме произвести переналадку схемы, как показано на рис.8.
6.8. Установить и закрепить заднюю крышку.
6.9. Подключить электроплиту к внешней электрической сети.
6.10. Произвести нагрев всех элементов электроплиты в течение часа на минимальной мощности без установки посуды.
6.11. Произвести инструктаж потребителя.
7. ПОРЯДОК РАБОТЫ.
7.1. Приготовление пищи производится на электроконфорках рабочего стола. Для снижения расхода элекироэнергии, ускорения приготовления пищи и увеличения срока службы конфорок рекомендуется пользоваться кухонной посудой, имеющее ровное и плоское дно диметром, равным или несколько большим диаметра электроконфорки (рис.9).
Рис.6. Монтажная схема электроплиты.
Э-элетроконфорки, Т-терморегулятор, П-переключатели, А, В-фазы, Р-розетка, Л-лампы сигнальные, Ло-лампа освещения, М — моторедуктор.
Рис. 7. Расположение номеров соединительных клемм переключателей.

Рис.8. Подключение электроплиты к внешней электрической сети.
1-вид на электроплиту со стороны задней стенки, 2-задняя крышка, 3-сеть однофазная 220В, 4-сеть 3-х фазная с нейтралью (380/220 В).
Приготовление пищи рекомендуется производить на средних или минимальных мощностях, чем достигается более качественное приготовление блюда, экономия элекироэнергии
и увеличения срока службы электроконфорок.
7.2. Выпечка мучных изделий, тушения продуктов производится в жарочном электрошкафу на противене, так и на решётке. Жареное мясо может приготавливаться к на противене, так и на решетке или на вертеле. Жарение шашлыков и мяса на вертеле производится при включённом гриле, при этом дверка жарочного электрошкафа должна быть приоткрыта (рис.10)

Рис. 9. Выбор посуды.
1, 2, 3, 4 — неправильно, 5 — правильно.
После установки в жарочном шкафу электрошкафу ручку поз.2 свинтить.
7.3. На панели управления (рис.2) над ручками управления электроконфорок имеются условные обозначения, указывающие их принадлежность соответствующей электроконфорки.
Рис. 10. Приготовление продукта на вертеле.
1 — защитный щиток, 2 — ручка вертела, 3 — противень, 4 — миторедуктор.
Рис.11. Приготовление продукта на решетке.
7.4. Для включения электроконфорки необходимо установить ручку семипозиционного переключателя в положение, сответствующее положению мощности, вращая её по
часовой или против часовой стрелки (рис.12). При включении электроконфорки загорается соответствующая сигнальная лампа, что говорит о начале работы.
Pис. 12. Возможные положения семипозиционных переключателей электроконфорок.
1-электроконфорка выключена, 2- максимальное значение мощности, 3-минимальное значение мощности (величину мощности см. талицу 1)
7.5. Для выключения конфорки ручка переключателя устанавливается в положение «0», после чего сигнальная лампа гаснет.
7.6. При включении электронагревателей жарочного электрошкафа загораются две первые слева лампочки (рис.2,13) сигнализируя о начале работы.
Рис.13. Управление нагевательными элементами жарочногоь шкафа.
1-лампа сигнализирующая достижение заданной температуры, 2-условное обозначение гриля, 3-лампа сигнализирующая включение нагревателей жарочного шкафа, 4-шкала
указателя температуры жарочного электрошкафа.
После набора заданной температуры жарочного электрошкафа нагревательные элементы автоматически отключаются и верхняя слева лампочка гаснет. При понижении темпе-
ратуры ниже заданной, нагревательные элементы включаются и лампочка загорается. Цикл продолжается до отключения жарочного от электрошкафа от сети.
7.7. При включении гриля загорается только вторая слева сигнальная лампочка. При выключении гриля, лампочка гаснет.
7.8. Перед использованием жарочного электрошкафа его необходимо разогреть в течение 10-15 минут на отметке 300, после чего можно производить выпечку.
7.9. При выпечке не рекомендуется часто открывать дверцу жарочного электрошкафа, чтобы не охлаждать его. Если в процессе выпечки передние и задние части изделия зару-
мяняться сильнее, то через некоторое время противень можно развернуть на 180С.
7.10. Для удобства наблюдения за выпечкой со стороны задней стенки жарочного электрошкафа расположена лампа подсветки, которая включается клавишным переключателем, расположен на панели управлени (рис.2)
7.11. Приготовление продукта на вертеле производится с применением суппорта, 2-х вилок (для закрепления продукта), при работающем моторедукторе.
7.12. При приготовлении продукта па вертеле или выпечке на решетке (рис. 10 и 11) располагать продукт следует в зоне максимальной мощности инфракрасных лучей гриля. Порционные куски мясных и рыбных блюд должны иметь по возможности равную толщину во избежание неравномерного прожаривания.
7.13. При жарении, как на вертеле, так и на решетке, необходим противень для сбора подливов и жиров (рис 10).
7.11. По окончанию приготовления пищи необходимо выключить все нагревательные элементы электроплиты.
От правильной эксплуатации срок службы электроплиты увеличивается.
С повышением напряжения в сети мощность нагрепателей резко возрастает, что приводит к преждевременному выходу их из строя.
7.15. Для приготовления отдельных видов изделий рекомендуются режимы управления, указанные в таблице 3. Данные приведённые в таблице являются ориентировочными.
Собственный опыт и вкус позволит Вам внести необходимые изменения.
Таблица 3
| Наименование изделия | Рекомендуемая температура, С | Время выпечки |
| Мясные блюда | ||
| Жаркое говядины | 150 | 3—3,5 часа |
| Жаркое телятины | 150 | 2—2,5 часа |
| Жаркое баранины | 150 | 1 —1,5 часа |
| Жаркое свинины | 175 | 1 час |
| Котлеты | 190 | 1,5—2 часа |
| Беф-строганов | 190 | 1,5—2 часа |
| Куриные и рыбные блюда | ||
| Курица | 175 | 1—1,5 часа |
| Гусь или индейка (4-5 кг) | 160 | 4—1,5 часа |
| Утка | 175 | 1—1,5 часа |
| Рыба | 200 | 30-40 минут |
| Кондитерские изделия | ||
| Торт простого прготовления | 160 | 15 минут |
| Шоколадный торг | 175 | 35 минут |
| Фрутовый торг | 125 | 60 минут |
| Слоеный торт | 200 | 20 минут |
| Мелкие пироги | 190 | 30 минут |
| Песочное тесто | 200 | 20 мниуг |
| Бисквит | 150 | 20 минут |
7.16. Рекомендации по приготовлению пищи в жарочном электрошкафу на решетке при пользовании грилем:
| Мясные блюда | Положение решетки в жарочном электрошкафу | Ориентировочное время до готовности |
| Отбивная толщиной 1 см | 1-я направляющая сверху | 15 мин. |
| Отбивная толщиной 1 см | 2-я направляющая сверху | 25 мин. |
| Сосиска | 2-я направляющая сверху | 15 мин. |
| Курица | 2-я направляющая сверху | 60 мин. |
7.17. Рекомендации по приготовлению пищи в жарочном электрошкафу при пользовании грилем и вертелом:
| Мясные блюда | Ориентировочное время до готовности |
| Жаркое телятины | 50 мин. |
| Ростбиф | 30 мин. |
| Курица | 60 мин. |
| Шашлык | 30 мин. |
8. ТЕХНИЧЕСКОЕ ОБСЛУЖИВАНИЕ.
8.1. Наружные эмалированные поверхности электроплиты нужно мыть мыльной водой и вытирать тканью. Полированные поверхности следует протирать суконкой.
Пятна от пищи следует протирать до высыхания.
8.2. Все элементы оборудования жарочного электрошкафа, его дно и стенки, а также рабочие поверхности электроконфорок необходимо периодически промывать слабым содовым раствором или мыльной водой и вытирать сухой тканью.
8.3. В случае возникновения неисправности обращайтесь к организациям имеющих право на ремонт электробытовых приборов.
9. ВОЗМОЖНЫЕ НЕИСПРАВНОСТИ И МЕТОДЫ ИХ УСТРАНЕНИЯ.
| № п.п. | Наименование неисправности, внешние признаки, дополнительные признаки | Вероятная причина | Метод устранения |
| 1 | Электроконфорка не нагревается в положении 2 переключателя (рис.12) | Не замыкаются контакты 1,2,3,4 переключателя (рис.7) | Отрегулировать задние контакты |
| 2 | Электроконфорка не нагревается в положении 3 переключателя (рис.12) | Не замыкаются контакты 1,3 переключателя (рис.7) | Отрегулировать задние контакты |
| 3 | Электроконфорка не нагревается в положении 4 переключателя | Не замыкаются контакты 2,3,4 переключателя (рис.7) | Отрегулировать задние контакты |
| 4 | Электроконфорка не нагревается в положении 5 переключателя (рис.12) | Не замыкаются контакты 2,3 переключателя (рис.7) | Отрегулировать задние контакты |
| 5 | Электроконфорка не нагревается в положении 4 переключателя (рис.12) | Не замыкаются контакты 1,4 переключателя (рис.7) | Отрегулировать задние контакты |
| Перегорела спираль | Заменить конфорку | ||
| 6 | Электроконфорка не нагревается в положении 7 переключателя (рис.12) | Не замыкаются контакты 2,4 переключателя (рис.7) | Отрегулировать задние контакты |
| Перегорела спираль | Заменить конфорку | ||
| 7 | В положении 2 или 4 переключателя слабый нагрев электроконфорки (рис. 12) | Перегорела одна из спиралей электроконфорки | Заменть электроконфорку |
| 8 | Слабый нагрев жарочного электрошкафа в положении 300 переключателя | Вышел из строя один из ТЭН | Заменить ТЭН |
| 9 | ТЭН жарочного электрошкафа не нагревается, гриль нагревается | Не замыкает контакт переключателя | Отрегулировать контакт переключателя |
| 10 | ТЭН жарочного электрошкафа не нагревается, гриль не нагревается | Не замыкает контакт переключателя. Вышел из строя гриль. | Отрегулировать контакт переключателя. Заменить гриль. |
| 11 | ТЭН жарочного электрошкафа и гриль не нагреваются. | Не замыкается контакт или 1 и 2 переключателя (рис. 7). Вышли из строя ТЭН и гриль. | Отрегулировать контакт переключателя. Заменить ТЭН и гриль. |
| 12 | Температура в жарочном шкафу не регулируется | Вышел из строя терморегулятор | Заменить терморегулятор |
| 13 | Не загорается сигнальная лампа | Не замыкается контакт переключателя электроконфорок. строя резистор. | Отрегулировать замыкание контакта. |
| Не замыкаются контакты 1,3 и 4 преключателя жарочного шкафа | То же | ||
| Перегорела лампа. Вышел из строя резистор | Заменить лампу ИН-21. Заменить резистор МТ-05-170 кОм. | ||
| 14 |
Не загорается сигнальная лампа освещения жарочного шкафа |
Не замыкаются контакты жарочного переключателя | Отрегулировать контакты. Заменить лампу ПШ-220-13. |
| 15 | Не вращается вертел | Не замыкаются контакты жарочного переключателя. | Отрегулировать контакты |
| Вышел из строя моторедуктор | Заменить моторедуктор |
10. СВЕДЕНИЕ ОБ УПАКОВКЕ, ТРАНСПОРТИРОВАНИИ И ХРАНЕНИИ.
10.1. В жарочный электрошкаф уложены противни, решетка, вертел, ручка нертела, суппорт вертела, ручка дверки жарочного электрошкафа с чегырьмя винтами и розетка штепсельного разъема.
10.2. Кабель с вилкой уложен под заднюю крышку электроплиты, щиток—между днищем плиты и направляющими вспомогательного шкафа.
10.3. Электроплита установлена на поддоне, закрыта полиэтиленовым чехлом и упакована в кортонную тару, обвязанную вертикально двумя стальными лентами.
10.4. Транспортирование электроплит должно производиться только в вертикальном положении в заводской упаковке с предохранением oт осадков и механических повреждений.
10.5. При транспортировании электроплит с места разгрузки до места мантажа необходимо исключать возможность ударов во избежании механических повреждений деталей и покрытий.
10.6. Условия хранения по группе 1 (Л) ГОСТ 15150—69
10.7. Складировать электроплиты только в упакованном виде не более, чем в два ряда по высоте.
10.8. Перед установкой электроплиты лица, ответственные за установку, обязаны проверить комплектность электроплиты и наличие руководства по эксплуатации.
10.9. Никакие претензии по некомплектности и качеству, выявленные внешним осмотром после установки электроплиты не могут быть предъявлены заводу-изготовителю.
10.10. При произведении производственных работ в помещении электроплиты должна быть очищена от загрязнения. Не допускается использовать электроплиту как опору.
Нововятский механический завод 610008, г. Киров
РУКОВОДСТВО ПО ЭКСПЛУАТАЦИИ
1. ОБЩИЕ УКАЗАНИЯ
1.1. Вы приобрели стационарную бытовую электрическую плиту типа ЭБЧШ б—4—9,5/8—220 «Электра 1001 М», предназначенную для приготовления пищи в домашних условиях: варки, жарения, тушения мясных, рыбных и овощных блюд, выпечки мучных изделий, сушки грибов, овощей, фруктов.
1.2. Используя высокотемпературный нагреватель (гриль) и моторедуктор с вертелом можно приготовить шашлыки, курицу на вертеле и т. п.
1.3. При установке электроплиты требуйте от монтажных организаций заполнения гарантийных талонов, проверки в Вашем присутствии исправности, работоспособности и комплектности электроплиты.
1.4. Перед началом эксплуатации внимательно ознакомьтесь с настоящим руководством и следуйте его рекомендациям.
БЕЗ ЗАЗЕМЛЕНИЯ ЭЛЕКТРОПЛИТУ НЕ ВКЛЮЧАТЬ!
2. ТЕХНИЧЕСКИЕ ДАННЫЕ
2.1. Номинальное напряжение, В — 220
2.2. Род тока — переменный
2.3. Установленная мощность, кВт, не более — 9,5
2.4. Единовременно потребляемая мощность, кВт, не более 8,0
2.6. Мощность электроконфорок — таблица 1
2.6. Номинальная потребляемая мощность нагревателей жарочного шкафа, кВт — 2,0
2.6.1. Мощность верхнего ТЭН, кВт — 0,8
2.6.2. Мощность нижнего ТЭН, кВт — 1,2
2.7. Регулирование температуры рабочего пространства жарочного электрошкафа в пределах от 50 до 300°С — бесступенчатое
2.8. Мощность высокотемпературного ТЭН (гриля), кВт, не регулируется — 1,5
2.9. Время разогрева рабочего пространства жарочного электрошкафа до 250°С, мин. — 20
2.10. Время разогрева электроконфорок, мин., не более:
диаметром 145 мм — 9
диаметром 180 мм — 9
диаметром 220 мм — 9
2.11. Внутренние размеры жарочного электрошкафа, мм
ширина 445
глубина 460
высота 335
2.12. Класс защиты от поражения электрическим током — 1
2.13. Исполнение по степени защиты от влаги — обычное
2.14. Габаритные размеры, мм
ширина — 600
глубина — 600
высота — 850
5.15. Масса, кг — 60
2.16. Сведения о суммарном весе драгоценных материалов, г
серебро 3,7
3. КОМПЛЕКТ ПОСТАВКИ
3.1. Электроплита — 1 шт.
3.2. Щиток — 1 шт.
3.3. Винт М4х12 — 2 шт.
3.4. Шайба 04 — 4 шт.
3 5. Гайка М4 — 2 шт.
3.6. Экран защиты ручек переключателей — 1 шт.
3.7. Противень эмалированный — 2 шт.
3.8. Решетка — 1 шт.
3.9. Суппорт вертела — 1 шт.
ЗЛО. Вертел — 1 шт.
3.11. Ручка вертела — 1 шт.
3.12. Вилка вертела — 2 шт.
3.13. Винт М4х10 — 2 шт.
3.14. Ручка дверки электрошкафа — 1 шт.
3.15. Суппорт ручки — 2 шт.
3.16. Винт самонарезной 4×40 — 4 шт.
3.17. Винт регулировочный — 2 шт.
3.18. Розетка — 1 шт.
3.19. Руководство по эксплуатации — 1 шт.
3.20. Упаковка — 1 комплект
3.21. Ролик для передвижения электроплиты — 2 шт.
3.22. Винт самонарезной — 4 шт.
4. ТРЕБОВАНИЯ ПО ТЕХНИКЕ БЕЗОПАСНОСТИ И ПОЖАРНОЙ БЕЗОПАСНОСТИ
4.1. Прибор относится к типу «X» и предназначен для установки ка полу.
4.2. Перед включением электроплиты в сеть убедитесь в исправности шнура, вилки и розетки.
4.3. Все работы по устранению неисправностей и ремонту электроплиты должны выполняться организациями, имеющими право на ремонт бытовых электроприборов и ТОЛЬКО ПОСЛЕ ОТКЛЮЧЕНИЯ ЭЛЕКТРОПЛИТЫ от сети.
4.4. Извлекать вилку из розетки разрешается только после выключения всех нагревательных элементов электроплиты.
4.5. Не доверяйте детям включение и отключение нагревательных элементов электроплиты.
4.6. Не допускайте резкой смены температуры горячих электроконфорок и
4.7. Не допускайте попадания влаги внутрь электроплиты.
4.8. ЗАПРЕЩАЕТСЯ:
4.8.1. Оставлять без надзора электроплиту со включенными нагревательными элементами.
4.8.2. Держать вблизи включенной электроплиты легковоспламеняющиеся вещества.
4.8.3 Владельцам электроплиты поднимать рабочий стол, снимать заднюю стенку, производить какой-либо ремонт электроплиты.
4.8.4. Ставить электроплиту вплотную к стене.
4.8.5. Во избежание пожара использовать электроплиту для обогрева помещения.
4.8.6. Ставить на электроконфорки посуду с вогнутым или выпуклым дном, образующим воздушный зазор с поверхностью электроконфорки.
4.8.7. Ставить на элекгроконфорки посуду массой, превышающей 20 кг.
4-5.8. Проверять нагрев электроконфорок прикосновением руки.
5.1. УСТРОЙСТВО ЭЛЕКТРОПЛИТЫ
5.1. Общий вид электроплиты с указанием основных составных частей, органов управления и сигнализации показан на рис 1.
5.2. Регулирование мощности электроконфорок осуществляется при помощи переключателей* ручки которых расположите № панели электроплиты (рис. 1, 2)
5.3. В средней части электроплиты расположен жарочный электрошкаф (рис. 3). Нагрев рабочего пространства жарочного шкафа осуществляется двумя трубчатыми электронагревателями, один из которых, мощностью 0,8 кВт расположен в верхней части шкафа, второй мощностью 1,2 кВт, под днищем шкафа.
5.4. В верхней части жарочного электрошкафа расположен высокотемпературный электронагреватель (гриль) мощностью 1,5 кВт.
5.5. Внутри шкафа на задней стенке смонтирован датчик терморегулятора жарочного электронщафа и лампа освещения рабочего пространства жарочного алектрошкафа (рис. 3).
5.6. С наружной стороны задней стенки жарочного электрошкафа на суппорте смонтирован моторедуктор (рис. 9), предназначенный для вращения вертела с частотой 2 об/мин., воронка которого выходит в жарочный шкаф.
5.7. Розетка, расположенная на панели дает возможность включения электроприборов мощностью не боле 1 кВт.
5.8. Жарочный шкаф имеет четыре пары направляющих пазов, предназначенных для установки на желаемом уровне противней или решетки и два вертикальных паза для установки суппорта вертела (рис. 3).
5.9. Дверка жарочного шкафа застеклена термостойким стеклом, что позволяет визуально контролировать готовность приготовления пищи.
5.10. Крепление дверки жарочного электрошкафа к корпусу электроплиты выполнено с помощью специальных петель, которые позволяют фиксировать в трех положениях: закрыто, открыто, промежуточное.
6.11. При необходимости дверка может быть снята с электроплиты резким рывком на себя (рис. 4).
6.12. В нижней части электроплиты расположен вспомогательный шкафчик (рис. 1).
5.13. Для установки электроплиты в горизонтальном положении (при необходимости) предназначены два регулировочных винта, установка которых производится изнутри корпуса в наклонном положении плиты при вынутом вспомогательном шкафчике (рис. 1).
6. ПОДГОТОВКА К РАБОТЕ
6.1. Заменить ручку на дверке жарочного шкафа при помощи четырех самонарезных винтов 4×40.
6.2. Поднять рабочий стол, зафиксировать его подставкой, расположенной в переднем правом углу внутри корпуса электроплиты.
6.3. Снять заднюю крышку.
6.4. Проверить надежность всех контактных соединений и отсутствие касания к металлическим частям электроплиты оголенных проводов электропроводки.
6.5. Монтажная схема электроплиты (рис. 5) выполнена в однофазном исполнении с закороченными на вводе тремя левыми (1,2,3,) и двумя следующими (4,5) клеммами. В случае несоответствия параметров внешней электрической сети выполненной схеме произвести переналадку схемы, как показано на рис. 6.
6.6. Установить и закрепить заднюю крышку.
6.7. Опустить и закрепить рабочий стол. Установить щиток при помощи двух винтов М4х12, двух гаек и четырех шайб.
6.8. Закрепить с помощью 4-х самонарезных винтов ролики. Отверстия для Крепления расположены в нижней части задней стенки.
Установить электроплиту горизонтально с помощью регулировочных винтов, расположенных в основании рамы (рис. 1).
6.9. Подключить электроплиту к внешней электрической сети.
6.10. Произвести нагрев электроконфорок в течение часа на минимальной мощности без установки посуды.
6.11. Произвести инструктаж потребителя.
7. ПОРЯДОК РАБОТЫ
7.1. Для включения электроконфорки необходимо установить ручку переключателя в положение, соответствующее требуемой мощности.
7.2. Вращение ручек переключателей электроконфорок круговое, но для увеличения срока службы переключателей включение и выключение конфорок рекомендуется производить вращением ручек ПРОТИВ ЧАСОВОЙ СТРЕЛКИ.
7.3. При включении электроконфорки загорается соответствующая сигнальная лампа.
7.4. Включение нагревателей жарочного шкафа производится ручкой трехпозиционного переключателя (рис. 7), расположенной с левой стороны панели, Этой же ручкой производится включение гриля, вращением ее до отметки гриля.
7.5. Одновременное включение нагревателей жарочного электрошкафа и гриля невозможно.
7.6. Ручка трехпозиционного переключателя нагревателей электрошкафа НЕ ИМЕЕТ КРУГОВОГО ВРАЩЕНИЯ, включение нагревателей производится ПО ЧАСОВОЙ СТРЕЛКЕ, выключение — ПРОТИВ ЧАСОВОЙ СТРЕЛКИ.
7.8. При включении электронагревателей жарочного шкафа загораются две сигнальные лампы. При достижении заданной температуры рабочего пространства жарочного электрошкафа нагреватели автоматически отключаются и крайняя левая лампа гаснет. При снижении температуры нагреватели включаются и цикл повторяется.
7.9. При включении гриля загорается только вторая слева лампа.
7.10. Включение моторедуктора или лампы освещения рабочего пространства жарочного электрошкафа производится трехпозиционным клавишным переключав телем, имеющим три положения: нейтральное, включен моторедуктор, включена лампа (рис. 2).
7.11. Для снижения расхода электроэнергии, ускорения процесса приготовления пищи и увеличения срока службы электроконфорок рекомендуется пользоваться кухонной посудой, имеющей ровное и плоское дно диаметром равным или несколько большим диаметра электроконфорки (рис. 8).
7.12. Приготовление пищи рекомендуется начинать на максимальной мощности нагревателей. После закипания, или несколько раньше, необходимо переключить нагреватели на минимальную или среднюю мощность в зависимости от посуды.
7.13. Выпечка мучных изделий, тушение продуктов производится в жарочном электрошкафу. Жарение мяса может производится как на противне, так и на решетке или на вертеле.
7.14. Приготовление продукта на вертеле производятся с применением суппорта, 2-х вилок для закрепления продукта, при работающем моторедукторе и включенном гриле, при этом дверка жарочного электрошкафа должна быть приоткрыта и установлен защитный щиток (рис. 9).
7.15. При приготовлении на вертеле или на решетке продукт следует располагать в зоне максимальной мощности инфракрасных лучей гриля. Порционные куски мясных и рыбных блюд должны иметь по возможности равную толщину во избежание неравномерного прожаривания.
7.16. При жарении на вертеле, как и на решетке необходим противень для сбора подлива и жиров (рис. 9).
7.17. Перед использованием жарочного электрошкафа его необходимо разогреть в течение 10—15 минут на отметке 200, после чего можно производить выпечку.
7.18. При выпечке не рекомендуется часто открывать дверку жарочного электрошкафа, чтобы не охлаждать его. Если в процессе выпечки передняя или задняя части изделия зарумяниваются сильнее, то через некоторое время противень можно развернуть на 180 градусов.
7.19. По окончании приготовления пищи необходимо выключить все нагревательные элементы электроплиты.
7.20. От правильной эксплуатации срок службы электроплиты увеличивается. С повышением напряжения в сети мощность нагревателей резко возрастает, что приводит к преждевременному выходу из строя,
7.21. Для приготовления отдельных видов изделий рекомендуются режимы, указанные в таблице 2. Данные, приведенные в таблице, являются ориентировочными. Собственный опыт и вкус позволит Вам внести необходимые коррективы.
7.22. Рекомендации по приготовлению пищи в жарочном электрошкафу решетке при пользовании грилем.
7.23. Рекомендации по приготовлению пищи в жарочном электрошкафу при пользовании грилем и вертелом:
8. ТЕХНИЧЕСКОЕ ОБСЛУЖИВАНИЕ
8.1. Наружные эмалированные поверхности электроплиты следует мыть мыльной водой и протирать мягкой тканью.
8.2. Пятна от пищи необходимо удалять до высыхания.
8.3. Все элементы жарочного электрошкафа, его дно и стенки, а также рабочие поверхности электроконфорок необходимо периодически промывать слабым содовым раствором или мыльной водой и протирать мягкой сухой тканью.
8.4. В случае возникновения неисправности обращайтесь к организациям, имеющим право на ремонт электробытовых нагревательных приборов.
9. ПРАВИЛА ХРАНЕНИЯ
Электроплиты должны храниться в отапливаемых и вентилируемых помещениях при температуре воздуха от +1°С до +40°С, относительной влажности не более 80 %, при отсутствии в воздухе кислотных и других паров, вредно действующих на материалы электроплиты.
10. ВОЗМОЖНЫЕ НЕИСПРАВНОСТИ И МЕТОДЫ ИХ УСТРАНЕНИЯ
Все неисправности, вызывающие отказы, устраняются только специалистами ремонтных предприятий.
11. СВИДЕТЕЛЬСТВО О ПРИЕМКЕ
Стационарная бытовая электроплита типа ЭБЧШ 6-4-9,5/8-220 «Электра» 1001 М № соответствует ГОСТ 14919-83
Продукция выпускается под контролем Государственной приемка.
Дата выпуска август 1990
Штамп ОТК
12. ГАРАНТИЙНЫЕ ОБЯЗАТЕЛЬСТВА
12.1. Завод-изготовитель гарантирует нормальную работу электроплиты в течение двух лет со дня получения ее потребителем, с обязательной отметкой даты установки электроплиты в талоне на установку, при условии соблюдения потребителем правил хранения, эксплуатации и проведения технического обслуживания силами специализированных организаций за счет средств жилищно-эксплуатационных организаций.
12.2. Подключение электроплиты должно осуществляться в строгом соответствии с правилами ПЗУ.
12.3. Организации, занимающиеся установкой электроплит, должны сдавать их в эксплуатацию проверенными и в исправном состоянии, о чем должна быть сделана отметка в талоне на установку.
12.4. При отсутствии отметки в талоне на установку электроплиты в домах нового строительства, гарантийный срок исчисляется со дня подписания государственной комиссией акта о приемке дома.
12.5. Гарантийный и послегарантийный ремонт электроплиты должен производиться соответствующими ремонтными организациями.
12.6 Завод-изготовитель не несет ответственности в случаях:
— небрежного транспортирования и хранения;
— несоблюдения потребителем правил эксплуатации;
— разборки электроплиты потребителем или лицом, не имеющим права на ремонт
12.7. Для приобретения запасных частей к электроплите следует обращаться в коммунальные организации города, завод-изготовитель не ведет переписку по запасным частям.
Нововятский механический завод 610008, г. Киров
РУКОВОДСТВО ПО ЭКСПЛУАТАЦИИ
1. ОБЩИЕ УКАЗАНИЯ
1.1. Вы приобрели стационарную бытовую электрическую плиту типа ЭБЧШ б—4—9,5/8—220 «Электра 1001 М», предназначенную для приготовления пищи в домашних условиях: варки, жарения, тушения мясных, рыбных и овощных блюд, выпечки мучных изделий, сушки грибов, овощей, фруктов.
1.2. Используя высокотемпературный нагреватель (гриль) и моторедуктор с вертелом можно приготовить шашлыки, курицу на вертеле и т. п.
1.3. При установке электроплиты требуйте от монтажных организаций заполнения гарантийных талонов, проверки в Вашем присутствии исправности, работоспособности и комплектности электроплиты.
1.4. Перед началом эксплуатации внимательно ознакомьтесь с настоящим руководством и следуйте его рекомендациям.
БЕЗ ЗАЗЕМЛЕНИЯ ЭЛЕКТРОПЛИТУ НЕ ВКЛЮЧАТЬ!
2. ТЕХНИЧЕСКИЕ ДАННЫЕ
2.1. Номинальное напряжение, В — 220
2.2. Род тока — переменный
2.3. Установленная мощность, кВт, не более — 9,5
2.4. Единовременно потребляемая мощность, кВт, не более 8,0
2.6. Мощность электроконфорок — таблица 1
2.6. Номинальная потребляемая мощность нагревателей жарочного шкафа, кВт — 2,0
2.6.1. Мощность верхнего ТЭН, кВт — 0,8
2.6.2. Мощность нижнего ТЭН, кВт — 1,2
2.7. Регулирование температуры рабочего пространства жарочного электрошкафа в пределах от 50 до 300°С — бесступенчатое
2.8. Мощность высокотемпературного ТЭН (гриля), кВт, не регулируется — 1,5
2.9. Время разогрева рабочего пространства жарочного электрошкафа до 250°С, мин. — 20
2.10. Время разогрева электроконфорок, мин., не более:
диаметром 145 мм — 9
диаметром 180 мм — 9
диаметром 220 мм — 9
2.11. Внутренние размеры жарочного электрошкафа, мм
ширина 445
глубина 460
высота 335
2.12. Класс защиты от поражения электрическим током — 1
2.13. Исполнение по степени защиты от влаги — обычное
2.14. Габаритные размеры, мм
ширина — 600
глубина — 600
высота — 850
5.15. Масса, кг — 60
2.16. Сведения о суммарном весе драгоценных материалов, г
серебро 3,7
3. КОМПЛЕКТ ПОСТАВКИ
3.1. Электроплита — 1 шт.
3.2. Щиток — 1 шт.
3.3. Винт М4х12 — 2 шт.
3.4. Шайба 04 — 4 шт.
3 5. Гайка М4 — 2 шт.
3.6. Экран защиты ручек переключателей — 1 шт.
3.7. Противень эмалированный — 2 шт.
3.8. Решетка — 1 шт.
3.9. Суппорт вертела — 1 шт.
ЗЛО. Вертел — 1 шт.
3.11. Ручка вертела — 1 шт.
3.12. Вилка вертела — 2 шт.
3.13. Винт М4х10 — 2 шт.
3.14. Ручка дверки электрошкафа — 1 шт.
3.15. Суппорт ручки — 2 шт.
3.16. Винт самонарезной 4×40 — 4 шт.
3.17. Винт регулировочный — 2 шт.
3.18. Розетка — 1 шт.
3.19. Руководство по эксплуатации — 1 шт.
3.20. Упаковка — 1 комплект
3.21. Ролик для передвижения электроплиты — 2 шт.
3.22. Винт самонарезной — 4 шт.
4. ТРЕБОВАНИЯ ПО ТЕХНИКЕ БЕЗОПАСНОСТИ И ПОЖАРНОЙ БЕЗОПАСНОСТИ
4.1. Прибор относится к типу «X» и предназначен для установки ка полу.
4.2. Перед включением электроплиты в сеть убедитесь в исправности шнура, вилки и розетки.
4.3. Все работы по устранению неисправностей и ремонту электроплиты должны выполняться организациями, имеющими право на ремонт бытовых электроприборов и ТОЛЬКО ПОСЛЕ ОТКЛЮЧЕНИЯ ЭЛЕКТРОПЛИТЫ от сети.
4.4. Извлекать вилку из розетки разрешается только после выключения всех нагревательных элементов электроплиты.
4.5. Не доверяйте детям включение и отключение нагревательных элементов электроплиты.
4.6. Не допускайте резкой смены температуры горячих электроконфорок и
4.7. Не допускайте попадания влаги внутрь электроплиты.
4.8. ЗАПРЕЩАЕТСЯ:
4.8.1. Оставлять без надзора электроплиту со включенными нагревательными элементами.
4.8.2. Держать вблизи включенной электроплиты легковоспламеняющиеся вещества.
4.8.3 Владельцам электроплиты поднимать рабочий стол, снимать заднюю стенку, производить какой-либо ремонт электроплиты.
4.8.4. Ставить электроплиту вплотную к стене.
4.8.5. Во избежание пожара использовать электроплиту для обогрева помещения.
4.8.6. Ставить на электроконфорки посуду с вогнутым или выпуклым дном, образующим воздушный зазор с поверхностью электроконфорки.
4.8.7. Ставить на элекгроконфорки посуду массой, превышающей 20 кг.
4-5.8. Проверять нагрев электроконфорок прикосновением руки.
5.1. УСТРОЙСТВО ЭЛЕКТРОПЛИТЫ
5.1. Общий вид электроплиты с указанием основных составных частей, органов управления и сигнализации показан на рис 1.
5.2. Регулирование мощности электроконфорок осуществляется при помощи переключателей* ручки которых расположите № панели электроплиты (рис. 1, 2)
5.3. В средней части электроплиты расположен жарочный электрошкаф (рис. 3). Нагрев рабочего пространства жарочного шкафа осуществляется двумя трубчатыми электронагревателями, один из которых, мощностью 0,8 кВт расположен в верхней части шкафа, второй мощностью 1,2 кВт, под днищем шкафа.
5.4. В верхней части жарочного электрошкафа расположен высокотемпературный электронагреватель (гриль) мощностью 1,5 кВт.
5.5. Внутри шкафа на задней стенке смонтирован датчик терморегулятора жарочного электронщафа и лампа освещения рабочего пространства жарочного алектрошкафа (рис. 3).
5.6. С наружной стороны задней стенки жарочного электрошкафа на суппорте смонтирован моторедуктор (рис. 9), предназначенный для вращения вертела с частотой 2 об/мин., воронка которого выходит в жарочный шкаф.
5.7. Розетка, расположенная на панели дает возможность включения электроприборов мощностью не боле 1 кВт.
5.8. Жарочный шкаф имеет четыре пары направляющих пазов, предназначенных для установки на желаемом уровне противней или решетки и два вертикальных паза для установки суппорта вертела (рис. 3).
5.9. Дверка жарочного шкафа застеклена термостойким стеклом, что позволяет визуально контролировать готовность приготовления пищи.
5.10. Крепление дверки жарочного электрошкафа к корпусу электроплиты выполнено с помощью специальных петель, которые позволяют фиксировать в трех положениях: закрыто, открыто, промежуточное.
6.11. При необходимости дверка может быть снята с электроплиты резким рывком на себя (рис. 4).
6.12. В нижней части электроплиты расположен вспомогательный шкафчик (рис. 1).
5.13. Для установки электроплиты в горизонтальном положении (при необходимости) предназначены два регулировочных винта, установка которых производится изнутри корпуса в наклонном положении плиты при вынутом вспомогательном шкафчике (рис. 1).
6. ПОДГОТОВКА К РАБОТЕ
6.1. Заменить ручку на дверке жарочного шкафа при помощи четырех самонарезных винтов 4×40.
6.2. Поднять рабочий стол, зафиксировать его подставкой, расположенной в переднем правом углу внутри корпуса электроплиты.
6.3. Снять заднюю крышку.
6.4. Проверить надежность всех контактных соединений и отсутствие касания к металлическим частям электроплиты оголенных проводов электропроводки.
6.5. Монтажная схема электроплиты (рис. 5) выполнена в однофазном исполнении с закороченными на вводе тремя левыми (1,2,3,) и двумя следующими (4,5) клеммами. В случае несоответствия параметров внешней электрической сети выполненной схеме произвести переналадку схемы, как показано на рис. 6.
6.6. Установить и закрепить заднюю крышку.
6.7. Опустить и закрепить рабочий стол. Установить щиток при помощи двух винтов М4х12, двух гаек и четырех шайб.
6.8. Закрепить с помощью 4-х самонарезных винтов ролики. Отверстия для Крепления расположены в нижней части задней стенки.
Установить электроплиту горизонтально с помощью регулировочных винтов, расположенных в основании рамы (рис. 1).
6.9. Подключить электроплиту к внешней электрической сети.
6.10. Произвести нагрев электроконфорок в течение часа на минимальной мощности без установки посуды.
6.11. Произвести инструктаж потребителя.
7. ПОРЯДОК РАБОТЫ
7.1. Для включения электроконфорки необходимо установить ручку переключателя в положение, соответствующее требуемой мощности.
7.2. Вращение ручек переключателей электроконфорок круговое, но для увеличения срока службы переключателей включение и выключение конфорок рекомендуется производить вращением ручек ПРОТИВ ЧАСОВОЙ СТРЕЛКИ.
7.3. При включении электроконфорки загорается соответствующая сигнальная лампа.
7.4. Включение нагревателей жарочного шкафа производится ручкой трехпозиционного переключателя (рис. 7), расположенной с левой стороны панели, Этой же ручкой производится включение гриля, вращением ее до отметки гриля.
7.5. Одновременное включение нагревателей жарочного электрошкафа и гриля невозможно.
7.6. Ручка трехпозиционного переключателя нагревателей электрошкафа НЕ ИМЕЕТ КРУГОВОГО ВРАЩЕНИЯ, включение нагревателей производится ПО ЧАСОВОЙ СТРЕЛКЕ, выключение — ПРОТИВ ЧАСОВОЙ СТРЕЛКИ.
7.8. При включении электронагревателей жарочного шкафа загораются две сигнальные лампы. При достижении заданной температуры рабочего пространства жарочного электрошкафа нагреватели автоматически отключаются и крайняя левая лампа гаснет. При снижении температуры нагреватели включаются и цикл повторяется.
7.9. При включении гриля загорается только вторая слева лампа.
7.10. Включение моторедуктора или лампы освещения рабочего пространства жарочного электрошкафа производится трехпозиционным клавишным переключав телем, имеющим три положения: нейтральное, включен моторедуктор, включена лампа (рис. 2).
7.11. Для снижения расхода электроэнергии, ускорения процесса приготовления пищи и увеличения срока службы электроконфорок рекомендуется пользоваться кухонной посудой, имеющей ровное и плоское дно диаметром равным или несколько большим диаметра электроконфорки (рис. 8).
7.12. Приготовление пищи рекомендуется начинать на максимальной мощности нагревателей. После закипания, или несколько раньше, необходимо переключить нагреватели на минимальную или среднюю мощность в зависимости от посуды.
7.13. Выпечка мучных изделий, тушение продуктов производится в жарочном электрошкафу. Жарение мяса может производится как на противне, так и на решетке или на вертеле.
7.14. Приготовление продукта на вертеле производятся с применением суппорта, 2-х вилок для закрепления продукта, при работающем моторедукторе и включенном гриле, при этом дверка жарочного электрошкафа должна быть приоткрыта и установлен защитный щиток (рис. 9).
7.15. При приготовлении на вертеле или на решетке продукт следует располагать в зоне максимальной мощности инфракрасных лучей гриля. Порционные куски мясных и рыбных блюд должны иметь по возможности равную толщину во избежание неравномерного прожаривания.
7.16. При жарении на вертеле, как и на решетке необходим противень для сбора подлива и жиров (рис. 9).
7.17. Перед использованием жарочного электрошкафа его необходимо разогреть в течение 10—15 минут на отметке 200, после чего можно производить выпечку.
7.18. При выпечке не рекомендуется часто открывать дверку жарочного электрошкафа, чтобы не охлаждать его. Если в процессе выпечки передняя или задняя части изделия зарумяниваются сильнее, то через некоторое время противень можно развернуть на 180 градусов.
7.19. По окончании приготовления пищи необходимо выключить все нагревательные элементы электроплиты.
7.20. От правильной эксплуатации срок службы электроплиты увеличивается. С повышением напряжения в сети мощность нагревателей резко возрастает, что приводит к преждевременному выходу из строя,
7.21. Для приготовления отдельных видов изделий рекомендуются режимы, указанные в таблице 2. Данные, приведенные в таблице, являются ориентировочными. Собственный опыт и вкус позволит Вам внести необходимые коррективы.
7.22. Рекомендации по приготовлению пищи в жарочном электрошкафу решетке при пользовании грилем.
7.23. Рекомендации по приготовлению пищи в жарочном электрошкафу при пользовании грилем и вертелом:
8. ТЕХНИЧЕСКОЕ ОБСЛУЖИВАНИЕ
8.1. Наружные эмалированные поверхности электроплиты следует мыть мыльной водой и протирать мягкой тканью.
8.2. Пятна от пищи необходимо удалять до высыхания.
8.3. Все элементы жарочного электрошкафа, его дно и стенки, а также рабочие поверхности электроконфорок необходимо периодически промывать слабым содовым раствором или мыльной водой и протирать мягкой сухой тканью.
8.4. В случае возникновения неисправности обращайтесь к организациям, имеющим право на ремонт электробытовых нагревательных приборов.
9. ПРАВИЛА ХРАНЕНИЯ
Электроплиты должны храниться в отапливаемых и вентилируемых помещениях при температуре воздуха от +1°С до +40°С, относительной влажности не более 80 %, при отсутствии в воздухе кислотных и других паров, вредно действующих на материалы электроплиты.
10. ВОЗМОЖНЫЕ НЕИСПРАВНОСТИ И МЕТОДЫ ИХ УСТРАНЕНИЯ
Все неисправности, вызывающие отказы, устраняются только специалистами ремонтных предприятий.
11. СВИДЕТЕЛЬСТВО О ПРИЕМКЕ
Стационарная бытовая электроплита типа ЭБЧШ 6-4-9,5/8-220 «Электра» 1001 М № соответствует ГОСТ 14919-83
Продукция выпускается под контролем Государственной приемка.
Дата выпуска август 1990
Штамп ОТК
12. ГАРАНТИЙНЫЕ ОБЯЗАТЕЛЬСТВА
12.1. Завод-изготовитель гарантирует нормальную работу электроплиты в течение двух лет со дня получения ее потребителем, с обязательной отметкой даты установки электроплиты в талоне на установку, при условии соблюдения потребителем правил хранения, эксплуатации и проведения технического обслуживания силами специализированных организаций за счет средств жилищно-эксплуатационных организаций.
12.2. Подключение электроплиты должно осуществляться в строгом соответствии с правилами ПЗУ.
12.3. Организации, занимающиеся установкой электроплит, должны сдавать их в эксплуатацию проверенными и в исправном состоянии, о чем должна быть сделана отметка в талоне на установку.
12.4. При отсутствии отметки в талоне на установку электроплиты в домах нового строительства, гарантийный срок исчисляется со дня подписания государственной комиссией акта о приемке дома.
12.5. Гарантийный и послегарантийный ремонт электроплиты должен производиться соответствующими ремонтными организациями.
12.6 Завод-изготовитель не несет ответственности в случаях:
— небрежного транспортирования и хранения;
— несоблюдения потребителем правил эксплуатации;
— разборки электроплиты потребителем или лицом, не имеющим права на ремонт
12.7. Для приобретения запасных частей к электроплите следует обращаться в коммунальные организации города, завод-изготовитель не ведет переписку по запасным частям.
Содержание
- Запчасти и комплектующие к бытовым плитам «НОВО-ВЯТКА»
- Плита Электра ЭБЧШ 6-4-9,5|8-220 «ЭЛЕКТРА 1001М»
- Подключение электроплиты Bosch своими руками
- Электроплита «Электра 1001 М»
Запчасти и комплектующие к бытовым плитам «НОВО-ВЯТКА»
Завод производитель адрес: г.Киров, Нововятский р-он, ул. Советская, 51/2



Доставка запчастей и комплектующих:
«СДЭК» или «Почта России» :
Плита Электра ЭБЧШ 6-4-9,5|8-220 «ЭЛЕКТРА 1001М»
УСТРОЙСТВО ЭЛЕКТРОПЛИТЫ
Общий вид электроплиты с указанием основных составных частей, органов управления и сигнализации
Рис. 1. Общий вид электроплиты
1 — рабочий стол; 2 — электроконфорки; 3 — ручки ступенчатых переключателей 4 — сигнальные лампочки включения нагревателей 5 — ручка трехпозиционного переключателя жарочного шкафа; 6 — сигнальная лампа достижения заданной температуры; 8 — трехпозиционный клавишный переключатель; 7 — розетка; 9 — дверка жарочного шкафа; 10 — вспомогательный шкафчик 11 — регулировочные винты
Регулирование мощности электроконфорок осуществляется при помощи переключателей, ручки которых расположены на панели электроплиты
Панель управления электроплиты
Рис. 2. Панель управления электроплиты «Электра 1001 М)
1 — сигнальная лампа достижения заданной температуры рабочего пространства жарочного шкафа; 2 — сигнальная лампа включения нагревателей шкафа или гриля; 3 — сигнальные лампы включения электроконфорок; 4 — условное обозначение гриля; 5 — ручка трехпозиционного переключателя жарочного шкафа; 6 — ручки ступенчатых переключателей конфорок; 8 — трехпозиционный клавишный переключатель; 9 — включение моторедуктора; 10 — включение лампы освещения рабочего пространства жарочного шкафа.
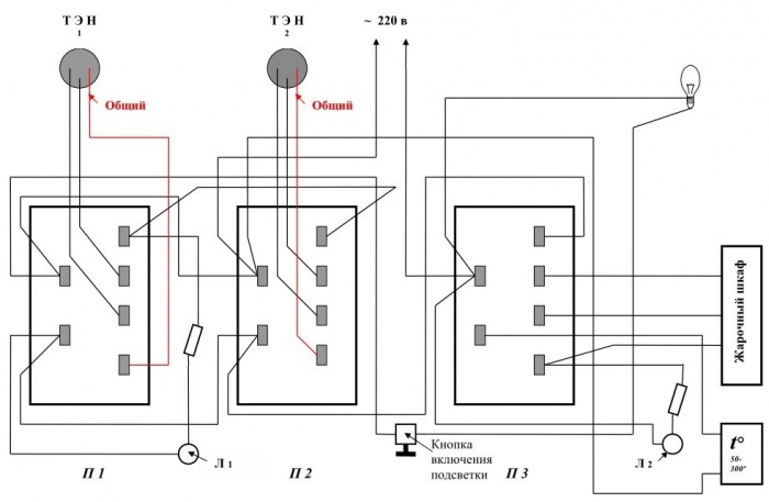
Монтажная схема электроплиты
Монтажная схема электроплиты (рис, 5) выполнена в однофазном исполнении с закороченными на вводе тремя левыми (1, 2, 3.) и двумя следующими (4, 5) клеммами. В случае несоответствия параметров внешней электрической сети выполненной схеме произвести переналадку схемы, как показано на рис, 6.
Рис. 5, Схема электрическая соединений электроплиты
Н1, Н2, НЗ, Н4 — электроконфорки; П1, П2, ПЗ, ПА — семипозиционные переключатели мощности; ПШ — трехступенчатый переключатель жарочного электрошкафа; Л1, Л2, ЛЗ, ЛА — сигнальные лампы включения электроконфорок;.Л5 — сигнальная лампа включения нагревателей жарочного шкафа или гриля; Л6 — сигнальная лампа достижения заданной температуры в жарочном шкафу; Н5, Н6 — нагреватели жарочного шкафа; Н7 — гриль; Т — терморегулятор; В — выключатель клавишный; Л7 — лампа освещения жарочного шкафа; Р — розетка; М — моторедуктор.
Подключение электроплиты к внешней электрической сети

Рис. 6, Подключение электроплиты к внешней электрической сети
1 — сеть однофазная 220 В; 2 — сеть 3-фазная с нейтралью (380/220В)
ИНСТРУКЦИЯ подробная для ПЛИТЫ ЭБЧШ 6-4-9,5|8-220 «ЭЛЕКТРА 1001М». Скачать
КУПИТЬ ЗАПЧАСТИ в МАГАЗИНЕ
(ЭКЧ — ⌀145; ЭКЧ — ⌀180; ЭКЧ — ⌀220)
(ДУХОВКИ И ЧУГУННЫХ КОНФОРОК)
(ЖАРОЧНОГО ШКАФА ПЛИТЫ)
(РУЧКА, ПЕТЛИ, СТЕКЛО, КОРПУС)
(ЖАРОЧНОГО ШКАФА)
(ЖАРОЧНОГО ШКАФА)
(ТЭН — КОНФОРОК)
(ГОРЕЛКИ, КРЫШКИ. )
Запчасти и комплектующие к кухонным бытовым плитам «Ново-Вятка»
E-mail: magazin@плиты-нововятка.рф Телефон: (8332) 777-145 — отдел продаж,
+7 (922) 949-97-77 ( 
Источник
Подключение электроплиты Bosch своими руками
Недавно в доме произошел апгрейд электрической плиты “Электра 1001” (1980 года выпуска) на модель HCE744223R фирмы BOSCH, в связи с чем решил поделиться практикой самостоятельного подключения новой плиты и ввода ее в эксплуатацию.
Возможно, кому-то покажется странным, но, практически все современные электроплиты поставляются без кабеля питания. Связано данное обстоятельство не из-за экономии производителей на шнурах питания, а из-за различных условий подключения (по питанию) у пользователей по количеству фаз, соответственно и типу самих розеток и т.п.. На всех не угодить.
В принципе, ничего страшного в отсутствии питающего кабеля в комплекте поставки электроплиты нет. Проблема решается покупкой ближайшем магазине электрики 2-х метров кабеля (например, ПВС 3х4) и комплекта “вилка-розетка” для электроплиты. Вот и все. Хотя нет, не все. Для надежного соединения контактов (правильного соединения проводов) я рекомендую еще использовать их опрессовку с помощью специальных изолированных наконечников. Правда для этого нужно иметь ручные пресс-клещи для опрессовки проводов и сами наконечники (вилочные НВИ или круглые НКИ).
Второй вариант подключения (самый быстрый и дешевый) — использование кабеля от старой электроплиты. Его я и выбрал. К слову, в 99% случаев таким образом подключают новые электроплиты приглашенные электрики за деньги. Так что если хотите подключить электроплиту самостоятельно, не вызывать и ждать электрика, плюс сэкономить денег — рекомендую произвести данную операцию своими руками. К тому же, не будем забывать слова немецкого конструктора автомобилей и бронетанковой техники Фердинанда Порше – “Если хочешь сделать что-то хорошо, сделай это сам”. На мой взгляд золотые слова…
В подключении электроплиты старым кабелем нет ничего сложного. Я для этого использовал провод питания с вилкой от старой электрической плиты “Электра 1001” (см. рис. 1) и подключал им новую плиту BOSCH HCE744223R. Постараюсь по порядку изложить ход выполнения работ.
1) Отсоединяем вилку и снимаем накладку розетки. Делается это для доступа индикаторной отвертки к вводным контактам. Без снятия кожуха отверткой к ним так просто не добраться…
Как видно из рис.2 к розетке подведены три провода. В центре “Земля” судя по характерному рядом значку. Пока что данное утверждение примем на веру. Вообще в 99% случаях и правилах хорошего тона в разводке и подключении проводки к электроплитам, средний провод в розетках (соответственно средний контакт в вилках) должен являться именно “Землей”. Но, могут встречаться и исключения. Все зависит от морально-психологического и физического состояния того электрика, который когда-то производил ввод и подключение в квартире. Поэтому будьте внимательны – “доверяйте, но проверяйте”. На всякий случай отмечу, что информации о том как определить в розетке “фазу”, “землю” и “ноль” в интернете найти не проблема. Встречается масса советов и различных практических рекомендаций.
2) Берем индикаторную отвертку и с ее помощью находим “фазу” в розетке. Отмечаем соответствующий фазный штекер и на вилке. Если при касании отверткой любого из трех контактов светодиод на ней начнет весело и ярко загораться, показывая “фазу”, — не пугайтесь, это глюк отвертки. Скорее всего у Вас отвёртка со светодиодом и батарейками — а такие девайсы живут собственной жизнью и реагируют буквально на все.
3) Теперь, используя метод исключения (зная где “фаза” и “земля”) определяем “ноль”. С розеткой и подводящим напряжением мы разобрались, переходим к вилке. Запоминаем (а лучше помечаем) где у нас на вилке “фаза”, “ноль” и “земля”.
4) Как правило, современные электрические плиты рассчитаны на однофазное напряжение 220 В. Но, лучше семь раз измерить, а один подключить. Поэтому берем тестер (мультиметр) и измеряем напряжение питания (между контактами “фаза-ноль”). В моем случае (для плиты “Электра 1001”) это 220 В переменного тока. Т.е. у нас (вернее у меня) внешняя электрическая сеть для подключения электроплиты однофазная 220 В.
5) У старой плиты “Электра 1001” снимаем заднюю крышку (рис.3) и смотрим на подсоединение шнура к клеммной колодке (рис.4). Видим, что там никаких обозначений нет, цветовая маркировка проводов тоже отсутствует (они все белого цвета).
Но, данное обстоятельство нас не должно пугать. Берем мультиметр и начинаем прозванивать провода (от вики до колодки). Сразу и просто находим “землю”, средний штырь на вилке звонится с соответствующим клеммником на колодке (самый правый, рис.4) и с корпусом самой плиты. Далее находим фазу (самый левый провод, рис.4) и “ноль” (тот, что по середине). Рекомендую сделать пометки на самих проводах, обозначающие “фазу”, “землю” и “ноль”. Пригодится в дальнейшем.
6) Снимаем питающий кабель с вилкой со старой электроплиты. Откручиваем винты и отсоединяем провода от клеммной колодки. Все провода со шнура на колодку обжаты наконечниками “под шайбу”, что есть хорошо (не надо их будет опрессовывать в дальнейшем, а сразу прикручивать).
7) Переходим к электроплите BOSCH. На задней стенке имеется табличка с подключением по 1, 2 и 3-х фазной схеме (рис.5). Ниже на двух винтах (под звездочку) установлена решетка, закрывающая доступ к клеммной колодке. Снимаем ее и получаем доступ к клеммной колодке (рис.6).
Видим, что на крайней правой клемме прикручены три медные перемычки. Снимаем их и устанавливаем в соответствии со схемой подключения однофазной цепи (рис. 7) — нижний вариант.

Провода в старом шнуре питания уже были добротно опрессованны наконечниками и данное обстоятельство упростило процедуру их монтажа к колодке. Но, диаметр отверстий под винты крепления у них был меньше, чем диаметр винтов использующихся в колодке BOSCH. Проблема решилась путем расточки сверлом отверстий на 1-2 мм и удалением кусачками углов прямоугольных площадок у старых наконечников. После этих несложных процедур наконечники подошли к клеммам колодки как “родные”.
9) Еще раз проверяем правильность соединения. Возвращаем на место (прикручиваем) крышку клеммной колодки и устанавливаем электроплиту на место ее постоянной дислокации.
10) Выдвигаем и вынимаем цокольный ящик. Видим, что в основании плиты расположены установочные ножки. С помощью шестигранного ключа их можно подкручивать в более высокое или низкое положение. Берем уровень, ставим его на стеклокерамическую поверхность и подкручиваем ножки, пока плита не установится горизонтально. Задвигаем ящик обратно.
11) Подключаем вилку к розетке и смотрим инструкцию по эксплуатации (пункт – “Перед первым использованием”). Там говорится, что на дисплее должен появиться мигающий значок, после чего нужно нажать на кнопку “Часы”. Выполняем это предписание. Индикация гаснет – плита готова к работе. Поочередно проверяем работу конфорок и духовки. Убеждаемся, что наша электроплита BOSCH HCE744223R работает нормально.
Источник
Нововятский механический завод 610008, г. Киров
РУКОВОДСТВО ПО ЭКСПЛУАТАЦИИ
1. ОБЩИЕ УКАЗАНИЯ
1.1. Вы приобрели стационарную бытовую электрическую плиту типа ЭБЧШ б—4—9,5/8—220 «Электра 1001 М», предназначенную для приготовления пищи в домашних условиях: варки, жарения, тушения мясных, рыбных и овощных блюд, выпечки мучных изделий, сушки грибов, овощей, фруктов.
1.2. Используя высокотемпературный нагреватель (гриль) и моторедуктор с вертелом можно приготовить шашлыки, курицу на вертеле и т. п.
1.3. При установке электроплиты требуйте от монтажных организаций заполнения гарантийных талонов, проверки в Вашем присутствии исправности, работоспособности и комплектности электроплиты.
1.4. Перед началом эксплуатации внимательно ознакомьтесь с настоящим руководством и следуйте его рекомендациям.
БЕЗ ЗАЗЕМЛЕНИЯ ЭЛЕКТРОПЛИТУ НЕ ВКЛЮЧАТЬ!
2. ТЕХНИЧЕСКИЕ ДАННЫЕ
2.1. Номинальное напряжение, В — 220
2.2. Род тока — переменный
2.3. Установленная мощность, кВт, не более — 9,5
2.4. Единовременно потребляемая мощность, кВт, не более 8,0
2.6. Мощность электроконфорок — таблица 1
2.6. Номинальная потребляемая мощность нагревателей жарочного шкафа, кВт — 2,0
2.6.1. Мощность верхнего ТЭН, кВт — 0,8
2.6.2. Мощность нижнего ТЭН, кВт — 1,2
2.7. Регулирование температуры рабочего пространства жарочного электрошкафа в пределах от 50 до 300°С — бесступенчатое
2.8. Мощность высокотемпературного ТЭН (гриля), кВт, не регулируется — 1,5
2.9. Время разогрева рабочего пространства жарочного электрошкафа до 250°С, мин. — 20
2.10. Время разогрева электроконфорок, мин., не более:
диаметром 145 мм — 9
диаметром 180 мм — 9
диаметром 220 мм — 9
2.11. Внутренние размеры жарочного электрошкафа, мм
2.12. Класс защиты от поражения электрическим током — 1
2.13. Исполнение по степени защиты от влаги — обычное
2.14. Габаритные размеры, мм
5.15. Масса, кг — 60
2.16. Сведения о суммарном весе драгоценных материалов, г
3. КОМПЛЕКТ ПОСТАВКИ
3.1. Электроплита — 1 шт.
3.3. Винт М4х12 — 2 шт.
3.4. Шайба 04 — 4 шт.
3 5. Гайка М4 — 2 шт.
3.6. Экран защиты ручек переключателей — 1 шт.
3.7. Противень эмалированный — 2 шт.
3.8. Решетка — 1 шт.
3.9. Суппорт вертела — 1 шт.
ЗЛО. Вертел — 1 шт.
3.11. Ручка вертела — 1 шт.
3.12. Вилка вертела — 2 шт.
3.13. Винт М4х10 — 2 шт.
3.14. Ручка дверки электрошкафа — 1 шт.
3.15. Суппорт ручки — 2 шт.
3.16. Винт самонарезной 4×40 — 4 шт.
3.17. Винт регулировочный — 2 шт.
3.18. Розетка — 1 шт.
3.19. Руководство по эксплуатации — 1 шт.
3.20. Упаковка — 1 комплект
3.21. Ролик для передвижения электроплиты — 2 шт.
3.22. Винт самонарезной — 4 шт.
4. ТРЕБОВАНИЯ ПО ТЕХНИКЕ БЕЗОПАСНОСТИ И ПОЖАРНОЙ БЕЗОПАСНОСТИ
4.1. Прибор относится к типу «X» и предназначен для установки ка полу.
4.2. Перед включением электроплиты в сеть убедитесь в исправности шнура, вилки и розетки.
4.3. Все работы по устранению неисправностей и ремонту электроплиты должны выполняться организациями, имеющими право на ремонт бытовых электроприборов и ТОЛЬКО ПОСЛЕ ОТКЛЮЧЕНИЯ ЭЛЕКТРОПЛИТЫ от сети.
4.4. Извлекать вилку из розетки разрешается только после выключения всех нагревательных элементов электроплиты.
4.5. Не доверяйте детям включение и отключение нагревательных элементов электроплиты.
4.6. Не допускайте резкой смены температуры горячих электроконфорок и
4.7. Не допускайте попадания влаги внутрь электроплиты.
4.8.1. Оставлять без надзора электроплиту со включенными нагревательными элементами.
4.8.2. Держать вблизи включенной электроплиты легковоспламеняющиеся вещества.
4.8.3 Владельцам электроплиты поднимать рабочий стол, снимать заднюю стенку, производить какой-либо ремонт электроплиты.
4.8.4. Ставить электроплиту вплотную к стене.
4.8.5. Во избежание пожара использовать электроплиту для обогрева помещения.
4.8.6. Ставить на электроконфорки посуду с вогнутым или выпуклым дном, образующим воздушный зазор с поверхностью электроконфорки.
4.8.7. Ставить на элекгроконфорки посуду массой, превышающей 20 кг.
4-5.8. Проверять нагрев электроконфорок прикосновением руки.
5.1. УСТРОЙСТВО ЭЛЕКТРОПЛИТЫ
5.1. Общий вид электроплиты с указанием основных составных частей, органов управления и сигнализации показан на рис 1.
5.2. Регулирование мощности электроконфорок осуществляется при помощи переключателей* ручки которых расположите № панели электроплиты (рис. 1, 2)
5.3. В средней части электроплиты расположен жарочный электрошкаф (рис. 3). Нагрев рабочего пространства жарочного шкафа осуществляется двумя трубчатыми электронагревателями, один из которых, мощностью 0,8 кВт расположен в верхней части шкафа, второй мощностью 1,2 кВт, под днищем шкафа.
5.4. В верхней части жарочного электрошкафа расположен высокотемпературный электронагреватель (гриль) мощностью 1,5 кВт.
5.5. Внутри шкафа на задней стенке смонтирован датчик терморегулятора жарочного электронщафа и лампа освещения рабочего пространства жарочного алектрошкафа (рис. 3).
5.6. С наружной стороны задней стенки жарочного электрошкафа на суппорте смонтирован моторедуктор (рис. 9), предназначенный для вращения вертела с частотой 2 об/мин., воронка которого выходит в жарочный шкаф.
5.7. Розетка, расположенная на панели дает возможность включения электроприборов мощностью не боле 1 кВт.
5.8. Жарочный шкаф имеет четыре пары направляющих пазов, предназначенных для установки на желаемом уровне противней или решетки и два вертикальных паза для установки суппорта вертела (рис. 3).
5.9. Дверка жарочного шкафа застеклена термостойким стеклом, что позволяет визуально контролировать готовность приготовления пищи.
5.10. Крепление дверки жарочного электрошкафа к корпусу электроплиты выполнено с помощью специальных петель, которые позволяют фиксировать в трех положениях: закрыто, открыто, промежуточное.
6.11. При необходимости дверка может быть снята с электроплиты резким рывком на себя (рис. 4).
6.12. В нижней части электроплиты расположен вспомогательный шкафчик (рис. 1).
5.13. Для установки электроплиты в горизонтальном положении (при необходимости) предназначены два регулировочных винта, установка которых производится изнутри корпуса в наклонном положении плиты при вынутом вспомогательном шкафчике (рис. 1).
6. ПОДГОТОВКА К РАБОТЕ
6.1. Заменить ручку на дверке жарочного шкафа при помощи четырех самонарезных винтов 4×40.
6.2. Поднять рабочий стол, зафиксировать его подставкой, расположенной в переднем правом углу внутри корпуса электроплиты.
6.3. Снять заднюю крышку.
6.4. Проверить надежность всех контактных соединений и отсутствие касания к металлическим частям электроплиты оголенных проводов электропроводки.
6.5. Монтажная схема электроплиты (рис. 5) выполнена в однофазном исполнении с закороченными на вводе тремя левыми (1,2,3,) и двумя следующими (4,5) клеммами. В случае несоответствия параметров внешней электрической сети выполненной схеме произвести переналадку схемы, как показано на рис. 6.
6.6. Установить и закрепить заднюю крышку.
6.7. Опустить и закрепить рабочий стол. Установить щиток при помощи двух винтов М4х12, двух гаек и четырех шайб.
6.8. Закрепить с помощью 4-х самонарезных винтов ролики. Отверстия для Крепления расположены в нижней части задней стенки.
Установить электроплиту горизонтально с помощью регулировочных винтов, расположенных в основании рамы (рис. 1).
6.9. Подключить электроплиту к внешней электрической сети.
6.10. Произвести нагрев электроконфорок в течение часа на минимальной мощности без установки посуды.
6.11. Произвести инструктаж потребителя.
7. ПОРЯДОК РАБОТЫ
7.1. Для включения электроконфорки необходимо установить ручку переключателя в положение, соответствующее требуемой мощности.
7.2. Вращение ручек переключателей электроконфорок круговое, но для увеличения срока службы переключателей включение и выключение конфорок рекомендуется производить вращением ручек ПРОТИВ ЧАСОВОЙ СТРЕЛКИ.
7.3. При включении электроконфорки загорается соответствующая сигнальная лампа.
7.4. Включение нагревателей жарочного шкафа производится ручкой трехпозиционного переключателя (рис. 7), расположенной с левой стороны панели, Этой же ручкой производится включение гриля, вращением ее до отметки гриля.
7.5. Одновременное включение нагревателей жарочного электрошкафа и гриля невозможно.
7.6. Ручка трехпозиционного переключателя нагревателей электрошкафа НЕ ИМЕЕТ КРУГОВОГО ВРАЩЕНИЯ, включение нагревателей производится ПО ЧАСОВОЙ СТРЕЛКЕ, выключение — ПРОТИВ ЧАСОВОЙ СТРЕЛКИ.
7.8. При включении электронагревателей жарочного шкафа загораются две сигнальные лампы. При достижении заданной температуры рабочего пространства жарочного электрошкафа нагреватели автоматически отключаются и крайняя левая лампа гаснет. При снижении температуры нагреватели включаются и цикл повторяется.
7.9. При включении гриля загорается только вторая слева лампа.
7.10. Включение моторедуктора или лампы освещения рабочего пространства жарочного электрошкафа производится трехпозиционным клавишным переключав телем, имеющим три положения: нейтральное, включен моторедуктор, включена лампа (рис. 2).
7.11. Для снижения расхода электроэнергии, ускорения процесса приготовления пищи и увеличения срока службы электроконфорок рекомендуется пользоваться кухонной посудой, имеющей ровное и плоское дно диаметром равным или несколько большим диаметра электроконфорки (рис. 8).
7.12. Приготовление пищи рекомендуется начинать на максимальной мощности нагревателей. После закипания, или несколько раньше, необходимо переключить нагреватели на минимальную или среднюю мощность в зависимости от посуды.
7.13. Выпечка мучных изделий, тушение продуктов производится в жарочном электрошкафу. Жарение мяса может производится как на противне, так и на решетке или на вертеле.
7.14. Приготовление продукта на вертеле производятся с применением суппорта, 2-х вилок для закрепления продукта, при работающем моторедукторе и включенном гриле, при этом дверка жарочного электрошкафа должна быть приоткрыта и установлен защитный щиток (рис. 9).
7.15. При приготовлении на вертеле или на решетке продукт следует располагать в зоне максимальной мощности инфракрасных лучей гриля. Порционные куски мясных и рыбных блюд должны иметь по возможности равную толщину во избежание неравномерного прожаривания.
7.16. При жарении на вертеле, как и на решетке необходим противень для сбора подлива и жиров (рис. 9).
7.17. Перед использованием жарочного электрошкафа его необходимо разогреть в течение 10—15 минут на отметке 200, после чего можно производить выпечку.
7.18. При выпечке не рекомендуется часто открывать дверку жарочного электрошкафа, чтобы не охлаждать его. Если в процессе выпечки передняя или задняя части изделия зарумяниваются сильнее, то через некоторое время противень можно развернуть на 180 градусов.
7.19. По окончании приготовления пищи необходимо выключить все нагревательные элементы электроплиты.
7.20. От правильной эксплуатации срок службы электроплиты увеличивается. С повышением напряжения в сети мощность нагревателей резко возрастает, что приводит к преждевременному выходу из строя,
7.21. Для приготовления отдельных видов изделий рекомендуются режимы, указанные в таблице 2. Данные, приведенные в таблице, являются ориентировочными. Собственный опыт и вкус позволит Вам внести необходимые коррективы.
7.22. Рекомендации по приготовлению пищи в жарочном электрошкафу решетке при пользовании грилем.
7.23. Рекомендации по приготовлению пищи в жарочном электрошкафу при пользовании грилем и вертелом:
8. ТЕХНИЧЕСКОЕ ОБСЛУЖИВАНИЕ
8.1. Наружные эмалированные поверхности электроплиты следует мыть мыльной водой и протирать мягкой тканью.
8.2. Пятна от пищи необходимо удалять до высыхания.
8.3. Все элементы жарочного электрошкафа, его дно и стенки, а также рабочие поверхности электроконфорок необходимо периодически промывать слабым содовым раствором или мыльной водой и протирать мягкой сухой тканью.
8.4. В случае возникновения неисправности обращайтесь к организациям, имеющим право на ремонт электробытовых нагревательных приборов.
9. ПРАВИЛА ХРАНЕНИЯ
Электроплиты должны храниться в отапливаемых и вентилируемых помещениях при температуре воздуха от +1°С до +40°С, относительной влажности не более 80 %, при отсутствии в воздухе кислотных и других паров, вредно действующих на материалы электроплиты.
10. ВОЗМОЖНЫЕ НЕИСПРАВНОСТИ И МЕТОДЫ ИХ УСТРАНЕНИЯ
Все неисправности, вызывающие отказы, устраняются только специалистами ремонтных предприятий.
11. СВИДЕТЕЛЬСТВО О ПРИЕМКЕ
Стационарная бытовая электроплита типа ЭБЧШ 6-4-9,5/8-220 «Электра» 1001 М № соответствует ГОСТ 14919-83
Продукция выпускается под контролем Государственной приемка.
Дата выпуска август 1990
12. ГАРАНТИЙНЫЕ ОБЯЗАТЕЛЬСТВА
12.1. Завод-изготовитель гарантирует нормальную работу электроплиты в течение двух лет со дня получения ее потребителем, с обязательной отметкой даты установки электроплиты в талоне на установку, при условии соблюдения потребителем правил хранения, эксплуатации и проведения технического обслуживания силами специализированных организаций за счет средств жилищно-эксплуатационных организаций.
12.2. Подключение электроплиты должно осуществляться в строгом соответствии с правилами ПЗУ.
12.3. Организации, занимающиеся установкой электроплит, должны сдавать их в эксплуатацию проверенными и в исправном состоянии, о чем должна быть сделана отметка в талоне на установку.
12.4. При отсутствии отметки в талоне на установку электроплиты в домах нового строительства, гарантийный срок исчисляется со дня подписания государственной комиссией акта о приемке дома.
12.5. Гарантийный и послегарантийный ремонт электроплиты должен производиться соответствующими ремонтными организациями.
12.6 Завод-изготовитель не несет ответственности в случаях:
— небрежного транспортирования и хранения;
— несоблюдения потребителем правил эксплуатации;
— разборки электроплиты потребителем или лицом, не имеющим права на ремонт
12.7. Для приобретения запасных частей к электроплите следует обращаться в коммунальные организации города, завод-изготовитель не ведет переписку по запасным частям.
Источник
Adblock
detector
УВАЖАЕМЫЙ ПОКУПАТЕЛЬ!
Поздравляем
Вас с удачным выбором новой стационарной
электроплиты, воплотившей в себе
последние достижения отечественных
разработчиков, изготовленной из
материалов и деталей, обладающих высокой
надежностью и большим сроком службы.
Совершенная система
нагрева, надежная теплоизоляция,
применение высокопроизводительных
конфорок гарантирует Вашей плите
наилучшие эксплуатационные качества
и экономное потребление электроэнергии.
Просим
внимательно прочитать настоящее
«Руководство по эксплуатации», что
позволит Вам оптимально использовать
эксплуатационные качества
холодильника-морозильника.
Электроплита
«ЭЛЕКТРА
101» предназначена
для приготовления широкого ассортимента
блюд в домашних условиях.
Электроплита
«ЭЛЕКТРА
101» соответствуют
всем требованиям, обеспечивающим
безопасность потребителя.
2. Меры
предосторожности:
21. Без заземления
электроплиту не включать!
2.2.
ЗАПРЕЩАЕТСЯ
— проверять нагрев
электроконфорок и ТЭН прикосновением
руки;
—
устранять любые
неисправности при включенной электроплите
и неостывших нагревателях;
— Все
неисправности, выявленные при эксплуатации
электроплиты, должны устраняться
только специалистами организаций,
обслуживающих бытовые электроприборы;
—
берегите горячие
электроконфорки и ТЭН от резкой смены
температуры, . так как при этом на их
поверхности могут образоваться
трещины.
3. Технические
данные:
Таблица 1
|
Характеристика |
Единица измерения |
Электра 1001 |
|
Установленная мощность |
кВт |
9,5 |
|
Единовременно потребляемая мощность |
кВт |
8 |
|
Номинальное напряжение |
В |
220 |
|
Частота переменного тока |
Гц |
50 |
|
Номинальный ток |
А |
36,4 |
|
Мощности электроконфорок |
Вт |
|
|
ЭКЧ-145-1,0 |
1000 |
|
|
ЭКЧ-180-1,5 |
1500 |
|
|
ЭКЧ-220-2,0 |
2000 |
4. Масса габариты:
|
Характеристика |
Единица измерения |
Электра 1001 |
|
Высота |
см |
85 |
|
Ширина |
см |
60 |
|
Глубина |
см |
60 |
|
Масса |
кг |
59 |
5. Состав устройства,
комплект поставки:
|
№ п/п |
Комплектующие изделия |
Количество |
|
1 |
Электроплита |
1 |
|
2 |
Щиток |
1 |
|
3 |
Кабель подключающий |
1 |
|
4 |
Штепсельный |
1 комплект |
|
5 |
Экран для тепловой |
1 |
|
6 |
Противень |
2 |
|
7 |
Решетка для сушки |
1 |
|
8 |
Вертел |
1 |
|
9 |
Вилка вертела |
2 |
|
10 |
Руководство по |
1 |
|
11 |
Упаковка |
1 |
6. Устройство
Основные
части (см. приложение. Рис.4):
— рабочий стол;
— сигнальные
лампы;
— ручки перключения
мощности;
— перключатель
клавишный;
— дверка жарочного
электрошкафа;
— вспомагательный
шкаф.
— основные рамыф
7. Порядок
работы:
Приготовление
пищи производится на электроконфорках
рабочего стола. Для снижения расхода
электроэнергии, ускорения процесса
приготовления пищи и увеличения cpojca
службы экектроконфорок рекомендуется
пользоваться кухонной посудой имеющей
плоское и ровное дно диаметром, правным
или несколько большим диаметра
электроконформки.
После закипания
приготовления пищи рекомендуется
производить на средних или манимальных
мащностях, чем достигается более
качественное приготовление блюда,
экономия электроэнергии и увеличения
срока службы электроконфорок.
ЭЛЕКТРА 101 – Самая
подходящая электроплита
|
Низкий уровень |
Средний уровень |
Высокий уровень |
Постоянно |
|
|
Соседние файлы в папке Электроплита
- #
- #
- #
- #
- #
Нововятский механический завод 610008, г. Киров
РУКОВОДСТВО ПО ЭКСПЛУАТАЦИИ
1. ОБЩИЕ УКАЗАНИЯ
1.1. Вы приобрели стационарную бытовую электрическую плиту типа ЭБЧШ б—4—9,5/8—220 «Электра 1001 М», предназначенную для приготовления пищи в домашних условиях: варки, жарения, тушения мясных, рыбных и овощных блюд, выпечки мучных изделий, сушки грибов, овощей, фруктов.
1.2. Используя высокотемпературный нагреватель (гриль) и моторедуктор с вертелом можно приготовить шашлыки, курицу на вертеле и т. п.
1.3. При установке электроплиты требуйте от монтажных организаций заполнения гарантийных талонов, проверки в Вашем присутствии исправности, работоспособности и комплектности электроплиты.
1.4. Перед началом эксплуатации внимательно ознакомьтесь с настоящим руководством и следуйте его рекомендациям.
БЕЗ ЗАЗЕМЛЕНИЯ ЭЛЕКТРОПЛИТУ НЕ ВКЛЮЧАТЬ!
2. ТЕХНИЧЕСКИЕ ДАННЫЕ
2.1. Номинальное напряжение, В — 220
2.2. Род тока — переменный
2.3. Установленная мощность, кВт, не более — 9,5
2.4. Единовременно потребляемая мощность, кВт, не более 8,0
2.6. Мощность электроконфорок — таблица 1
2.6. Номинальная потребляемая мощность нагревателей жарочного шкафа, кВт — 2,0
2.6.1. Мощность верхнего ТЭН, кВт — 0,8
2.6.2. Мощность нижнего ТЭН, кВт — 1,2
2.7. Регулирование температуры рабочего пространства жарочного электрошкафа в пределах от 50 до 300°С — бесступенчатое
2.8. Мощность высокотемпературного ТЭН (гриля), кВт, не регулируется — 1,5
2.9. Время разогрева рабочего пространства жарочного электрошкафа до 250°С, мин. — 20
2.10. Время разогрева электроконфорок, мин., не более:
диаметром 145 мм — 9
диаметром 180 мм — 9
диаметром 220 мм — 9
2.11. Внутренние размеры жарочного электрошкафа, мм
ширина 445
глубина 460
высота 335
2.12. Класс защиты от поражения электрическим током — 1
2.13. Исполнение по степени защиты от влаги — обычное
2.14. Габаритные размеры, мм
ширина — 600
глубина — 600
высота — 850
5.15. Масса, кг — 60
2.16. Сведения о суммарном весе драгоценных материалов, г
серебро 3,7
3. КОМПЛЕКТ ПОСТАВКИ
3.1. Электроплита — 1 шт.
3.2. Щиток — 1 шт.
3.3. Винт М4х12 — 2 шт.
3.4. Шайба 04 — 4 шт.
3 5. Гайка М4 — 2 шт.
3.6. Экран защиты ручек переключателей — 1 шт.
3.7. Противень эмалированный — 2 шт.
3.8. Решетка — 1 шт.
3.9. Суппорт вертела — 1 шт.
ЗЛО. Вертел — 1 шт.
3.11. Ручка вертела — 1 шт.
3.12. Вилка вертела — 2 шт.
3.13. Винт М4х10 — 2 шт.
3.14. Ручка дверки электрошкафа — 1 шт.
3.15. Суппорт ручки — 2 шт.
3.16. Винт самонарезной 4×40 — 4 шт.
3.17. Винт регулировочный — 2 шт.
3.18. Розетка — 1 шт.
3.19. Руководство по эксплуатации — 1 шт.
3.20. Упаковка — 1 комплект
3.21. Ролик для передвижения электроплиты — 2 шт.
3.22. Винт самонарезной — 4 шт.
4. ТРЕБОВАНИЯ ПО ТЕХНИКЕ БЕЗОПАСНОСТИ И ПОЖАРНОЙ БЕЗОПАСНОСТИ
4.1. Прибор относится к типу «X» и предназначен для установки ка полу.
4.2. Перед включением электроплиты в сеть убедитесь в исправности шнура, вилки и розетки.
4.3. Все работы по устранению неисправностей и ремонту электроплиты должны выполняться организациями, имеющими право на ремонт бытовых электроприборов и ТОЛЬКО ПОСЛЕ ОТКЛЮЧЕНИЯ ЭЛЕКТРОПЛИТЫ от сети.
4.4. Извлекать вилку из розетки разрешается только после выключения всех нагревательных элементов электроплиты.
4.5. Не доверяйте детям включение и отключение нагревательных элементов электроплиты.
4.6. Не допускайте резкой смены температуры горячих электроконфорок и
4.7. Не допускайте попадания влаги внутрь электроплиты.
4.8. ЗАПРЕЩАЕТСЯ:
4.8.1. Оставлять без надзора электроплиту со включенными нагревательными элементами.
4.8.2. Держать вблизи включенной электроплиты легковоспламеняющиеся вещества.
4.8.3 Владельцам электроплиты поднимать рабочий стол, снимать заднюю стенку, производить какой-либо ремонт электроплиты.
4.8.4. Ставить электроплиту вплотную к стене.
4.8.5. Во избежание пожара использовать электроплиту для обогрева помещения.
4.8.6. Ставить на электроконфорки посуду с вогнутым или выпуклым дном, образующим воздушный зазор с поверхностью электроконфорки.
4.8.7. Ставить на элекгроконфорки посуду массой, превышающей 20 кг.
4-5.8. Проверять нагрев электроконфорок прикосновением руки.
5.1. УСТРОЙСТВО ЭЛЕКТРОПЛИТЫ
5.1. Общий вид электроплиты с указанием основных составных частей, органов управления и сигнализации показан на рис 1.
5.2. Регулирование мощности электроконфорок осуществляется при помощи переключателей* ручки которых расположите № панели электроплиты (рис. 1, 2)
5.3. В средней части электроплиты расположен жарочный электрошкаф (рис. 3). Нагрев рабочего пространства жарочного шкафа осуществляется двумя трубчатыми электронагревателями, один из которых, мощностью 0,8 кВт расположен в верхней части шкафа, второй мощностью 1,2 кВт, под днищем шкафа.
5.4. В верхней части жарочного электрошкафа расположен высокотемпературный электронагреватель (гриль) мощностью 1,5 кВт.
5.5. Внутри шкафа на задней стенке смонтирован датчик терморегулятора жарочного электронщафа и лампа освещения рабочего пространства жарочного алектрошкафа (рис. 3).
5.6. С наружной стороны задней стенки жарочного электрошкафа на суппорте смонтирован моторедуктор (рис. 9), предназначенный для вращения вертела с частотой 2 об/мин., воронка которого выходит в жарочный шкаф.
5.7. Розетка, расположенная на панели дает возможность включения электроприборов мощностью не боле 1 кВт.
5.8. Жарочный шкаф имеет четыре пары направляющих пазов, предназначенных для установки на желаемом уровне противней или решетки и два вертикальных паза для установки суппорта вертела (рис. 3).
5.9. Дверка жарочного шкафа застеклена термостойким стеклом, что позволяет визуально контролировать готовность приготовления пищи.
5.10. Крепление дверки жарочного электрошкафа к корпусу электроплиты выполнено с помощью специальных петель, которые позволяют фиксировать в трех положениях: закрыто, открыто, промежуточное.
6.11. При необходимости дверка может быть снята с электроплиты резким рывком на себя (рис. 4).
6.12. В нижней части электроплиты расположен вспомогательный шкафчик (рис. 1).
5.13. Для установки электроплиты в горизонтальном положении (при необходимости) предназначены два регулировочных винта, установка которых производится изнутри корпуса в наклонном положении плиты при вынутом вспомогательном шкафчике (рис. 1).
6. ПОДГОТОВКА К РАБОТЕ
6.1. Заменить ручку на дверке жарочного шкафа при помощи четырех самонарезных винтов 4×40.
6.2. Поднять рабочий стол, зафиксировать его подставкой, расположенной в переднем правом углу внутри корпуса электроплиты.
6.3. Снять заднюю крышку.
6.4. Проверить надежность всех контактных соединений и отсутствие касания к металлическим частям электроплиты оголенных проводов электропроводки.
6.5. Монтажная схема электроплиты (рис. 5) выполнена в однофазном исполнении с закороченными на вводе тремя левыми (1,2,3,) и двумя следующими (4,5) клеммами. В случае несоответствия параметров внешней электрической сети выполненной схеме произвести переналадку схемы, как показано на рис. 6.
6.6. Установить и закрепить заднюю крышку.
6.7. Опустить и закрепить рабочий стол. Установить щиток при помощи двух винтов М4х12, двух гаек и четырех шайб.
6.8. Закрепить с помощью 4-х самонарезных винтов ролики. Отверстия для Крепления расположены в нижней части задней стенки.
Установить электроплиту горизонтально с помощью регулировочных винтов, расположенных в основании рамы (рис. 1).
6.9. Подключить электроплиту к внешней электрической сети.
6.10. Произвести нагрев электроконфорок в течение часа на минимальной мощности без установки посуды.
6.11. Произвести инструктаж потребителя.
7. ПОРЯДОК РАБОТЫ
7.1. Для включения электроконфорки необходимо установить ручку переключателя в положение, соответствующее требуемой мощности.
7.2. Вращение ручек переключателей электроконфорок круговое, но для увеличения срока службы переключателей включение и выключение конфорок рекомендуется производить вращением ручек ПРОТИВ ЧАСОВОЙ СТРЕЛКИ.
7.3. При включении электроконфорки загорается соответствующая сигнальная лампа.
7.4. Включение нагревателей жарочного шкафа производится ручкой трехпозиционного переключателя (рис. 7), расположенной с левой стороны панели, Этой же ручкой производится включение гриля, вращением ее до отметки гриля.
7.5. Одновременное включение нагревателей жарочного электрошкафа и гриля невозможно.
7.6. Ручка трехпозиционного переключателя нагревателей электрошкафа НЕ ИМЕЕТ КРУГОВОГО ВРАЩЕНИЯ, включение нагревателей производится ПО ЧАСОВОЙ СТРЕЛКЕ, выключение — ПРОТИВ ЧАСОВОЙ СТРЕЛКИ.
7.8. При включении электронагревателей жарочного шкафа загораются две сигнальные лампы. При достижении заданной температуры рабочего пространства жарочного электрошкафа нагреватели автоматически отключаются и крайняя левая лампа гаснет. При снижении температуры нагреватели включаются и цикл повторяется.
7.9. При включении гриля загорается только вторая слева лампа.
7.10. Включение моторедуктора или лампы освещения рабочего пространства жарочного электрошкафа производится трехпозиционным клавишным переключав телем, имеющим три положения: нейтральное, включен моторедуктор, включена лампа (рис. 2).
7.11. Для снижения расхода электроэнергии, ускорения процесса приготовления пищи и увеличения срока службы электроконфорок рекомендуется пользоваться кухонной посудой, имеющей ровное и плоское дно диаметром равным или несколько большим диаметра электроконфорки (рис. 8).
7.12. Приготовление пищи рекомендуется начинать на максимальной мощности нагревателей. После закипания, или несколько раньше, необходимо переключить нагреватели на минимальную или среднюю мощность в зависимости от посуды.
7.13. Выпечка мучных изделий, тушение продуктов производится в жарочном электрошкафу. Жарение мяса может производится как на противне, так и на решетке или на вертеле.
7.14. Приготовление продукта на вертеле производятся с применением суппорта, 2-х вилок для закрепления продукта, при работающем моторедукторе и включенном гриле, при этом дверка жарочного электрошкафа должна быть приоткрыта и установлен защитный щиток (рис. 9).
7.15. При приготовлении на вертеле или на решетке продукт следует располагать в зоне максимальной мощности инфракрасных лучей гриля. Порционные куски мясных и рыбных блюд должны иметь по возможности равную толщину во избежание неравномерного прожаривания.
7.16. При жарении на вертеле, как и на решетке необходим противень для сбора подлива и жиров (рис. 9).
7.17. Перед использованием жарочного электрошкафа его необходимо разогреть в течение 10—15 минут на отметке 200, после чего можно производить выпечку.
7.18. При выпечке не рекомендуется часто открывать дверку жарочного электрошкафа, чтобы не охлаждать его. Если в процессе выпечки передняя или задняя части изделия зарумяниваются сильнее, то через некоторое время противень можно развернуть на 180 градусов.
7.19. По окончании приготовления пищи необходимо выключить все нагревательные элементы электроплиты.
7.20. От правильной эксплуатации срок службы электроплиты увеличивается. С повышением напряжения в сети мощность нагревателей резко возрастает, что приводит к преждевременному выходу из строя,
7.21. Для приготовления отдельных видов изделий рекомендуются режимы, указанные в таблице 2. Данные, приведенные в таблице, являются ориентировочными. Собственный опыт и вкус позволит Вам внести необходимые коррективы.
7.22. Рекомендации по приготовлению пищи в жарочном электрошкафу решетке при пользовании грилем.
7.23. Рекомендации по приготовлению пищи в жарочном электрошкафу при пользовании грилем и вертелом:
8. ТЕХНИЧЕСКОЕ ОБСЛУЖИВАНИЕ
8.1. Наружные эмалированные поверхности электроплиты следует мыть мыльной водой и протирать мягкой тканью.
8.2. Пятна от пищи необходимо удалять до высыхания.
8.3. Все элементы жарочного электрошкафа, его дно и стенки, а также рабочие поверхности электроконфорок необходимо периодически промывать слабым содовым раствором или мыльной водой и протирать мягкой сухой тканью.
8.4. В случае возникновения неисправности обращайтесь к организациям, имеющим право на ремонт электробытовых нагревательных приборов.
9. ПРАВИЛА ХРАНЕНИЯ
Электроплиты должны храниться в отапливаемых и вентилируемых помещениях при температуре воздуха от +1°С до +40°С, относительной влажности не более 80 %, при отсутствии в воздухе кислотных и других паров, вредно действующих на материалы электроплиты.
10. ВОЗМОЖНЫЕ НЕИСПРАВНОСТИ И МЕТОДЫ ИХ УСТРАНЕНИЯ
Все неисправности, вызывающие отказы, устраняются только специалистами ремонтных предприятий.
11. СВИДЕТЕЛЬСТВО О ПРИЕМКЕ
Стационарная бытовая электроплита типа ЭБЧШ 6-4-9,5/8-220 «Электра» 1001 М № соответствует ГОСТ 14919-83
Продукция выпускается под контролем Государственной приемка.
Дата выпуска август 1990
Штамп ОТК
12. ГАРАНТИЙНЫЕ ОБЯЗАТЕЛЬСТВА
12.1. Завод-изготовитель гарантирует нормальную работу электроплиты в течение двух лет со дня получения ее потребителем, с обязательной отметкой даты установки электроплиты в талоне на установку, при условии соблюдения потребителем правил хранения, эксплуатации и проведения технического обслуживания силами специализированных организаций за счет средств жилищно-эксплуатационных организаций.
12.2. Подключение электроплиты должно осуществляться в строгом соответствии с правилами ПЗУ.
12.3. Организации, занимающиеся установкой электроплит, должны сдавать их в эксплуатацию проверенными и в исправном состоянии, о чем должна быть сделана отметка в талоне на установку.
12.4. При отсутствии отметки в талоне на установку электроплиты в домах нового строительства, гарантийный срок исчисляется со дня подписания государственной комиссией акта о приемке дома.
12.5. Гарантийный и послегарантийный ремонт электроплиты должен производиться соответствующими ремонтными организациями.
12.6 Завод-изготовитель не несет ответственности в случаях:
— небрежного транспортирования и хранения;
— несоблюдения потребителем правил эксплуатации;
— разборки электроплиты потребителем или лицом, не имеющим права на ремонт
12.7. Для приобретения запасных частей к электроплите следует обращаться в коммунальные организации города, завод-изготовитель не ведет переписку по запасным частям.
Приобретение электроплиты для кухни в квартире поставит перед владельцем проблему подключения устройства к сети. Инструкция рекомендует пригласить для этих целей специалиста. Но не всегда в этом есть необходимость. Схема подключения к сети доступна для понимания и может быть реализована самостоятельно. Она одинаково применима для обычной электроплиты, с ее помощью можно подключить:
- варочную панель,
- индукционную плиту,
- стеклокерамическую.
Чтобы правильно подключить новое приобретение своими руками необходимо потратить время и ознакомиться с алгоритмом действий. Он несложен и включает несколько этапов:
- Выбор места установки.
- Общие требования.
- Установка УЗО и автомата.
- Монтаж кабеля.
- Выбор типа соединения.
- Схемы подключения.
Прежде чем подключить плиту или варочную панель следует правильно определить место ее будущего размещения в квартире относительно места подсоединения, соседства с холодильником и другими бытовыми приборами:
- Площадка, на которой планируется установить стационарную модель должна быть максимально ровной, чтобы при регулировке ножек обеспечивать устойчивое горизонтальное положение.
- Длина провода и расстояние от места подключения до устройства должны позволить свободно перемещать прибор без отключения.
- Тен обычной электроплиты может разогреваться до 100°C, поэтому не рекомендуется размещать электроплиту или варочную панель рядом с холодильником.
- Разогретый тен может привести к оплавлению пластиковых предметов обстановки.
- Индукционную плиту или аналогичную варочную панель так же нежелательно ставит рядом с холодильником или другими бытовыми приборами, генерируемое ею электромагнитное поле негативно влияет на их работу.
Общие требования
Правильно подключить электроплиту или варочную панель своими руками не получиться без соблюдения определенных требований к оборудованию. В квартире это можно сделать существенно проще и быстрее.
Обычно в квартире стандартной многоэтажки подключение подобных устройств к сети осуществляется уже смонтированным отдельным проводом, через специально предусмотренную розетку. Это сэкономит время и позволит быстро подключить плиту или варочную панель.
Владельцам частного дома выполнить все работы связанные с проводом, и установкой другого оборудования придется самостоятельно или с приглашением специалиста. В этом случае следует воспользоваться:
- трехжильным кабелем с медным с сечением от 4-х до 6-ти мм в зависимости от его длины;
- отдельным автоматом под электроплиту для установки в щитке на 32 или 40А в соответствии с сечением провода;
- устройством защитного отключения;
- доступным способом заземления.
Устройство защитного отключения и автомат
УЗО и автоотключатель являются обязательным элементом комплекта, который используется, чтобы самостоятельно подсоединить любой бытовой прибор к сети. Их наличие убережет прибор от перепадов напряжения в сети и преждевременного выхода из строя:
- Ставятся они рядом на монтажную рейку до счетчика.
- Номинальное значение УЗО должно быть больше автомата.
- УЗО соединяется со счетчиком верхние фазное и нулевое крепление соответственно.
- Нижние клеммы используются для соединения с автоматом и выводятся на ноль.
- Если используется однополюсный автомат, нулевая клемма УЗО соединяется с нулевой шиной.
- При двухполюсном соединяется нулевой клеммой с соответствующим контактом автомата.
- На нижние крепления автомата ставятся фазная и нулевая жилы трехжильного провода.
- Если автомат однополюсный нулевой провод уходит на соответствующую шину.
- Желто зеленая или зеленая предназначена для заземления.
Монтаж кабеля
Чтобы соединить розетку или клеммник кабелем с электрощитом потребуется самостоятельно проштробить стену. На скрытую в стене укладку придется потратить время, но она не испортит интерьера. Альтернативный и менее хлопотный вариант, чаще используемый для дома с деревянными стенами, предполагает использование внешнего короба. Штробление и укладка в коробе выполняются по кратчайшему маршруту.
Тип соединения электроплиты
Перед началом установки нужно определит, каким типом соединения лучше воспользоваться. Устанавливать электроплиту или варочную панель в квартире или на кухне частного дома можно с тремя типами подсоединения к сети:
- прямым подключением;
- через клеммную коробу;
- через розетку.
Прямое включение
Данный вариант можно применять, если нет необходимости отключать плиту или варочную панель от общей сети. Он считается самым безопасным. Отсутствие дополнительных соединений снижает риск перегрева. Если отдельное отключение необходимо, то придется устанавливать клеммную коробку или розетку.
Как устанавливать клеммную коробку
Современную плиту рекомендуется подсоединять к сети без включения в розетку через качественную клеммную колодку. Можно использовать колодку в монтажной коробке, которая монтируется снаружи на стене или металлическую коробку для скрытой установки. Коробка ставится на расстоянии двух метров от электроплиты, на высоте не мене 0,6 метра от пола.
Включение через розетку
Распространенным вариантом подсоединения к сети является включение через розетку с обязательным использованием заземления.
Для этих целей в квартире или на кухне частного дома можно использовать розетку 3 типов.
Отечественного производства с верхним расположением заземления, развернутым на 90°.
Белорусского производства, которая отличается разворотом контактов на 120° относительно друг друга.
Европейского типа, где контакт для заземления находится внизу и имеет плоское сечение.
Если необходимость в монтаже проводки своими руками отсутствует, соответствующее оборудование в квартире или на кухне частного дома уже имеется, розетку необходимо проверить на фазу. Это делается с помощью электротестера.
Схемы
Вне зависимости от способа подключения через розетку или клемник плиту или варочную панель можно подключить к сети по трем схемам:
- однофазной;
- двухфазной;
- трехфазной.
Для приборов на 220В используется однофазная схема, на 380В двух или трехфазные варианты. Перед тем как подключить электроплиту или варочную панель, ее придется развернуть тыльной стороной и снять защитную крышку с клеммной коробки. Возможные схемы подключения обычно указаны на оборотной стороне устройства.
Одна фаза
Это самый распространенный вариант в квартире многоэтажки. Его можно использовать, когда стыковка выполняется трехжильным проводом. Оно легко выполняется своими руками. Чтобы правильно подключить устройство необходимо использовать перемычки. Они обычно идут в комплекте и зажаты болтами в клеммной коробке. Если их нет, можно приобрести медные перемычки с сечением 6-ть мм. Пять из шести винтов соединяются двумя шинами:
- одна шина соединяет винты обозначенные литерой «L» под номерами 1, 2, 3;
- вторая – используется для соединения номеров 4 и 5, обозначенных литерой «N»;
- последний остается свободным и будет использоваться для заземления.
При соединении провода распределяются следующим образом:
- фаза (черный или коричневый) на L1,2 или 3;
- ноль (синий) на N4 или 5;
- для заземления используется шестая клемма с обозначением PE.
Две фазы
Такая схема чаще применяется для частного дома, но ее можно использовать и в квартире. Стыковка выполняется четрехжильным проводом. В этом случае:
- одна перемычка ставится на L1 и L2;
- другая на N4 и N5;
- L3 и винт для заземления остаются свободными.
Чтобы подключить такую схему:
- желтая жила ставится на фазу A состоящую из клемм L1 и L2, соединенных перемычкой;
- жила в красной обмотке идет на расположенную рядом клемму L3;
- синего цвета ставится на нулевые N4 и N5, состыкованные перемычкой;
- желто-зеленая предназначена для заземления.
Три фазы
Этот вариант предназначен для частного дома, в квартире такая схема применяется редко. Несмотря на внешнюю сложность его так же легко реализовать своими руками. Выполняется кабелем из четырех или пяти жил. Здесь используется только одна шина для соединения расположенных рядом нулевых клемм N1 и N2. Жилы нужно подключить в следующем порядке:
- на фазу A, контакт L1 идет желтая;
- на фазу B, контакт L2 – зеленая;
- на фазу C, контакт L3 – красная;
- для расположенных рядом нулевых клемм предназначена синяя;
- для заземления светло зеленая или желто-зеленая.
При выполнении всех перечисленных работ своими руками необходимо потратить время на консультации со специалистами. Это убережет от непоправимых ошибок и позволит сделать все правильно.
Многие современные дома не газифицированы, поэтому у их жильцов нет выбора: установить можно только электрическую плиту. Конечно, рекомендуется делать это при помощи мастера, так как есть множество нюансов подключения. Если вы все же решили сделать это без помощи профессионалов, мы расскажем, как самостоятельно подключить элекроплиту.
Прежде чем осуществить подключение электрической плиты, необходимо правильно выбрать ее расположение на кухонном пространстве — для этого надо придерживаться простых правил.
- Место установки должно быть ровным, чтобы при регулировке ножками можно было обеспечить устойчивое ее положение относительно горизонтали.
- Длину провода
надо подбирать такую, чтобы свободно, при необходимости, отодвинуть бытовую технику от стены, не отключая ее от сети. - Пользователи должны помнить, что разогретая конфорка может нагреваться до 100°C, поэтому нельзя размещать плиту рядом с холодильником.
- При встраивании в кухонный гарнитур надо защитить пластиковые панели от перегрева в процессе эксплуатации электроприбора.
- В непосредственной близости от индукционной плиты
лучше не размещать другие электрические приборы — ее электромагнитное поле будет воздействовать на качественную их работу. Подробнее об этом можно прочитать .
При выборе места решающим фактором может стать зонт вытяжной системы, который должен находиться над варочной поверхностью или за ней, в зависимости от применяемого .
Основные требования
Установка и правильное подключение электрической плиты может не получиться, если не соблюдать специальные правила по установки электрических бытовых приборов.
Важно! Если выполнять все этапы подключения самостоятельно, то можно потерять право на гарантийное обслуживание техники в сервисном центре.
В условиях современной городской квартиры все работы выполнить легко — там строители уже установили специальную розетку или раздаточную коробку.
Это значительно экономит время и позволяет быстрее подключить электрическую плиту. А вот домовладельцам частных строений или жильцам старых квартир все надо будет делать самостоятельно, в точности соблюдая рекомендации, чтобы установка и последующее подключение к домашней сети электрической плиты было выполнено на профессиональном уровне.
Необходимые для проведения работ материалы:
- трехжильный кабель
с сечением 4-6 мм — это зависит от его длины: чем длиннее, тем толще сечение, чтобы выдерживать напряжение; - отдельный автомат
в щиток, чтобы правильно подключить бытовую технику (его покупают на 32 или 40А, что зависит от сечения кабеля); - УЗО
— устройство защитного отключения, которое охраняет дорогую технику от перенапряжения;
УЗО и автомат отключения — это обязательные составляющие принципиальной схемы подключения электроплиты, независимо от ее модели. Именно они уберегут вашу помощницу от довольно частых перепадов напряжения в городской электрической сети. Устанавливают их на одну монтажную рейку обязательно до счетчика, при этом номинальное значение УЗО всегда больше автомата. Также необходимо сделать рядом с домом .
Монтаж кабеля
Если строители вывели только трехжильный кабель, то для установки специальной розетки для электроплиты или клеммной коробки вам понадобится для углубления кабеля — эти работы требуют определенных навыков и занимают много времени, но в результате интерьер квартиры не пострадает, а кабель будет скрыт в стене. Перед этим пользователь должен решить, какой тип соединения будет актуальным:
- подключение напрямую;
- монтаж раздаточной коробки;
- установка розетки.
Напрямую
Такое подсоединение электрической плиты специалисты считают самым безопасным
, потому что отсутствие дополнительных проводов намного снижает риск перегревания техники. В новостройках строители очень часто не утруждают себя всякими коробками и розетками — они оставляют кабель заизолированным, а остальное пусть решают будущие жильцы.
Через клеммную коробку
Подключение электроплиты своими руками при отсутствии вилки на проводе
(такая ситуация характерна для многих современных моделей) возможно с применением клеммной или раздаточной коробки, которая присутствует в новых квартирах повышенной комфортности. Такая коробка устанавливается на стене кухни на уровне не ниже 60 см от пола, а плиту надо ставить не далее 2-х м от нее.
Она может быть выполнена из металла или довольно прочного пластика, сверху закрывается крышкой.
Внутри уже имеется подключение к домашней сети, вам остается только выяснить, как подключить электроплиту. Схема довольно простая: черный провод — это фаза, синий — ноль, а желтый — соответствует заземлению. Подключаем все три жилы к коробке, ориентируясь по цветовой гамме, и получается так, как показано на фотографии.
Проверяем затяжку соединительных винтов и закрываем крышку. В результате наших действий должно получиться, как на фото ниже.
Через розетку
Следующим видом подсоединения электрических приборов к сети является установка розетки специальной конфигурации и с обязательным заземлением.
Сегодня на кухне используют розетки трех основных видов.
Если нет необходимости делать проводку, то установленную розетку на кухне надо проверить специальным прибором для определения фазы.
Схемы подключения
Стандартные схемы подключения не зависят от выбранного вами способа подсоединения техники к домашней сети и бывают трех видов: одно-, двух- или трехфазными. Если ваша плита рассчитана на 220В, то надо использовать первый вариант, а если на 380В, то применяются второй и третий варианты.
Чтобы узнать схему подключения для приобретенной плиты, надо с тыльной стороны открутить защитную крышку на клеммной коробке — на ней указаны все возможные варианты.
Одна фаза
К однофазной сети
осуществляется подключение в городских квартирах многоэтажек, где вся проводка выполнена при помощи трехжильного провода.
Чтобы без ошибок подсоединить новую бытовую технику, надо использовать специальные перемычки из меди
сечением не менее 6 мм — они обычно присутствуют в распределительных коробках. Если по какой-то причине они отсутствуют, то их легко можно купить в магазине электротоваров. Соединение выполняется по следующей схеме:
- соединяем шиной винты № 1, 2, 3 с символом L;
- вторая шина соединит винты № 4 и 5, помеченные буквой N;
- оставшийся свободным винт с буквами PE используется для подключения заземления.
Провода распределять надо таким образом:
- черный или коричневый провод — это фаза, подключаем к клеммам L 1, 2 и 3;
- синий или ноль — закрепляется на № 1 и 2;
- зеленый — заземление крепим к соответствующей клемме.
Установленный порядок подсоединения разработан инженерами-специалистами в области электрических приборов и обсуждению не подлежит.
Двухфазное подключение
Подобная схема чаще всего применяется в частных домах, но можно ее применить и в квартире, когда проводка состоит из провода с четырьмя жилами.
В этом случае перемычку ставим между винтом №1 и L1, вторую — винты N4 и N5, а винт L2 и для заземления остается свободным (см. схема 2N). Как правильно подсоединить провода, показано на фото:
- желтый провод подключается к перемычке клемм L1 и L2 — это A фаза;
- красную жилу — к клемме L3, фаза C;
- синяя обмотка — к перемычке нулевых клемм №4 и 5;
- зеленый провод — это стандартное заземление.
Пользователям необходимо запомнить, что вилка при таком подключении используется с четырьмя штырями.
Три фазы
Такой вид подключения используется только в частных строениях или домах очень старой постройки
, в современных квартирах практически не используется. Внешняя сложность не должна пугать домашнего мастера — реализация этого подключения довольно легко выполнима при точном выполнении рекомендаций.
Устанавливаемый вариант использует кабель нестандартного сечения с количеством жил 4 или 5 шт., при этом применяется только одна шина для нулевых клемм № 1 и 2, жилы необходимо подключать в таком порядке:
- фаза A — провод желтого цвета подключается к контакту L1;
- B — контакт L2, жила с обмоткой зеленого цвета;
- C — L3, провод красного цвета;
- N — синий провод идет к шине нулевых контактов;
- заземляющий провод подводится к аналогичной клемме.
Совет! Прежде чем выбрать свой вариант подключения, проконсультируйтесь у специалиста, в дальнейшем это убережет вас от ошибок и позволит выполнить задуманное правильно и с хорошим качеством.
Перед тем, как включить печку, проверьте подключение всех конфорок
электроплиты (схема их подключения есть в инструкции по эксплуатации). Такая щепетильность избавит вас от короткого замыкания, которое может произойти из-за того, что при перевозке ослабло подсоединение проводки в одной из клемм.
После установки плиты на место постоянной дислокации включаем ее — о правильной работе известит индикатор, который расположен на панели управления.
Вот и вся методика самостоятельного подключения электрической плиты, которое не слишком отличается от подсоединения любого электрического бытового прибора. Аналогичным образом подключается и . Всем желающим стоит посмотреть это видео, прежде чем приступать к работе:
Людей, у которых есть электроплиты, отслужившие не один десяток лет, часто интересуют схемы подключения конфорок. Это неудивительно, ведь со временем эти элементы выходят из строя, и единственная возможность всё исправить — это установить новые конфорки.
В теории при идеальных условиях эксплуатации конфорки могут служить практически вечно, но так, конечно же, не бывает. Дело в том, что мы часто забываем их выключить, от чего ТЭНы накаляются до невообразимых температур. В некоторых случаях на поверхности перегоревших конфорок можно увидеть даже трещины. Но это касается только старых моделей, с новыми подобного не случается.
Когда перегорает конфорка плиты, то владельцу приходится задуматься о подключении нового элемента. Само собой, что без схемы здесь не обойтись. Конечно же, она должна быть в техническом паспорте изделия. Но нужно признать, что спустя 20 лет документы теряются или же приходят в нечитаемое состояние.
Внимание
! В идеале вы должны осуществлять подключение новой конфорки к электроплите точно по схеме, которая указана в техническом паспорте.
Схемы подключения популярных плит
Мечта 8
Это одна из самых продаваемых плит прошлых времён. Неудивительно, что на кухнях у многих людей можно увидеть именно её. Она состоит из таких ключевых узлов:
- ТЭН Е1+ Е2,
- ТЭН Е3-Е5,
- S1-S4,
- индикаторы.
ТЭНы E1-2 располагаются соответственно в конфорке 1 и 2. Это можно легко увидеть на схеме в технической документации плиты. ТЭН Е3-Е5 — это духовой шкаф. S1-S4 представляют собой коммутационный узел, при помощи которого можно осуществлять управление электроплитой.
Индикаторы, имеющиеся в электроплите, согласно схеме бывают двух типов HL1 и HL. Они отвечают за работу ТЭНов. Также в наличии HL3. Но это просто подсветка жарового шкафа, чтобы всегда была возможность посмотреть, в каком состоянии блюдо.
Внимание
! В большинстве конструкций используется тепловое реле Т-300. При этом мощность каждого ТЭНа — 1 кВт.
За регулировку степени нагрева отвечает переключатель S1. Он имеет четыре позиции, с помощью которых можно обеспечивать разную интенсивность огня. В первом положении замыкаются Р1-2 и Р2-3.
Когда это происходит, то активируется ТЭН E3. При этом ток пройдёт следующий маршрут:
- всё начинается с контакта ХР,
- потом идёт реле F,
- Р1-2,
- Е4-5 + Е3,
- Р2-3.
Первый пункт назначения — это контакт вилки. Данный нагревательный элемент имеет последовательное подключение к четвёртому ТЭНу и к пятому. Мало того, он параллельно соединён со вторым и третьим. Во всём этом вы можете легко убедиться самостоятельно, посмотрев на схему внизу.
Когда происходит переключение в положение под номером два, то активируются Р1-1 и Р2-3. Естественно, цепь, через которую проходит ток, меняется. Всё начинается с контакта вилки, находящегося снизу, который подписывается, как ХР. Потом следуют такие промежуточные точки:
- Р1-1,
- Р2-3.
Заканчивается всё штекером XP, который сверху. При активации данной цепи запускается исключительно ТЭН E3. Увеличения мощности удаётся добиться за счёт уменьшения сопротивления. Главное достоинство такой схемы подключения конфорки электроплиты заключается в том, что оно является возможным, при неизменном напряжении в сети, которое составляет 220 В.
Для S1 есть позиция номер 3. В таком случае происходит замыкание Р1-1 и Р2-2. Из-за этого происходит подключение ТЭНов Е4+5. Если же говорить про S4, то этот переключатель отвечает за работу лампы. На стандартной схеме работы конфорок электроплиты она имеет обозначение HL3.
Электра 1002
Второй, самой часто используемой в домах и квартирах электроплитой является Электра 1002. Поэтому знать о её схеме подключения конфорок — просто необходимо. К счастью, она не представляет особой сложности и в ней может разобраться даже новичок.
Итак, в наличии у электроплиты есть четыре конфорки, естественно, схема подключения у каждой из них своя. Первые два нагревательных элемента имеют индексы H1и H2. Их главным отличием является трубчатая структура.
Третья конфорка в схеме подключения электроплиты имеет индекс Н3. Она делается из чугуна и является довольно большой — 200 мм. Н4 также делается из чугуна. Её размер 145 мм.
За регулировку температуры отвечают регуляторы Р1 и Р2. У них, нет как таковых ступеней мощности. Но этот недостаток с лихвой компенсируют семиступенчатые переключатели П3 и П4. В свою очередь, ПШ отвечает за духовой шкаф и имеет 3 позиции.
За блокировку отвечает переключатель П5. Сигнальные лампы конфорок в схеме электроплиты это Л1-4. Пятая Л позволяет подсветить духовой шкаф. Также в наличии Л6. Она включается, когда в шкафу достигается соответствующая температура.
За нагрев духового шкафа отвечают соответственно элементы H5-6. Семёрка — это гриль. Терморегулятор обозначается простой буквой T. Также в наличии клавишный включатель — это B. Седьмая Л освещает духовой шкаф.
Внимание
! Моторедуктор обозначается как большая буква M.
Схемы для других популярных моделей
Безусловной, электроплиты Электра 1002 и Мечта 8 были одним из самых популярных в своё время. Но сейчас люди предпочитают покупать себе продукцию совсем других брендов, среди самых известных можно вспомнить Gorenje и Нansa. Именно их плиты большинство устанавливает у себя на кухнях.
Также можно вспомнить бренд «Лысьва». Конечно, их плиты сейчас мало кто покупает, если есть возможность приобрести продукцию более респектабельного бренда, тем не менее круг потребителей у компании довольно большой. В общем, ниже вы найдёте схемы подключения конфорок электроплит от самых популярных брендов.
С помощью этой схемы подключения конфорок электроплиты вы легко выполните все работы самостоятельно. Но для их качественного выполнения не помешают хотя бы базовые знания работы электросетей и электрических приборов.
Нюансы подключения ТЭНа и его проверка
ТЭН обеспечивает нормальную работу конфорки электроплиты. Фактически это её основной элемент, без которого невозможно нормальное функционирование всей схемы. Но чтобы всё прошло нормально, необходимо учесть множество нюансов. Среди основных:
- Контактные соединения не должны касаться корпуса электроплиты, иначе подсоединение может окончиться плачевно.
- Контакты необходимо качественно заизолировать. Лучше всего для этой цели подойдёт кембрик. В крайнем случае вы можете использовать обычную изоленту. Но её надёжность не в пример хуже.
- Очень важно протестировать ТЭН конфорки электроплиты, чтобы подключение по схеме было успешным.
Чтобы протестировать ТЭН конфорки электроплиты вам понадобится специальный прибор. Его называют омметр. Мультиметр также вполне сгодится для этой цели. Эти приборы созданы для того, чтобы измерять сопротивление в схеме.
Если вы используете мультиметр, то для начала необходимо настроить соответствующий режим измерения. Дальше два провода необходимо подсоединить к соответствующими гнёздам.
После этого нужно включить прибор. При помощи двух щупов вы сможете измерить сопротивление ТЭНов. Чтобы это сделать необходимо щупами осуществить подключение к контактам ТЭНа конфорки для электроплиты.
Если вашим измерительными прибором является цифровой мультиметр, то после подключения его щупов к контактам — дисплей сразу покажет результат. Возможны три положения:
- разрыв,
- полная непригодность,
- сопротивление.
Само собой, чтобы осуществить подключение ТЭНа конфорки к электроплите согласно схеме необходимо, чтобы мультиметр показал третье положение. В противном случае ничего не получится.
После подключения ТЭНа электроплиты у каждого человека возникает вопрос, а будет ли после этого работать конфорка? Все ли провода подсоединены правильно? Особенно это верно, когда речь касается конфорок.
Внимание
! Диагностика подключения всех проводов ТЭНа к общей схеме электроплиты должна проводиться в пассивном состоянии.
Для диагностики вам понадобится всё тот же прибор. Перед тестированием отключается нагрузка электроплиты, включается переключатель мощности и осуществляется подключение щупов к вилке. Дисплей покажет соответствующий результат.
Итоги
Осуществить подключение конфорки и всех её элементов к электроплите по схеме несложно. Достаточно иметь соответствующую схему и базовые знания функционирования электрической сети и электроплиты.
Не во всех местностях газ подведен к жилым зданиям. В таких ситуациях приходится обходиться электрическими плитками. В обиходе еще остались старые модели. С ними иногда происходят неприятные ситуации, которые требуют замены определенных элементов. Нелишней будет схема подключения конфорки, т. к. часто именно ТЭНы выходят из строя и требуют замены.
Распространенные модели
В своей задумке нагревательные элементы для старых плиток не должны ломаться, но это все равно происходит. Связано это может быть с тем, что нагреватель плитки долгое время работает вхолостую после того, как его забыли выключить, или происходит резкий скачок напряжения, который сказывается на конфорке. Если на поверхности ТЭНа видны механические повреждения в виде трещин, тогда можно точно сказать, что он разогревался до очень высоких температур. Изначально схема по подключению находится в паспорте изделия. В случае его удовлетворительного состояния ее легко уточнить, но чаще всего такие документы утеряны или их уже выбросили, тогда можно воспользоваться руководством, которое будет дано в статье.
Электра
Электра является одной из тех плит, которые устанавливались в новостройках или докупались самостоятельно. Речь идет о плите с модельным номером 1002. Схема, которая была разработана конструкторами для подключения не отличается особой сложностью, поэтому разобраться сможет даже человек, далекий от электричества. На верхней части плиты находится четыре нагревательных элемента. Каждый из них обозначается цифрой от 1 до 4 и имеет буквенный индекс «Н». Первые две конфорки плиты являются именно ТЭНами, т. е. трубчатыми нагревателями. Элемент под порядковым номером 3 выполнен из чугуна и имеет большой диаметр в 20 см. Четвертый элемент выполнен подобно третьему, но его диаметр немного меньше и составляет 14 см.
На каждую конфорку плиты идет свой переключатель. Они также имеют цифровое обозначение, но первые два имеют приставку из буквы «Р», а третий и четвертый — из буквы «П». Последние имеют преимущество регулировки мощности на семь ступеней, что позволяет выбрать требуемый режим. Духовой шкаф плиты имеет отдельный регулятор на три положения. Он обозначается сокращением «ПШ». Индикаторные лампы на схеме имеют обозначение буквой «Л» и порядковым номером от 1 до 4, который также соответствует и номеру конфорки. Для духового шкафа также есть своя лампа, которая обозначена цифрой 5. В духовке находятся еще два нагревательных элемента, которые обозначены цифрами 5 и 6 с соответствующей буквой. Седьмой нагреватель находится в верхней части духовки и представляет собой гриль.
Замена любого из ТЭНов заключается в том, что он первым делом демонтируется с плитки. Для этого придется снять защитные колпаки и планки. Во время разборки можно проследить, куда в плите уходят проводники от конкретного нагревателя. Если провода расплавились, тогда уточнить этот момент можно по схеме, которая приведена выше. На ней также находится порядок подключения питающей линии. Новый нагреватель просто устанавливается в плиту, фиксируется и подключается.
Мечта
Еще более популярной, чем Электра, была плита Мечта с модельным номером 8. Она представляет собой небольшую духовку, на верхней грани которых располагается два ТЭНа. На схемах к этой плите нагреватели, которые находятся на конфорках обозначаются цифрами 1 и 2, рядом с ними находится буквенный индекс «Е». Нагреватели с 3 по 5 находятся внутри духовки. Основной модуль, благодаря которому выполняется настройкой обозначается цифрами 1 по 4 и имеет индекс S. В конструкции предусмотрены световые индикаторы. Они могли сигнализировать о работе конфорок, ТЭНов внутри духовки и просто подсветку. В паспорте они обозначены как HL и имеют цифры от 1 до 3.
Обратите внимание!
На схеме также можно найти элемент с обозначением Т-300. Это тепловое реле, которое отвечало за отключение при достижении определенной температуры.
В плите реализована возможность управления интенсивностью нагрева. Оно производится переключателем S1. Благодаря замыканию контактов электрический ток поступает от вилки, которая обозначена XP и через предохранитель F подается на нагреватель, который находится в духовке. Он соединен последовательно с остальными ТЭНами, которые находятся в духовке. Это означает, что до того, как выполнить замену, необходимо определить, какой конкретно нагреватель вышел из строя. Сделать это можно изменением положения переключателя в такое положение, чтобы питание подавалось отдельно на один или два нагревателя в духовке. Для каждой конфорки также есть свой переключатель. На схеме обозначено, как идут провода для подключения каждого отдельного нагревателя.
Лысьва
Еще одним производителем, который довольно часто встречался раньше является Лысьва. Например, ниже приводится схема, которая позволит заменить конфорку на плите, которая имеет три основных нагревателя и те, что находятся в духовом шкафу. Каждый нагреватель на конфорке имеет 6 режимов регулировки. Выполняется задача путем повышения или уменьшения сопротивления проводников. На схеме видны установленные резисторы. По три из них идут на каждый ТЭН и еще четыре на духовку. Руководствуясь тем, как идет ток по схеме, можно легко установить новый нагреватель. В конце статьи будет видео о подключении конфорки с четырьмя выводами.
До того как приступить к замене элемента на плите, необходимо убедиться, действительно ли он вышел из строя. Обычной прозвонкой этого сделать практически невозможно, т. к. ТЭН имеет свое сопротивление. Именно сопротивление и необходимо проверять. Производитель указывает, какое значение является нормальным для исправного узла. Необходимо закрепить два щупа мультиметра на контактах нагревателя и переключиться в режим измерения сопротивления. По окончании процесса необходимо свериться с эталонным значением.
Обратите внимание!
Замер сопротивления необходимо производить на демонтированном нагревателе, в противном случае будет выведено значение всей системы.
Во время монтажа будьте внимательны на местах соединения. Все оголенные провода необходимо заизолировать с помощью изоленты или термоусадочной трубки. Ни один оголенный провод не должен касаться корпуса плиты. При выполнении работ по замене, необходимо обесточить плиту. Весь инструмент, который будет использоваться, должен иметь диэлектрические рукоятки, которые не пропустят разряд, который может быть в конденсаторах, если они присутствуют в схеме.
Заключение
Как видно, имея схему, выполнить замену нагревателя не так сложно. Никогда не стоит спешить отключать какие бы то ни было провода. Лучше для начала сфотографировать их на смартфон или цифровую камеру, чтобы знать, как выполнять подключение в обратном порядке.
Все больше входят в обиход городских жителей. Связано это с расширенными возможностями такого оборудования и запретом на подвод и монтаж газовой системы в многоэтажных домах. Рассмотрим, как правильно произвести подключение плиты электрической.
Виды электроплит
Существует несколько классификаций.
По материалу исполнения:
- Эмалированные. Нагревательный элемент в таких моделях бывает двух видов: блинный (чугун), спиральный. Существуют комбинированные варианты с подключением к газу и электросети.
- Стеклокерамические. Нагревательным элементом в таких плитах служат спираль, гофрированная лента, галогенные лампы.
- Индукционные. Их можно отнести к подвиду стеклокерамических плит, но вместо нагревательного элемента встроена электромагнитная катушка.
По конструкции:
- Отдельно стоящие. Такая техника может в своей комплектации иметь духовой шкаф.
- Настольные. Популярность обусловлена компактностью, мобильностью. Часто подключение плиты электрической такого вида применяют на даче. Существуют модели со встроенным духовым шкафом.
- Встраиваемые. Эта техника получила огромную популярность за счет своей эргономичности. Существующий ассортимент позволяет вписать такое оборудование в любой интерьер. Как правило, такая техника делится на варочную поверхность и духовой шкаф.
По количеству комфорок: от одной до шести.
По интенсивности использования:
- бытовые;
- профессиональные.
По потребляемой мощности:
- маломощные (с возможностью подключения к сети 220 В);
- мощные (подключение электрической плиты своими руками к 380 В).
По виду управления:
- механические;
- сенсорные.
Как видно, наряду с классическими моделями в наше время можно приобрести и «умную» технику.
Рассмотрим, как работает каждый вид бытового оборудования такого плана.
Конструктивные особенности. Принцип работы
Каждая электроплита имеет свои конструктивные особенности.
Эмалированные
Нагревательным элементом является спираль из металла с высоким удельным сопротивлением. Принцип работы основан на выделении тепловой энергии при прохождении тока через резистивный нагревательный элемент. Это характерно и для сплошных (чугунных) моделей, и для спиральных. Есть лишь одно отличие: в первом варианте нагревательный элемент находится внутри конфорки.
Стеклокерамические
Принцип работы такой же, как и в эмалированных плитах, с той лишь разницей, что нагревательный элемент может быть не только классической спиралью, но и гофрированной лентой, галогенными лампами.
Индукционные
А вот эта техника отличается принципом работы. Нагревательный элемент — электромагнитная катушка, которая, пропуская через себя ток, создает поле. Оно, в свою очередь, формирует наведенные высокочастотные токи в посуде. Наведение происходит за счет силовых линий через дно посуды. Поэтому для таких плит нужна специализированная кухонная утварь.
Как видно, принцип работы индукционных моделей значительно отличается от других вариантов. Какая же техника лучше?
Преимущества и недостатки
Подключение плиты электрической к сети неизбежно независимо от вида. Рассмотрим каждый вариант с точки зрения достоинств и недостатков при эксплуатации.
Эмалированные
Отличаются простотой конструкции, умеренной стоимостью и легким ремонтом по невысокой цене. Для мытья используются обычные, доступные чистящие средства. Что касается недостатков, то открытая спираль — опасность получения удара током в момент эксплуатации, нужна частая замена спирали. Для чугунных минус — долгое время нагрева и остывания, соответственно, повышенные затраты на электроэнергию.
Стеклокерамические
Варочная поверхность обладает высокой теплопроводностью, что позволяет нагревать посуду и пищу значительно быстрее, чем это делает классический вариант, а это значительно снижает затраты на электроэнергию. Возможность установки точного нагрева. Нагревательный элемент защищен стеклокерамическим покрытием, что значительно продлевает его жизнь. Уход за поверхностью производить значительно легче, она имеет идеально ровную плоскость. Цена на технику такого плана значительно выше, дороже и сложнее ремонт, для мытья противопоказаны абразивы и чистящие порошки, для приготовления требуется специальная посуда с плоским гладким дном. Если в модели предусмотрены низкие борта, то при разливе пищи она может утекать на пол.
Индукционные модели
С точки зрения экономии электроэнергии самый выигрышный вариант. Конфорки начинают нагреваться только в том случае, когда на плите стоит кастрюля, если ее убрать, то происходит автоматическое отключение. В остальном этот вид техники обладает преимуществами, характерными для стеклокерамических моделей, но цена на ремонт и само оборудование значительно выше. Более того, к посуде предъявляется еще одно требование — магнитные свойства.
Выбирая ту или иную модель, следует обратить внимание на технические данные, узнать, есть ли возможность осуществить подключение плиты электрической к имеющейся проводке (розетке).
Важные характеристики при выборе
Приобретая новую технику, следует опираться на ряд технических данных:
- Габариты. Следует замерить 3 параметра: ширину, глубину, высоту.
- Потребляемая мощность. В зависимости от производителя, модели, наличия духовки она может колебаться от 1,5 кВт до 8 кВт. Лучше брать классом не ниже «А». Такое оборудование позволит экономить на электропотреблении. Эти данные указаны в паспорте на технику.
- Комплектация. Наличие кабеля и штепселя от завода. Чаще всего они отсутствуют.
Все остальные параметры подбираются на основе личных предпочтений.
Определившись с моделью, производят ревизию существующей электропроводки. Если мощность техники не совпадает с сечением кабеля, потребуется его обязательная замена.
Условия подключения
Современные плиты имеют большую мощность, поэтому перед тем, как приобрести выбранную модель, надо оценить имеющуюся систему электропроводки. Чаще всего такая техника продается без вилки и провода, потому что подключение плиты электрической заводы предусматривают тремя способами. Нужный выбирается на месте установки, к которому предъявляется ряд требований.
Необходимо наличие на месте свободного конца провода до 2-х метров. Это позволит в дальнейшем передвигать технику для ремонтных работ или для мытья пола под ней.
Сечение кабеля должно соответствовать заявленной потребляемой мощности. Еще лучше, если заложен запас. Особенно актуально это для интенсивного использования плиты и духовки.
Кабель должен быть цельным, без спаек и соединений.
Проводка для плиты подводится отдельная, а в щитке должен быть предусмотрен отдельный автомат.
Вне зависимости от модели бытовая техника чаще подключается через силовую розетку. Но для начала рассмотрим, какой кабель нужен для подключения электрической плиты.
Подбор провода
В многоквартирных домах чаще всего предусматривается однофазное подключение плит, поэтому строители оставляют свободный конец провода с сечением 4 мм 2 . Такие параметры подходят для плит мощностью не более 13 кВт.
Если проводка не предусмотрена, устарела, то следует правильно подобрать провод для подключения электрической плиты, который должен отвечать следующим параметрам.
Жилы должны быть только медные (установлено нормативным документом ПУЭ 7.1.34).
Имеет значение количество жил. Для квартир чаще всего встречается однофазное подключение, кабель для него берется трехжильный (фаза L, ноль N, земля PE). В частных домах может быть предусмотрено трехфазное, кабель пятижильный (три фазы L1 L2 L3, ноль N, земля PE).
Для сети 220 В должно быть не менее 6 кв. мм, согласно СП 31-110-2003 (п.9.2). Это среднее значение, величина может меняться в обе стороны в зависимости от технических данных самой плиты. Для трехфазного монтажа кабель должен быть пятижильный сечением не менее 2,5 кв. мм. Определить сечение кабеля можно, воспользовавшись специальными калькуляторами или таблицами.
Марка кабеля требуется ВВГ; ВВГ-нг; ПВС; ШВВ. Для подключения плиты к сети можно использовать ПВС или КГ.
Прокладка провода должна осуществляться отдельно.
Обязательно наличие отдельного автомата в щитке. УЗО по нормативным документам можно не ставить для бытовых приборов. Но учитывая, что электроплита является повышенным источником опасности, лучше предусмотреть. Автомат для однофазной установки выбирается с номинальным током 32 А (УЗО на 40 А), для трехфазных — трехполюсной автомат на 16 А, УЗО на 25 А.
Кабель для подключения электрической плиты должен прокладываться отдельной линией, на него нельзя навешивать другие точки (розетки, освещение). Чаще всего применяется скрытая проводка.
Подбор и установка силовой розетки
Определившись, какой кабель нужен для подключения электрической плиты, выбирают силовую розетку.
Она должна отвечать следующим требованиям:
- номинальный ток розетки и вилки должен соответствовать параметрам автомата и количеству жил провода;
- вид силовой розетки зависит от способа прокладки кабеля (скрытая или открытая);
- следует покупать изделие, выполненное из качественных негорючих материалов.
Следует учесть ряд моментов для монтажа розетки:
- установка осуществляется на ровную негорючую поверхность;
- нельзя устанавливать вблизи горячих поверхностей, системы отопления, водоснабжения;
- подключение жил нужно производить согласно схеме, не путая цвета;
- винтовые зажимы должны прочно фиксировать контакты;
- после установки нужно проверить на отсутствие замыкания.
После монтажа розетки приступают к монтажу самой техники.
Установка и подключение электрической плиты
После доставки техники ее следует распаковать и проверить на комплектность, отсутствие видимого брака. Перед началом работы стоит внимательно изучить инструкцию и схему подключения. Убрать лишние комплектующие, установить по уровню.
Открутить на задней стенки оборудования панель, закрывающую клеммы. Там же дублируются три схемы подключения.
Как уже говорилось ранее, редко какие производители поставляют бытовые модели с проводом и силовым штепселем. Поэтому покупка кабеля и с вилкой осуществляется самостоятельно. Рассмотрим три способа, как сделать подключение электрической газовой плиты своими руками.
Однофазное
При таком монтаже фаза (красный) подключается к клеммам L1, L2, L3. Так как провод трехжильный, то на контакты устанавливают медные перемычки (они идут в комплекте с техникой). На N1, N2 устанавливают ноль (синий) и медную перемычку. РЕ — земля (зеленый). Все контакты затягиваются, кабель фиксируют специальным зажимом. Крышку устанавливают обратно. В розетке предусмотрено 3 контакта: верхний — земля, два нижних — фаза и ноль.
Трехфазное
Отличается от предыдущего подключением фазы. Для каждой клеммы свой провод. Следует соблюдать цвет согласно схеме. Все остальное производится аналогично однофазному.
Двухфазное
На фазу L1, L2 ставим перемычку и подключаем один из концов фазы, на L3 — второй. Остальная установка производится аналогично двум предыдущим.
После монтажа нужно произвести тестовый запуск согласно инструкции на технику.
Подключение электрической плиты самостоятельное не вызовет трудностей, если соблюсти инструкцию и технику безопасности при монтаже. Все работы должны выполняться с обесточенной системой.
Особенности монтажа некоторых марок
Подключение электрической плиты Gorenje может производиться и по однофазной схеме, и по трехфазной. Все зависит от возможностей электросети. Все этапы работы описаны выше. Подключение также не имеет никаких особенностей и осуществляется по общей схеме.
Стоит обратить особое внимание на гарантийные обязательства. Неправильный монтаж может привести к поломке техники, а это будет причина для отказа сервисного центра осуществить бесплатный ремонт. Поэтому если не уверены в своих силах, то лучше осуществить монтаж руками специалиста, который имеет специальную лицензию на такие работы. В паспорте ставится отметка о подключении на случай недоразумений.
Подключение газовой электрической плиты
Конструкция такой техники позволяет использовать и электросеть, и газ. Существует два варианта исполнения: с монтажом к сети газораспределения и газовым баллоном. Следует знать, что для использования газового оборудования в многоквартирном доме, в котором такая система не предусмотрена, потребуется получение специального разрешения.
В остальном можно отметить два важных момента: подключение к сети газораспределения должен выполнять специалист газовой компании-поставщика, который ставит соответствующую отметку в паспорт. В дальнейшем эта организация проводит техническое обслуживание оборудования. Монтаж к сети особых требований не предъявляет. Для достаточно евророзетки с заземлением на 16 А.
Заключение
Как видно, осуществить подключение бытовой электрической плиты самостоятельно можно.
Но если нет уверенности в своих силах, лучше обратиться к специалисту. В дальнейшем это снизит затраты на платный ремонт техники из-за неправильного монтажа.
Итак, мы выяснили, как производится подключение электрической (газовой) плиты своими руками.


















































































