Фотобанк StylishBag
МЕНЮ
Обновлено: 24.09.2023
Читайте также:
- Карта уфы с транспортом онлайн
- Карта любви и судьбы
- Нарисовать животного простым карандашом
Сломался Ups Ippon Smart Power Pro 1000, схемы, описание диагностики и ремонта
Если Вы попали на эту страницу, рискну предположить, что у вас сломался Ups Ippon Smart Power Pro 1000 ).
Эта статья написана чайником для «чайников» на основе личного опыта ремонта сего чудесного девайса.
Начну с главного, первый вопрос: с чего начать? начать следует с включения памяти, постарайтесь вспомнить, когда Вы его покупали и где находятся документы.
Если с момента покупки прошло мене 2 х лет, то самый правильный вариант — обратиться в официальный сервисный центр, список сервисных центров можно посмотреть на официальном сайте www.ippon.ru в разделе «Поддержка» www.ippon.ru/support есть пункт: «Адреса сервисных центров по всей России».
После нахождения удобного для Вас сервисного цента настоятельно рекомендую позвонить туда и поговорить, по человечески ), без понтов изложить суть проблемы и спросить возможные варианты и когда можно привезти ибп и нужна ли коробка и все комплектующие бывшие в коробке при покупке.
Далее будет приблизительно следующее: если неисправность мелкая, типа акб поменять или «проводок отвалился )» Вам его быстро починят, если же проявилась «типичная неисправность» в виде выгоревшей схемы зарядки акб, то вероятно по прошествии нескольких недель, Вам предложат написать заключение о неисправности и обратиться с этим заключением в магазин где Вы покупали сей чудесный ибп) и при Вашей достаточной настойчивости очень возможно Вам вернут деньги, если у Вас сохранились чек и полная комплектация девайса, я очень рекомендую пойти именно этим путём, так как гарантийный ремонт Ups Ippon Smart Power Pro 1000 может затянуться, в моём случае мне выдали упс через 6 месяцев, и в итоге он оказался «не совсем рабочим»).
Почему Ups Ippon Smart Power Pro 1000 ломаются? Самая вероятная причина банальна — перегрев, причина перегрева так же проста, для перегрева достаточно прижать ибп одной стороной к стене/ножке стола или другому предмету, по прошествии некоторого времени в один прекрасный момент, летом в жару ), вентиляции становится недостаточно и элемент Q33 — 2SK3700/2SK2610 (5A 900V) перегревается, его пробивает высокое напряжение и он с фейерверком и шумовыми эффектами утаскивает с собой все связанные с ним элементы.
По сути разработчики немного сэкономили на радиаторе для Q33 ну рублей 10 примерно, и получилась вот такая типичная неисправность/болезнь. После удачного ремонта я прикрутил на Q33 радиатор, с термопастой разумеется, радиатор великоват конечно, можно и поменьше размером поставить.
Про аккумуляторы..
Родные акб сдохли ровно через год, стояли акб с маркировкой CSB BATTERY UPS 12360 7 F2 12V360W/Pcs/9.6V/5Min и датой выпуска 07.13 года.
Обратите внимание на третье фото, дальним лежит акб с датой выпуска июль 2006 года, его я вынул из ибп (на работе) в 2015 году, отработав 9 лет он ещё живой, ёмкости конечно уже не осталось.
Причина преждевременной кончины родных акб мне неизвестна, за год может быть раза три я ибп запускал без сети типа «для проверки», ну и раз пять скачки напряжения были и всё ). Недавно появилось интересное видео: Правильная зарядка AGM или почему бесперебойники убивают аккумуляторы , возможно таки всему причиной банальный перегрев. Перед тем как сдать иппон на ремонт я замерял напряжение на акб при включенном в сеть ибп, тестер показывал 27,5 вольт.
В итоге они потеряли ёмкость, и на сегодня в них осталось ёмкости только «срабатывать при скачках напряжения».
————————————
Добавлено 09.09.2017г.
Одной из возможных причин смерти акб возможно является глубокий разряд ниже 12 вольт;
Напомню, ИБП отключается при суммарном напряжении на акб ниже 21 Вольта, а нюанс в том, что акб кальциевые (Ca/Ca), а кальциевые акб категорически не переносят разрядов ниже 12 вольт.
Материал с сайта: https://www.drive2.ru/l/5914573/.
Официальные рекомендации от Мазды гласят, что если плотность электролита аккумуляторной батареи составляет менее 1,17 г/см3 (Battery SOC составляет менее 25%, что соответствует напряжению менее 12В), то такая батарея подлежит замене новой, так как в этом случае восстановить нормальное функционирование аккумуляторной батареи с помощью ее заряда уже невозможно (!).
Кальциевые автомобильные АКБ лучше вообще никогда не подвергать глубокому разряду, а если разряжать, то не ниже 11,5В (при этом с риском не вернуть назад прежнюю ёмкость АКБ)
или 12В (неглубокий КТЦ), т.к. 12В НРЦ (напряжение разомкнутой цепи) на свинцовом АКБ говорит о 0% его ёмкости (напряжение 100% заряженного АКБ составляет 12,7В).
Большинство информации почерпнуто мной отсюда: CAR AND DEEP CYCLE BATTERY FAQ 2015 , а также личными «опытами» и наблюдениями.
Так же, всем фомам неверующим — обязательно к прочтению этого сообщения!
———————————-
Добавлено 04.05.2019г.
При выборе АКб рекомендую к прочтению интересный материал с сайта www.h-energy.ru/akkubattery/, так же на сайте есть рекомендации и подробные описания различных АКБ.
———————————-
Пришлось долго выбирать акб на замену, в итоге мой выбор остановился на акб YUASA REW45-12, купил 2 штуки за 3180 рублей, дорого конечно, цена на мой взгляд завешена, раза так в два ) ну а что делать? отечественных акб для ибп в продаже не нашёл.
Аккумуляторы имеют дату выпуска июнь 2015 года, и вероятно их немного подзарядили, после установки в ибп АРС он заряжал их ещё почти сутки).
Конечно можно было купить акб и подешевле например такие: Тестирование двух аккумуляторов Security Force SF 1207 как обманывают потребителей, или такие: Тестирование аккумулятора Security Force SF1212. Или как пенопласт начал накапливать энергию))), или вот ещё вариант Новинка в «качестве» аккумуляторов.
Думаю будет правильным кратенько изложить свою пред историю владения Ups Ippon Smart Power Pro 1000:
Приобрёл сей чудесный девайс в декабре 2013 года за 4 тыщи рублей с хвостиком для работы в связке с домашним компом (в то время я много работал с видео, и скачки напряжения во время кодирования видео при максимальной нагрузке на системник могли привести к печальным последствиям).
В декабре 2014г сижу за компом, тут бац, скачёк, напряжения и комп выключился..
Ну думаю это не порядок, ищу документы, вроде гарантия же была, нашёл…
Покупал в МЭЛТ, это не большая фирма, десяток магазинов, и даёт свою гарантию 1 год, так вот, когда я её нашёл, гарантия кончилась неделю назад… облом однако.
Ну плюнул на гарантию, купил пару новых акб, поставил, работает.
Прошло три месяца…
Сижу за компом, тут бац, скачёк, напряжения и комп выключился..
Ну думаю это жжж уже не спроста )
Потыкал кнопки, все какие были ), выяснил следующее: ИБП включается и выходит в режим готовности при наличии напряжения в сети, при отключении сети отключает нагрузку и пищит, горят лампочки верхняя и вторая снизу.
Далее на работе: настрочил на оф. сайт иппон, просил выяснить мой серийник на гарантии или уже нет? ответа так и не дождался, в поисках «головной» фирмы добрался до следующего:
Торговая марка ippon принадлежит nippon-klick, сайт http://nippon-klick.com.
Но почему то сайт nippon-klick.com в то время не загружался.
Установил прогу Winpower с диска шедшего в комплекте с ибп, программа показала напряжение на акб 27.5 вольта.
Открыл блок акб, в выключенном состоянии напряжение на клеммах акб 26,3 вольта, при подключении в сеть напряжение начинает расти до 27.1 и останавливается (тестер очень старый, возможно не точно показывает) но суть: зарядка на акб идёт, поставил на место родные акб, зарядил.
При включении ибп звучит короткий сигнал и ибп выходит на готовность.
При отключении питания сети ибп пищит и отключает нагрузку, и напряжение на акб падает до 26,3 вольт.
В общем решил попробовать вариант с гарантией, на оф.сайте иппон 2 года написано или до 30 месяцев с даты изготовления, у нас в городе есть оф. сервис иппон, АККОМ называется, собрал всё что было, коробку, документы, и повёз ибп в АККОМ.
В сервисе вежливо выслушали, забрали ибп и гарантийный талон, дали документ, сказали как выяснят суть вопроса, так сразу и позвонят, коробку со всеми документами вернули.
Срок ремонта до 45 суток. Сдал в ремонт в Апреле 2015 года, забрал в Сентябре того же года). В итоге мне выдали «работающий» ибп, за время пока ибп чинили, прочитал много всего, и решил приладить радиатор на Q33. Когда забрал ибп с ремонта, особо тестировать не стал, решил сразу врезать кулер и приладить радиатор, а потом уже потестить). Только после тестирования я понял, что цепь зарядки не работает должным образом, а корпус я уже попилил ). Ну и после этого началась эпопея поиска неисправности.
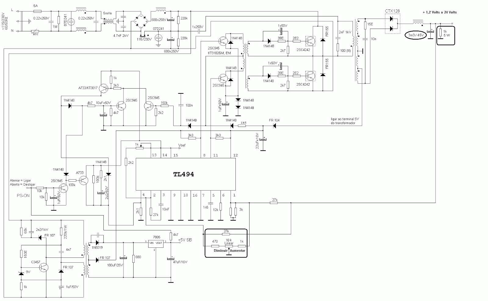
Прикладываю несколько схем, размещённых на форуме сайта «Паяльник« в теме: Ups Ippon Smart Power Pro 1000, рекомендую полистать тему, прежде чем ковырять упс ).
![]() |
![]() |
![]() |
![]() |
![]() |
На первом рисунке схема цепи зарядки в «нормальном» размере рекомендую, распечатать на А4 пару копий )
Описание работы микросхемы U15 UC3843 подробнейшим образом изложено в видео : «Принцип работы ШИМ контроллера UC3843 в импульсном блоке питания». Автору большое спасибо, именно благодаря его видеоролику мне удалось выявить причину и починить свой ибп. По правде сказать мне понадобилось три дня просмотра этого видео, ну с перерывами конечно ) в общей сложности раз 20-ть посмотрел) пока доехал почему у моего ибп напряжение на клемме акб 20 вольт, вместо нужных 27,5 вольт.
После разборки в первую очередь проверить U1 если соседние две или три ноги звонятся между собой и на массу (у моей второй платы кз были на U1 отпаял 8(+) и 9(-) ноги, 8 (+) накоротко звонится с 11, 12, 13 и 16 ногами), то вероятно «мозг» пострадал, и починить его не представляется возможным, если быть точным, я не знаю чем эту микросхему можно заменить.
Если короткого замыкания на соседних ногах нет, двигаемся дальше.
Рассматриваем все резисторы, конденсаторы и прочие элементы, все подозрительные записываем на бумаге.
На смд резисторах внимательно смотрим на надписи, на «нормальных» резисторах надписи белого цвета и хорошо читаются, если надпись не белого цвета или её не видно, записываем номер резистора, его нужно обязательно проверить на обрыв и на сопротивление, по моему маленькому опыту скажу, все резисторы со » странностями» были неисправны, цена вопроса 1 рубль.
Для ремонта я использовал: паяльную станцию с феном и всеми приблудами ( это на работе было, взял попользовать )), разные жала, флюс, припой олово отсос и прочее), тестер, увеличительное стекло, шило для «отковыривания» смд деталей от платы, они к ней приклеены ), так же рекомендую использование иглы от 20 ти кубового шприца, острая часть иглы сточена полностью и «доведена» алмазным надфилем, посмотреть процесс можно по ссылке: «Как выпаять микросхему иголкой от шприца»
Так же понадобился паяльник на 40-100 ватт для отпайки и припайки Q33, очень массивный элемент, а паяльник станции показался мне слабоватым.
В общем задача выглядела так: выявить все неисправные элементы, заменить и попробовать запустить.
Для тестового запуска ибп я использовал в качестве предохранителя в сети 220 вольт обычную лампу накаливания на 95 ватт подсоединённую последовательно, её задача не дать протекать по цепи большому току, и возможно, убережёт от выгорания дорожек в случае чего )
В цепи 24 вольт для «предохранения» использовал обычную автомобильную лампочку накаливания 12 вольт 21 ватт, уставил её вместо перемычки между акб, в начале ставил две лампы параллельно, потом выяснил, что запуска ибп и тестирования цепи зарядки одной лампочки вполне достаточно. При силе тока в цепи 1 Ампер нить слегка краснеет ) и сберегает ибп в случае «нештатных ситуаций».
Чинил я свой иппон долго, почти три месяца), а неисправность была копеечная.
Поиски привели к R 204 (402к) впаянный в цепь показывал 100к и сопротивление потихоньку росло.
Так как деталь мелкая, решил выпаять перемычку, то есть «разомкнуть одну ногу, замерил, 280к.
Сходил в магазин, в наличии 402к не было, взял 390к, снял родной, замерил — 400к ), выпаивал феном, может быть как то повлияло ?
Впаял 390к, ничего не изменилось, зарядки нет.
Добавил 20к, при подключении сети ибп начал клацать релюшками и моргает сетевая лампа 95 ватт, если правильно понял, большая нагрузка, напряжение падает, ибп выключается и снова включается.
Поставил лампу 150 ватт, ибп запустился, отдельно подзарядил акб до 25 вольт.
При включении в сеть снял клемму с акб, на снятой клемме 28,6 вольт, ибп работает устойчиво, при подсоединении клеммы начинает клацать релюшками и моргать лампой, сейчас сниму 20к.
Снял 20к поставил 12к итого: 390+12 = 402к ну понятно номинально )
Включил в сеть напрямую, получилась интересная картина, при снятии клеммы с акб напряжение медленно растёт с 25 вольт, до 26 вольт по десяточке за пару секунд.
Ибп отключил кулер, на клеммах 26,8 вольта на 2 pin 2,5 вольт
Видимо не просто так прилепили разъём CN11 есть тут какой то подвох, может быть сопротивления на делителе подбирают)
При замене R204 обратил внимание на «плавающее» напряжение, пришёл к выводу, что флюс под замененным элементом R204 меняет общее сопротивление. Выпаял R204, протёр «всю округу» спиртом, впаял без флюса, напряжение стабилизировалось и сейчас держит 27,6 вольт.
На сегодня R204 у меня представляет из себя домик ) стойки 390 и 12 кило Ом, между ними капля лака, для фиксации ), а сверху я накладывал разные сопротивления ), в итоге сверху лежит 1 Ом ). Напряжение на акб у меня получилось 27,6 Вольта, программа Winpower показывает 27,8 Вольта.
Думаю будет правильным разместить больше схем данного упс.
![]() |
![]() |
![]() |
![]() |
![]() |
Полезные цитаты из темы форума: Ups Ippon Smart Power Pro 1000
————————————-
Чем заменить оригинальные Q33? — 2SK3700/2SK2610 (5A 900V)
База аналогов
Из того, что я понял из таблицы и информации из этой ветки форума, возможно можно заменить на:
STW5NB90
STW7NK90Z
STW9NK90Z вот вроде есть по разумной цене )
STP6N120K3
STW6N120K3
При подборе аналога смотрим чтобы были не хуже:
мах напряжение,
мах мощность, ток, временные задержки.
Открытое сопротивление(Rds) — чем меньше, тем лучше, меньше будут потери и след-но нагрев.
————————————-
исправный ТХ1
7-5 ножка 0,2 Ома 70 мкH
5-3 ножка 0.2 Ома 70 мкН
7-3 ножка 0,2 Ома 280 мкН
15-18 ножка 0,4 Ома 11 мН
Миллиомметра не было под рукой, так что значения сопротивлений на грани погрешности тестера.
Индуктивность мерил на частоте 1 кГц.
————————————-
Это новые модели. И очень не надежные. Схема есть только на старые модели SPP1000. В железном корпусе. Совершенно разные устройства схемы не похожи. У Вас импульсный преобразователь дает 220 на частоте 30 -50 КГц потом выпрямляется. И уже в последнюю очередь преобразовывается в 50Гц четырьмя транзисторами IRF740 по мостовому включенными. если надо опознать детали помогу.
————————————-
Q1, C5 форсируют включение реле RY3
Q49 — Отключение заряда (при работе от батареи).управляет Q50 и Q57
Q58 — управляет режимом заряда
————————————-
Ippon Smart Power Pro1000, плата Galaxy 1kva 098-18706-00 : Q33=2SK2610 (или 2SK3700 на исправном), R44=221=220 ом, R59=30C=20кОм, D19=A2=1N4148WS, U15=UC3843BN, Q58=Q49=1P=KST2222A, R209=18b=1,5 кOм, R211=30b=2 кОм, C67 — 471M 1kV=470 пФ 1 кВ.
————————————-
А по поводу U15=UC3843BN могу сказать одно: при пробое Q33=2SK2610 она точно сгорает. А резисторы на 10 Ом вокруг процессора U1=MC9S08FL8C защитные. Смотрите схему которую я нарисовал. У меня собственно сгорела куча
————————————-
Правда я вместо UC3844N поставил UC3845N, т.к. UC3844N не запускается при низком напряжении.
Вместо 2SK2610 я поставил STW7N95K3 что было под рукой. После этого ИБП заработал.
————————————-
Не работает только индикация. Непонятно что за микросхема стоит на маленькой платке с кнопками…
Похоже на MC14094B. Могу конечно ошибаться, но по названию и описанию вроде она.
Спасибо большое так и есть, это 8-ми разрядный регистр сдвига с 3-м состоянием фирмы ON Semiconductor MC14094B.
————————————-
Я сегодня ковырял его. Сообразил как он работает на заряд аккумулятора при включении в сеть 220 вольт.
1. Самое главное чтобы аккумулятор был клеммами подключен. Иначе никакой реакции ни на одну из кнопок. Как видно на схеме заряда аккумуляторов которую я выше выложил, процессор питается от КРЕН-ки.
2. После этого можно и вилку 220 вольт вставить в розетку, меряем напряжение на клеммах аккумулятора. Оно должно увеличиваться.
3. Не выдёргивая вилку из розетки отключаем клеммы от аккумулятора и меряем напряжение на пустых клеммах оно должно быть около 27 вольт. И ещё. Совсем убитые аккумуляторы не вставлять. А иначе как же процессор запустится.
————————————-
Да я ещё хотел сказать. У меня сгорел резистор R146 =1,3 Ома 2 ватта. Я сдуру поставил 2 Ома 2 ватта. Так вот при таком номинале напряжение заряда аккумулятора было всего 18,7 вольта.
Смотрите не ошибитесь при ремонте.
————————————-
ремонтирую Ippon SPP 1000, заменил Q33 на К2611, заменил выгоревшие С67, R146, U15, R59, R209, больше неисправных деталей не обнаружил. ИБП включается, выдаёт напряжение 27 Вольт
————————————-
Да я тоже это заметил что 2SК2611 или 2SК3700 греются сильно. Но в основном если идёт заряд аккумуляторов. Я вот подумал на транзистор повесить какой нибудь радиатор.
Это нужно при разобранном корпусе щупать транзистор или каким либо другим способом измерять температуру нагрева корпуса транзистора. Я считаю что она не должна быть выше +50 градусов по Цельсию.
Правда при рабочем состоянии всё время крутится вентилятор. Даже если его выключить кнопкой пока не зарядятся аккумуляторы, вентилятор продолжает вращаться. И я ещё заметил что всегда горячая
микросхема U5 — MC7812CT рука почти не терпит градусов +(50-60) по Цельсию и это с небольшим радиатором. Всё остальное холодное.
————————————-
Правда я поставил вместо 2SK2611 или 2SK3700 другой транзистор STW7N95K3 у него сопротивление сток исток поменьше 1,35 ом, а у 2SK2610 — 2,3 ома, заменил взорванный конденсатор C67. Поставил вместо резистора R146=1,3 ома, 2шт 2 ома в параллель. Причём я вначале сдуру поставил 2 ома, а это сказалось очень существенно на выходном напряжении оно вместо 27,1в было всего 18в. Так что если кто будет ремонтировать учтите это.
————————————-
Принесли в ремонт SPP1000 2012 года выпуска. Выгорела зарядка. Пробило Q33 и он с фейерверком утащил за собой U15 c обвязкой и в панели индикации накрылась U1.
Вот то, что я заменил, кое что на всякий случай, плюс приладил на Q33 радиатор.
Замена U15, Q33, Q51, Q15, D19, L1, R44, R59, R209, R211, R146, C19, C18, C72, C7, C67, C86, C20.
Замена в панели индикации U1.
————————————-
Нагревались максимум на + 50 градусов по Цельсию.
Я ещё подумал что это не есть хорошо. На транзистор какой нибудь маленький радиатор, но нужен.
————————————-
Для тех, кто осилил многа букаф: я чайник, все вопросы прошу задавать в профильной ветке форума на сайте ПАЯЛЬНИК :
Ups Ippon Smart Power Pro 1000
На чтение 15 мин Просмотров 19 Опубликовано 26 марта 2023 Обновлено 26 марта 2023
Содержание
- Схемы .
- Утилиты и справочники.
- Блоки питания.
- Схемы блоков питания для ноутбуков.
- Прочее оборудование.
Схемы .
Утилиты и справочники.
cables.zip — Разводка кабелей — Справочник в формате .chm. Автор данного файла — Кучерявенко Павел Андреевич. Большинство исходных документов были взяты с сайта pinouts.ru — краткие описания и распиновки более 1000 коннекторов, кабелей, адаптеров. Описания шин, слотов, интерфейсов. Не только компьютерная техника, но и сотовые телефоны, GPS-приемники, аудио, фото и видео аппаратура, игровые приставки и др. техника.
Конденсатор 1.0 — Программа предназначена для определения ёмкости конденсатора по цветовой маркировке (12 типов конденсаторов).
Transistors.rar — База данных по транзисторам в формате Access.
Блоки питания.
Разводка для разъемов блока питания стандарта ATX (ATX12V) с номиналами и цветовой маркировкой проводов:
Таблица контактов 24-контактного разъема блока питания стандарта ATX (ATX12V) с номиналами и цветовой маркировкой проводов
| Конт | Обозн | Цвет | Описание |
|---|---|---|---|
| 1 | 3.3V | Оранжевый | +3.3 VDC |
| 2 | 3.3V | Оранжевый | +3.3 VDC |
| 3 | COM | Черный | Земля |
| 4 | 5V | Красный | +5 VDC |
| 5 | COM | Черный | Земля |
| 6 | 5V | Красный | +5 VDC |
| 7 | COM | Черный | Земля |
| 8 | PWR_OK | Серый | Power Ok — Все напряжения в пределах нормы. Это сигнал формируется при включении БП и используется для сброса системной платы. |
| 9 | 5VSB | Фиолетовый | +5 VDC Дежурное напряжение |
| 10 | 12V | Желтый | +12 VDC |
| 11 | 12V | Желтый | +12 VDC |
| 12 | 3.3V | Оранжевый | +3.3 VDC |
| 13 | 3.3V | Оранжевый | +3.3 VDC |
| 14 | -12V | Синий | -12 VDC |
| 15 | COM | Черный | Земля |
| 16 | /PS_ON | Зеленый | Power Supply On. Для включения блока питания нужно закоротить этот контакт на землю ( с проводом черного цвета). |
| 17 | COM | Черный | Земля |
| 18 | COM | Черный | Земля |
| 19 | COM | Черный | Земля |
| 20 | -5V | Белый | -5 VDC (это напряжение используется очень редко, в основном, для питания старых плат расширения.) |
| 21 | +5V | Красный | +5 VDC |
| 22 | +5V | Красный | +5 VDC |
| 23 | +5V | Красный | +5 VDC |
| 24 | COM | Черный | Земля |
typical-450.gif — типовая схема блока питания на 450W с реализацией active power factor correction (PFC) современных компьютеров.
ATX 300w .png — типовая схема блока питания на 300W с пометками о функциональном назначении отдельных частей схемы.
ATX-450P-DNSS.zip — Схема блока питания API3PCD2-Y01 450w производства ACBEL ELECTRONIC (DONGGUAN) CO. LTD.
AcBel_400w.zip — Схема блока питания API4PC01-000 400w производства Acbel Politech Ink.
Alim ATX 250W (.png) — Схема блока питания Alim ATX 250Watt SMEV J.M. 2002.
atx-300p4-pfc.png — Схема блока питания ATX-300P4-PFC ( ATX-310T 2.03 ).
ATX-P6.gif — Схема блока питания ATX-P6.
ATXPower.rar — Схемы блоков питания ATX 250 SG6105, IW-P300A2, и 2 схемы неизвестного происхождения.
GPS-350EB-101A.pdf — Схема БП CHIEFTEC TECHNOLOGY 350W GPS-350EB-101A.
GPS-350FB-101A.pdf — Схема БП CHIEFTEC TECHNOLOGY 350W GPS-350FB-101A.
ctg-350-500.png — Chieftec CTG-350-80P, CTG-400-80P, CTG-450-80P и CTG-500-80P
ctg-350-500.pdf — Chieftec CTG-350-80P, CTG-400-80P, CTG-450-80P и CTG-500-80P
cft-370_430_460.pdf — Схема блоков питания Chieftec CFT-370-P12S, CFT-430-P12S, CFT-460-P12S
gpa-400.png — Схема блоков питания Chieftec 400W iArena GPA-400S8
GPS-500AB-A.pdf — Схема БП Chieftec 500W GPS-500AB-A.
GPA500S.pdf — Схема БП CHIEFTEC TECHNOLOGY GPA500S 500W Model GPAxY-ZZ SERIES.
cft500-cft560-cft620.pdf — Схема блоков питания Chieftec CFT-500A-12S, CFT-560A-12S, CFT-620A-12S
aps-550s.png — Схема блоков питания Chieftec 550W APS-550S
gps-650_cft-650.pdf — Схема блоков питания Chieftec 650W GPS-650AB-A и Chieftec 650W CFT-650A-12B
ctb-650.pdf — Схема блоков питания Chieftec 650W CTB-650S
ctb-650_no720.pdf — Схема блоков питания Chieftec 650W CTB-650S Маркировка платы: NO-720A REV-A1
aps-750.pdf — Схема блоков питания Chieftec 750W APS-750C
ctg-750.pdf — Схема блоков питания Chieftec 750W CTG-750C
cft-600_850.pdf — Схема блоков питания Chieftec CFT-600-14CS, CFT-650-14CS, CFT-700-14CS, CFT-750-14CS
cft-850g.pdf — Схема блока питания Chieftec 850W CFT-850G-DF
cft-1000_cft-1200.pdf — Схема блоков питания Chieftec 1000W CFT-1000G-DF и Chieftec 1200W CFT-1200G-DF
colors_it_330u_sg6105.gif — Схема БП NUITEK (COLORS iT) 330U (sg6105).
330U (.png) — Схема БП NUITEK (COLORS iT) 330U на микросхеме SG6105 .
350U.pdf — Схема БП NUITEK (COLORS iT) 350U SCH .
350T.pdf — Схема БП NUITEK (COLORS iT) 350T .
400U.pdf — Схема БП NUITEK (COLORS iT) 400U .
500T.pdf — Схема БП NUITEK (COLORS iT) 500T .
600T.pdf — Схема БП NUITEK (COLORS iT) ATX12V-13 600T (COLORS-IT — 600T — PSU, 720W, SILENT, ATX)
codegen_250.djvu — Схема БП Codegen 250w mod. 200XA1 mod. 250XA1.
codegen_300x.gif — Схема БП Codegen 300w mod. 300X.
PUH400W.pdf — Схема БП CWT Model PUH400W .
Dell-145W-SA145-3436.png — Схема блока питания Dell 145W SA145-3436
Dell-160W-PS-5161-7DS.pdf — Схема блока питания Dell 160W PS-5161-7DS
Dell_PS-5231-2DS-LF.pdf — Схема блока питания Dell 230W PS-5231-2DS-LF (Liteon Electronics L230N-00)
Dell_PS-5251-2DFS.pdf — Схема блока питания Dell 250W PS-5251-2DFS
Dell_PS-5281-5DF-LF.pdf — Схема блока питания Dell 280W PS-5281-5DF-LF модель L280P-01
Dell_PS-6311-2DF2-LF.pdf — Схема блока питания Dell 305W PS-6311-2DF2-LF модель L305-00
Dell_L350P-00.pdf — Схема блока питания Dell 350W PS-6351-1DFS модель L350P-00
Dell_L350P-00_Parts_List.pdf — Перечень деталей блока питания Dell 350W PS-6351-1DFS модель L350P-00
deltadps260.ARJ — Схема БП Delta Electronics Inc. модель DPS-260-2A.
delta-450AA-101A.pdf — Схема блока питания Delta 450W GPS-450AA-101A
delta500w.zip — Схема блока питания Delta DPS-470 AB A 500W
DTK-PTP-1358.pdf — Схема блока питания DTK PTP-1358.
DTK-PTP-1503.pdf — Схема блока питания DTK PTP-1503 150W
DTK-PTP-1508.pdf — Схема блока питания DTK PTP-1508 150W
DTK-PTP-2001.pdf — Схема БП DTK PTP-2001 200W.
DTK-PTP-2005.pdf — Схема БП DTK PTP-2005 200W.
DTK PTP-2007 .png — Схема БП DTK Computer модель PTP-2007 (она же – MACRON Power Co. модель ATX 9912)
DTK-PTP-2007.pdf — Схема БП DTK PTP-2007 200W.
DTK-PTP-2008.pdf — Схема БП DTK PTP-2008 200W.
DTK-PTP-2028.pdf — Схема БП DTK PTP-2028 230W.
DTK_PTP_2038.gif — Схема БП DTK PTP-2038 200W.
DTK-PTP-2068.pdf — Схема блока питания DTK PTP-2068 200W
DTK-PTP-3518.pdf — Схема БП DTK Computer model 3518 200W.
DTK-PTP-3018.pdf — Схема БП DTK DTK PTP-3018 230W.
DTK-PTP-2538.pdf — Схема блока питания DTK PTP-2538 250W
DTK-PTP-2518.pdf — Схема блока питания DTK PTP-2518 250W
DTK-PTP-2508.pdf — Схема блока питания DTK PTP-2508 250W
DTK-PTP-2505.pdf — Схема блока питания DTK PTP-2505 250W
FSP145-60SP.GIF — Схема БП FSP Group Inc. модель FSP145-60SP.
fsp_atx-300gtf_dezhurka.gif — Схема источника дежурного питания БП FSP Group Inc. модель ATX-300GTF.
fsp_600_epsilon_fx600gln_dezhurka.png — Схема источника дежурного питания БП FSP Group Inc. модель FSP Epsilon FX 600 GLN.
green_tech_300.gif — Схема БП Green Tech. модель MAV-300W-P4.
HIPER_HPU-4K580.zip — Схемы блока питания HIPER HPU-4K580 . В архиве — файл в формате SPL (для программы sPlan) и 3 файла в формате GIF — упрощенные принципиальные схемы: Power Factor Corrector, ШИМ и силовой цепи, автогенератора. Если у вас нечем просматривать файлы .spl , используйте схемы в виде рисунков в формате .gif — они одинаковые.
iwp300a2.gif — Схемы блока питания INWIN IW-P300A2-0 R1.2.
IW-ISP300AX.gif — Схемы блока питания INWIN IW-P300A3-1 Powerman.
Наиболее распространенная неисправность блоков питания Inwin, схемы которых приведены выше — выход из строя схемы формирования дежурного напряжения +5VSB ( дежурки ). Как правило, требуется замена электролитического конденсатора C34 10мкФ x 50В и защитного стабилитрона D14 (6-6.3 V ). В худшем случае, к неисправным элементам добавляются R54, R9, R37, микросхема U3 ( SG6105 или IW1688 (полный аналог SG6105) ) Для эксперимента, пробовал ставить C34 емкостью 22-47 мкФ — возможно, это повысит надежность работы дежурки.
IP-P550DJ2-0.pdf — схема блока питания Powerman IP-P550DJ2-0 (плата IP-DJ Rev:1.51). Имеющаяся в документе схема формирования дежурного напряжения используется во многих других моделях блоков питания Power Man (для многих блоков питания мощностью 350W и 550W отличия только в номиналах элементов ).
JNC_LC-B250ATX.gif — JNC Computer Co. LTD LC-B250ATX
JNC_SY-300ATX.pdf — JNC Computer Co. LTD. Схема блока питания SY-300ATX
JNC_SY-300ATX.rar — предположительно производитель JNC Computer Co. LTD. Блок питания SY-300ATX. Схема нарисована от руки, комментарии и рекомендации по усовершенствованию.
KME_pm-230.GIF — Схемы блока питания Key Mouse Electroniks Co Ltd модель PM-230W
L & C A250ATX (.png) — Схемы блока питания L & C Technology Co. модель LC-A250ATX
LiteOn_PE-5161-1.pdf — Схема блоков питания LiteOn PE-5161-1 135W.
LiteOn-PA-1201-1.pdf — Схема блоков питания LiteOn PA-1201-1 200W (полный комплект документации к БП)
LiteOn_model_PS-5281-7VW.pdf — Схема блоков питания LiteOn PS-5281-7VW 280W (полный комплект документации к БП)
LiteOn_model_PS-5281-7VR1.pdf — Схема блоков питания LiteOn PS-5281-7VR1 280W (полный комплект документации к БП)
LiteOn_model_PS-5281-7VR.pdf — Схема блоков питания LiteOn PS-5281-7VR 280W (полный комплект документации к БП)
LWT2005 (.png) — Схемы блока питания LWT2005 на микросхеме KA7500B и LM339N
M-tech SG6105 (.png) — Схема БП M-tech KOB AP4450XA.
Macrom Power ATX 9912 .png — Схема БП MACRON Power Co. модель ATX 9912 (она же – DTK Computer модель PTP-2007)
MaxpowerPX-300W.GIF — Схема БП Maxpower PC ATX SMPS PX-230W ver.2.03
PowerLink LP-J2-18 (.png) — Схемы блока питания PowerLink модель LP-J2-18 300W.
Power_Master_LP-8_AP5E.gif — Схемы блока питания Power Master модель LP-8 ver 2.03 230W (AP-5-E v1.1).
Power_Master_FA_5_2_v3-2.gif — Схемы блока питания Power Master модель FA-5-2 ver 3.2 250W.
linkworld_LPJ2-18.GIF — Схема БП Powerlink LPJ2-18 300W
Linkword_LPK_LPQ.gif — Схема БП Powerlink LPK, LPQ
PE-050187 — Схема БП Power Efficiency Electronic Co LTD модель PE-050187
SevenTeam_ST-230WHF (.png) — Схема БП SevenTeam ST-230WHF 230Watt
hpc-360-302.zip — Схема БП SIRTEC INTERNATIONAL CO. LTD. HPC-360-302 DF REV:C0 заархивированный документ в формате .PDF
hpc-420-302.pdf — Схема блока питания Sirtec HighPower HPC-420-302 420W
HP-500-G14C.pdf — Схема БП Sirtec HighPower HP-500-G14C 500W
cft-850g-df_141.pdf — Схема БП SIRTEC INTERNATIONAL CO. LTD. NO-672S. 850W. Блоки питания линейки Sirtec HighPower RockSolid продавались под маркой CHIEFTEC CFT-850G-DF.
SHIDO_ATX-250.gif — Схемы блока питания SHIDO модель LP-6100 250W.
SUNNY_ATX-230.png — Схема БП SUNNY TECHNOLOGIES CO. LTD ATX-230
s_atx06f.png — Схема блока питания Utiek ATX12V-13 600T
Wintech 235w (.png) — Схема блока питания Wintech PC ATX SMPS модель Win-235PE ver.2.03
Схемы блоков питания для ноутбуков.
EWAD70W_LD7552.png — Схема универсального блока питания 70W для ноутбуков 12-24V, модель SCAC2004, плата EWAD70W на микросхеме LD7552.
KM60-8M_UC3843.png — Схема блока питания 60W 19V 3.42A для ноутбуков, плата KM60-8M на микросхеме UC3843.
ADP-36EH_DAP6A_DAS001.png — Схема блока питания Delta ADP-36EH для ноутбуков 12V 3A на микросхеме DAP6A и DAS001.
LSE0202A2090_L6561_NCP1203_TSM101.png — Схема блока питания Li Shin LSE0202A2090 90W для ноутбуков 20V 4.5A на микросхеме NCP1203 и TSM101, АККМ на L6561.
ADP-30JH_DAP018B_TL431.png — Схема блока питания ADP-30JH 30W для ноутбуков 19V 1.58A на микросхеме DAP018B и TL431.
ADP-40PH_2PIN.jpg — Схема блока питания Delta ADP-40PH ABW
Delta-ADP-40MH-BDA-OUT-20V-2A.pdf — Ещё один вариант схемы блока питания Delta ADP-40MH BDA на чипах DAS01A и DAP8A.
PPP009H-DC359A_3842_358_431.png — Схема блока питания HP Compaq CM-0K065B13-LF 65W для ноутбуков 18.5V 3.5A, модель PPP009H-DC359A на микросхемах UC3842 и LM358.
NB-90B19-AAA.jpg — Схема блока питания NB-90B19-AAA 90W для ноутбуков 19V 4.74A на TEA1750.
PA-1121-04.jpg — Схема блока питания LiteOn PA-1121-04CP на микросхеме LTA702.
Delta_ADP-40MH_BDA.jpg — Схема блока питания Delta ADP-40MH BDA (Part No:S93-0408120-D04) на микросхеме DAS01A, DAP008ADR2G.
LiteOn_LTA301P_Acer.jpg — Схема блока питания LiteOn 19V 4.74A на LTA301P, 103AI, PFC на микросхемах TDA4863G/FAN7530/L6561D/L6562D.
ADP-90SB_BB_230512_v3.jpg — Схема блока питания Delta ADP-90SB BB AC:110-240v DC:19V 4.7A на микросхеме DAP6A, DSA001 или TSM103A
Delta-ADP-90FB-EK-rev.01.pdf — Схема блоков питания Delta ADP-90FB AC:100-240v DC:19V 4.74A на микросхеме L6561D013TR, DAP002TR и DAS01A.
PA-1211-1.pdf — Схема блока питания LiteOn PA-1211-1 на LM339N, L6561, UC3845BN, LM358N.
Li-Shin-LSE0202A2090.pdf — Схема блоков питания Li Shin LSE0202A2090 AC:100-240v DC:20V 4.5A 90W на микросхемах L6561, NCP1203-60 и TSM101.
GEMBIRD-model-NPA-AC1.pdf — Схема универсального блока питания Gembird NPA-AC1 AC:100-240v DC:15V/16V/18V/19V/19.5V/20V 4.5A 90W на микросхеме LD7575 и полевом транзисторе MDF9N60.
ADP-60DP-19V-3.16A.pdf — Схема блоков питания Delta ADP-60DP AC:100-240v DC:19V 3.16A на микросхеме TSM103W (он же M103A) и I6561D.
Delta-ADP-40PH-BB-19V-2.1A.jpg — Схема блоков питания Delta ADP-40PH BB AC:100-240v DC:19V 2.1A на микросхеме DAP018ADR2G и полевом транзисторе STP6NK60ZFP.
Asus_SADP-65KB_B.jpg — Схема блоков питания Asus SADP-65KB B AC:100-240v DC:19V 3.42A на микросхеме DAP006 (DAP6A или NCP1200) и DAS001 (TSM103AI).
Asus_PA-1900-36_19V_4.74A.jpg — Схема блоков питания Asus PA-1900-36 AC:100-240v DC:19V 4.74A на микросхеме LTA804N и LTA806N.
Asus_ADP-90CD_DB.jpg — Схема блоков питания Asus ADP-90CD DB AC:100-240v DC:19V 4.74A на микросхеме DAP013D и полевике 11N65C3.
PA-1211-1.pdf — Схема блоков питания Asus ADP-90SB BB AC:100-240v DC:19V 4.74A на микросхеме DAP006 (она же DAP6A) и DAS001 (она же TSM103AI).
LiteOn-PA-1900-05.pdf — Схема блока питания LiteOn PA-1900/05 AC:100-240v DC:19V 4.74A на LTA301P и 103AI, транзистор PFC 2SK3561, транзистор силовой 2SK3569.
LiteOn-PA-1121-04.pdf — Схема блока питания LiteOn PA-1121-04 AC:100-240v DC:19V 6.3A на LTA702, транзистор PFC 2SK3934, транзистор силовой SPA11N65C3.
Прочее оборудование.
monpsu1.gif — типовая схема блоков питания мониторов SVGA с диагональю 14-15 дюймов.
sch_A10x.pdf — Схема планшетного компьютера («планшетника») Acer Iconia Tab A100 (A101).
HDD SAMSUNG.rar — архив с обширной подборкой документации к HDD Samsung
HDD SAMSUNG M40S — документация к HDD Samsung серии M40S на английскомязыке.
sonyps3.jpg — схема блока питания к Sony Playstation 3.
APC_Smart-UPS_450-1500_Back-UPS_250-600.pdf — инструкции по ремонту источников бесперебойного питания производства APC на русском языке. Принципиальные схемы многих моделей Smart и Back UPS.
Silcon_DP300E.zip — эксплуатационная документация на UPS Silcon DP300E производства компании APC
symmetra-re.pdf — руководство по эксплуатации UPS Symmetra RM компании APC.
symmetrar.pdf — общие сведения и руководство по монтажу UPS Symmetra RM компании APC (на русском языке).
manuals_symmetra80.pdf — эксплуатационная документация на Symmetra RM UPS 80KW, высокоэффективную систему бесперебойного питания блочной конфигурации, конструкция которой обеспечивает питание серверов высокой готовности и другого ответственного электронного оборудования.
APC-Symmetra.zip — архив с эксплуатационной документацией на Symmetra Power Array компании APC
Smart Power Pro 2000.pdf — схема ИБП Smart Power Pro 2000.
BNT-400A500A600A.pdf — Схема UPS Powercom BNT-400A/500A/600A.
ml-1630.zip — Документация к принтеру Samsung ML-1630
splitter.arj — 2 принципиальные схемы ADSL — сплиттеров.
KS3A.djvu — Документация и схемы для 29″ телевизоров на шасси KS3A.
Если вы желаете поделиться ссылкой на эту страницу в своей социальной сети, пользуйтесь кнопкой «Поделиться»
Источник
В конце лета компания Ippon сообщила о старте новой линейки in-line источника бесперебойного питания Ippon Back Power Pro II. На рынке она заменила Back Power Pro, предложив целый ряд улучшений. Сам производитель позиционирует этот ИБП для рабочих станций и персональных компьютеров, защищая технику от радиочастотных и электромагнитных помех, высоковольтных выбросов, исчезновения и повышения напряжения в электросети.
В нашем распоряжении Ippon Back Power Pro II 600 и это его первый подробный обзор. К моменту публикации он уже находится в широком доступе в российских магазинах, список актуальных предложений представлен в таблице, составленной на основе данных сервиса Яндекс.Маркет.
Ippon Back Power Pro II 600 обзор
Комплектация
В комплекте покупатель получает гарантийный талон международного образца, гарантийный талон, два кабеля Euro (Schuko). Наличие в комплекте этих кабелей избавляет от дополнительных трат сразу после покупки.
Собрано все в аккуратной коробке с изображением стабилизатора и общими данными по техническим характеристикам.
Внешний вид
Корпус у Ippon Back Power Pro II 600 достаточно компактный. Выполнен из черного матового пластика.
Снизу четыре ножки без прорезиненных амортизирующих вставок. Сверху наклейка с техническими данными.
На лицевой панели выведен ЖК-экран с синей подсветкой. На нем отображаются: входное и выходное напряжение, уровни нагрузки, режим работы и заряд батареи.
Символы хорошо читаются в дневное и ночное время. Углы обзора широкие. Само наличие экрана не характерно для этого ценового сегмента и является весомым плюсом. Дополнительно выводятся звуковые предупреждения.
Рядом с экраном два полноразмерных USB, которые можно будет использовать для зарядки мобильных устройств и аксессуаров. Есть механическая кнопка выключения.
Разъем USB type B с фронтальной панели перенесли на тыльную сторону, упростив аккуратную укладку проводов при размещении на рабочем столе.
На корпусе Ippon Back Power Pro II 600 есть две розетки RJ-45, защищающие сетевую линию от перегрузок. В прошлом поколении это была защита телефонных линий.
Увеличилось количество выходных гнезд C13, вместо трех теперь четыре. Напомним, два кабеля пользователь получает в комплекте.
Кабель питания длиной 1.3 метра в этом ИБП несъемный.
Софт
Поддерживается управление и контроль при помощи утилиты WinPower, загружается она с официального сайта производителя. Доступна она под разные операционные системы. Во время установки потребуется ввести серийный номер ИБП. Русский язык доступен.
В главном окне наглядная схема работы с отображением данных по входному и выходному напряжению. Напряжение батареи, уровень нагрузки и примерное оставшееся время работы. Все это сопровождается анимацией.
Схема меняется при переключении режимов работы. Есть базовый набор настроек с выбором опций оповещения и записи состояний работы. Без установки ПО в строке состояния на ПК, работающем под управлением Windows 10, выводится индикатор аккумулятора с отображением процента заряда.
Начинка
Крепятся половинки корпуса на четырех саморезах, скрытых в колодках. Внутри расположено несколько печатных плат. Активного охлаждения в Ippon Back Power Pro II 600 не предусмотрено, так обеспечивается полностью бесшумный режим работы.
Трансформатор расположен в задней части корпуса. Батарея съемная, это свинцово-кислотный аккумулятор 12В/7Ач.
Тесты
Этот ИБП прост в эксплуатации, достаточно подключить устройство к сети и подключить в последующем к нему необходимую технику. Дополнительная настройка и корректировка не требуются. Полная мощность 600 ВА, активная мощность 360 Вт. Как можно понять, подойдет он для систем офисного уровня в паре с монитором.
Форма напряжения у Ippon Back Power Pro II 600 – модифицированная синусоида. Топология – линейно-интерактивный. Диапазон напряжения от 162 до 290 В.
Шума во время работы нет. При переходе на режим работы от батареи, издается заметный щелчок реле. Нераздражающий гул при завышенном или пониженном входном напряжении.
При подключении компьютера с одним монитором, Ippon Back Power Pro II 600 дает примерно 10-13 минут автономной работы. Этого вполне достаточно для сохранения всех файлов и завершения работы системы. На последующее восстановление заряда уйдет около 4 часов.
Оба USB-порта позволят проводить одновременную зарядку двух устройств, по замерам тока оба порта дают напряжение 4.5-5В с 1.8А.
Итоги по Ippon Back Power Pro II 600
Ippon Back Power Pro II 600 в ходе серии тестов подтвердил заявленные характеристики. Продемонстрированы хорошая эффективность, надежность и автономность, поддержка программного мониторинга. Обновленная серия предложила пару USB для зарядки мобильных устройств, защиту с гнездами RJ45 и четыре розетки. Сбоев и проблем в ходе тестов выявлено не было.
Ippon back power pro 600 service manual
Download Now
Ippon back power pro 600 service manual
| Compatibility: | Windows XP, Vista, 7, 8, 10 |
| Downloads: | 513 |
| Download Size: | 19. 42 MB |
| Database Update: | 17-06-2016 |
| Available Using DriverDoc: | Download Now |
• Service Manual UPS Ippon BackPower Pro 600 (Схема основной платы UPS Ippon BackPower Pro 600) UPS Ippon Back Power.
The software provides complete power protection for Support running script before Windows OS shutdown without Service WinPower software user manual.
дурачка бесперебойного питания Ippon Back Comfo Pro. лепёшки UPS IPPON 360Wat Back Power Pro NEW 600. service manual.
Apc Back Ups Ups Pro 1000 Manual service. So far it looks. APC Back-UPS Pro,670 Watts /1000 Back-UPS Pro, apcsmart, 1 Ippon, Back Power Pro 400/500/600/700.
Ремонт ИБП Ippon Back Power Pro 800 Поиск неисправности UPS IPPON 360Wat Back Power Pro NEW 600 неожиданный.
700VA, 1400VA, off-line Back-UPS BK250I, BK400I, BK500I, BK600I, BK650MI (ИБП) circuits of uninterrable power supplies (UPS), статьи.
Подключение UPS Ippon Back Power Pro 500 через USB [email protected]:/# sudo service nut start * Starting Network UPS Tools [ OK ] 2. Потом.
питания IPPON Smart Winner 1000. питания IPPON Back Power LCD Pro 600 оснащенный (Service Manual UPS Ippon BackPower.
11111.nikolife.ru/ back- ups -600-shema Apc ups service manual samart 1400 ибп apc схема электрическая Back Power.
Загрузить «Ippon back power pro 600 service manual PDF RUSSIAN Tags: ippon, back, power, pro, 600, service, manual, Search. Меню.
Помогите с ремонтом Ippon Back power pro 600 Источники питания и Blazer 400-800 service manual.rar (528.5 Кб, 1325 просмотров) .
SNMP service. Forum rules • Set (revision 2545)/ x64-embedded on SAPPHIRE Pure Mini E350 / 8G RAM / UPS Ippon Back Power Pro 600 Lab Small correction.
try (revision 2545)/ x64-embedded on SAPPHIRE Pure Mini E350 / 8G RAM / UPS Ippon Back Power.
Загрузить Service manual ippon back power pro 600. Размер: 3 MB Скачано: 2090 раз(a) Tags: service, manual, ippon, back, power.
IPPON Back Power Pro 600 плата MAIN-87XX/MODULE 098-17138-02-S1 IPPON Back Power Pro 400 плата MAIN-873X/4X/5X (CE) JL8 098-18377-02-S1.
схема ups ippon back power pro 600 февраль ups ippon back power pro 700 схема ftl 1011 service manual powerman.
29 Jan 2014 Any idea if nas4free will support this platform? x64-embedded on SAPPHIRE Pure Mini E350 / 8G RAM / UPS Ippon Back Power Pro 600
ИБП IPPON Back Power Pro 600 Как поднять частоту его выходного (Service Manual UPS Ippon BackPower Pro 600). UPS Ippon.
Один Ippon BPP600 плата MAIN-873/4X/5X(ce)JL8 другой. PLUS Brozer600 плата IPPON Back Power Pro 600 плата 098-17543-00-S3
(Service Manual UPS Ippon BackPower Pro 600) Ippon Back Power Pro 600 17 сен 2012 Также разработана схема защиты.
было найти схемы и service-manual к и в IPPON Back Power Pro manual online. Uninterruptible Power.
ВА. 400. 500. 600 Источники прошивки, service manual, Когда я год назад ИБП IPPON Back Power.
Скачать «Ippon back power pro 600 service manual Tags: ippon, back, power, pro, 600, service, manual, Search. Меню.
Процедура замены батареи проста, service manual, Ippon Back Power Pro 600, Инструкция Ippon Back Power.
а в моделях Back-UPS Pro, адаптер Power Net SNMP, 600(400) Коэффициент.
IPPON SMART Power Pro 1400VA black 10480 RUR Подробней. Категории. Путешествия, туризм Авиабилеты.
Ippon back power pro 700 плата 098 17543 01 s1 питания ippon 4 серия back verso модели 400 600 800 серия.
Back Power Pro LCD Euro. Back Basic. Back Power Pro. Лицевая панель IPPON Smart Winner максимально информативна.
21 фев 2010 Помогите кто может. Нужна схема бесперебойника UPS IPPON Back Power Pro 600 ( плата 098-17591-03(А). Буду очень благодарен.
Источник бесперебойного питания IPPON Back Power Pro 600 с интерактивной схемой подключения.
ИБП IPPON POWER BACK PRO 400-600-800 — Источники SM для UPS Ippon BPP-600 (Service Manual UPS Ippon BackPower Pro 600).
Service manual for FISHER smart_course_electronics_ltd_inv150w_12v_100w_200w_500w_1250w_power Back UPS 250_400_600: Back UPS 250_400_600:.
22 июн 2012 UPS 600VA Ippon Back Power Pro, USB, защита телефонной линии. Данные ИБП оборудованны тремя компьютерными розетками на .
Благодарим Вас за выбор источника бесперебойного питания IPPON Back Comfo Pro. 600 Back Power Pro Service.
Ippon Back Power Pro 400 — опубликовано в Дайте схему!: Blazer 400-800 service manual.rar 528,54.
на схему UPS IPPON Smart Power Pro UPS IPPON 360Wat Back Power Pro NEW 600 Обзор ИБП 600 Service Manual.
Минимальное разрешение монитора 800×600 (1024×768 на сайте производителя последняя У меня Ippon back power pro 600 И чёто в WinPower Вообще ничего не отображается.
Compatible/Incompatible UPS. From QNAPedia. APC Back-UPS Pro 900 (BR900GI) USB TS-439 Pro. EM 600 TS-109, TS-109 Pro, TS-209, TS-209.
Ippon – простое, надежное и удобное средство защиты для важного В комплект ИБП Back Power Pro входит: Руководство Back Comfo Pro 600.
We were also able to restore Ippon Back Power Pro 600 Service Manual difficult Nvidia Video drivers.
Serwis- Komputery Zasilacze- Spis schematów UPS (Uninterruptible Power Service Manual #73. Models Back Power PRO 600 IPPON Back Power.
схема IPPON Back Power Pro 600 плата MAIN-87XX/MODULE 098 service manual pentax. remont-aud.net/forum/49-2705-0-17 GM-8027zt-02 service. clarion.
Инструкция UPS Powerman Back Pro 600 Download HP OfficeJet K5400 Service Manual. Схема и документация ИБП ippon power.
Ибп ippon back power pro 600 схема и договор с тренажерным залом образец. ИБП Ippon Back Power Pro 600 1 866 В нашем.
ИБП Ippon Back Comfo Pro 600 и настройка Service is starting to Ippon Power Comfo Pro 600. В случае.
проблема щелкает ИБП IPPON Back Power Pro 400. panasonic sa-ht990 Service manual. power.
eBooks archive Пример: Power Mustek 600 usb: UPS IPPON back power pro 400: Service Manual Cellular phone UPS Powerman Back Power Pro 600: Service manual.
Ups ippon back office 600 инструкция pdf. Posted on 09.02.2016 by karabagli.
ippon Back power pro 700 manual service pionner keh m9500rds.
Hardware compatibility list. Before you buy, Ippon: Back Power Pro 400/500/600/700/800: blazer_ser: 2: Back Power Pro 400/500/600/700/800 USB: blazer_usb.
Ippon Back Power Pro 600, В данном видео мы оживляем несложными манипуляциями ИПБ. service manual.
IPPON Back Power PRO 600. Załączniki: UPS Ippon Back Power PRO 600.rar Download (437.24 KB) PowerCom BNT-400A_500A_600A Service’s manual. Załączniki.
SM для UPS Ippon BPP-600 (Service Manual UPS Ippon BackPower Pro 600) UPS Ippon Back Power Pro (Blazer 400-800 service manual) UPS Ippon Back Power.
datasheet back pro 600. service manual sony cdx-gt200e. cdx r3300ee service manual. ks-1a ippon постоянный.
Загрузить Ippon back power pro 600 service manual. Размер: 3 MB Скачано: 2901 раз(a) Tags: ippon, back, power, pro, 600, service, manual.
Помогите с ремонтом Ippon Back power pro 600 Источники питания и свет.
▶▷▶ схема бесперебойника для компьютера back verso 600 на плате e250664 yy-ck11
▶▷▶ схема бесперебойника для компьютера back verso 600 на плате e250664 yy-ck11
| Интерфейс | Русский/Английский |
| Тип лицензия | Free |
| Кол-во просмотров | 257 |
| Кол-во загрузок | 132 раз |
| Обновление: | 26-12-2018 |
схема бесперебойника для компьютера back verso 600 на плате e250664 yy-ck11 — Yahoo Search Results Yahoo Web Search Sign in Mail Go to Mail» data-nosubject=»[No Subject]» data-timestamp=’short’ Help Account Info Yahoo Home Settings Home News Mail Finance Tumblr Weather Sports Messenger Settings Want more to discover? Make Yahoo Your Home Page See breaking news more every time you open your browser Add it now No Thanks Yahoo Search query Web Images Video News Local Answers Shopping Recipes Sports Finance Dictionary More Anytime Past day Past week Past month Anytime Get beautiful photos on every new browser window Download We did not find results for: схема бесперебойника для компьютера back verso 600 на плате e250664 yy-ck11 Check spelling or type a new query Promotional Results For You Free Download | Mozilla Firefox ® Web Browser wwwmozillaorg Download Firefox — the faster, smarter, easier way to browse the web and all of Yahoo Maybe you would like to learn more about one of these? Settings Help Suggestions Privacy (Updated) Terms (Updated) Advertise About ads About this page Powered by Bing™
- а также выключить GreenMode — автовыключение ИБП при отсутствии нагрузки в режиме батарейной работы Скрыть 7 Схема бесперебойника для компьютера Back verso 600 на плате E250664 yy-CK11 — смотрите картинки ЯндексКартинки › схема бесперебойника для компьютера back verso Пожаловаться Информация о сайте Смотреть все результаты поиска на сервисе ЯндексКартинки 8 СХЕМА BACK UPS el-shemaru › publ/pitanie/skhema_back_ups/5-1-0-160 Сохранённая копия Показать ещё с сайта Пожаловаться Информация о сайте Схема источника бесперебойного напряжения BACK UPS достаточно сложна BACK UPS может быть использован в качестве резервного источника питания
- тендеры
- причем абсолютно не нуждающееся в переделке
там явно не чистый синус Скрыть 9 ИБП iPPON Back Verso 600 — Форум РадиоЛоцман rlocmanru › forum/showthreadphp?t=14482 Сохранённая копия Показать ещё с сайта Пожаловаться Информация о сайте нужна схема iPPON Back Verso 600 Оценка 0 JLCPCB – 10 прототипов печатных плат будут изготовлены за $2 в течение 2 дней Крупнейший в Китае изготовитель прототипов печатных плат
что устройство работает как преобразователь
схема бесперебойника для компьютера back verso 600 на плате e250664 yy-ck11 — Поиск в Google Специальные ссылки Перейти к основному контенту Справка по использованию специальных возможностей Оставить отзыв о специальных возможностях Нажмите здесь , если переадресация не будет выполнена в течение нескольких секунд Войти Удалить Пожаловаться на неприемлемые подсказки Режимы поиска Все Картинки Видео Новости Покупки Ещё Карты Книги Авиабилеты Финансы Настройки Настройки поиска Языки (Languages) Включить Безопасный поиск Расширенный поиск Ваши данные в Поиске История Поиск в справке Инструменты Результатов: примерно 8 (0,49 сек) Looking for results in English? Change to English Оставить русский Изменить язык Реклама APC by Schneider Electric™ | Стандартная инфраструктура Реклама wwwapccom/ Защитите свои данные и оставайтесь на связи в граничной среде Узнайте больше Скачайте наше руководство Увеличьте производительность инфраструктуры прямо сейчас Читайте нашу брошюру Используйте возможности облачных вычислений для роста бизнеса Результаты поиска Картинки по запросу схема бесперебойника для компьютера back verso 600 на плате e250664 «cb»:3,»id»:»Z4opguJnYG3NAM:»,»ml»:»600″:»bh»:90,»bw»:117,»oh»:499,»ou»:» u003d64676u0026widthu003dlargeu0026heightu003dlargeu0026view_idu003d2254″,»ow»:720,»pt»:»staticnixru/images/Ippon-600-646762254jpg?good_»,»rh»:»nixru»,»rid»:»dS2x3X6-rLoX9M»,»rt»:0,»ru»:» «,»st»:»Никс»,»th»:90,»tu»:» u003dtbn:ANd9GcRXZdhPiyym2fglguTwX-w06v_3nCpqIYH9YZTuFN4lzxiIrlAQkmZKB_zo»,»tw»:130 «cb»:3,»ct»:3,»id»:»i6f_XCjYvX3gXM:»,»ml»:»600″:»bh»:90,»bw»:117,»oh»:393,»ou»:» «,»ow»:800,»pt»:»cdns-shopru/thumb/st4/fit/wm/800/650/eafe6f5278a»,»rh»:»dns-shopru»,»rid»:»REqjgfgbQ95dDM»,»rt»:0,»ru»:» «,»sc»:1,»st»:»DNS»,»th»:90,»tu»:» u003dtbn:ANd9GcRGeoKnJHlPc-6jvPYyxm-I8_MIQXgMh4AehQQ7ROEPZF4Hd3XcFO63kwo»,»tw»:183 «cl»:3,»id»:»vCBFA68257OwpM:»,»ml»:»600″:»bh»:90,»bw»:65,»oh»:1565,»ou»:» «,»ow»:1200,»pt»:»wwwixbtcom/power/ups/photos/ippon/back_verso/600″,»rh»:»ixbtcom»,»rid»:»OnXc1Dduo0ZziM»,»rt»:0,»ru»:» «,»sc»:1,»st»:»iXBTcom»,»th»:95,»tu»:» u003dtbn:ANd9GcQz4jykGpAX1BtH-vxHdxvtXj5f641b4hRzP-PWYN2mSumXGNeTk-m8yXo»,»tw»:73 «id»:»VfGpZqYDP51kCM:»,»ml»:»600″:»bh»:90,»bw»:72,»oh»:1451,»ou»:» «,»ow»:1200,»pt»:»wwwixbtcom/power/ups/photos/ippon/back_office/60″,»rh»:»ixbtcom»,»rid»:»lAt-_s4_G3o-sM»,»rt»:0,»ru»:» «,»sc»:1,»st»:»iXBTcom»,»th»:91,»tu»:» u003dtbn:ANd9GcT4_yuoUiPyzibj5fh51qaEHV-nCc8NRYWSwCgyf651nCXPPL1Ow7GfDQ»,»tw»:76 «cb»:6,»ct»:6,»id»:»7dNuTQTuuBM-YM:»,»ml»:»600″:»bh»:90,»bw»:117,»oh»:309,»ou»:» «,»ow»:800,»pt»:»cdns-shopru/thumb/st4/fit/wm/800/650/9dcbe6a561a»,»rh»:»dns-shopru»,»rid»:»REqjgfgbQ95dDM»,»rt»:0,»ru»:» «,»sc»:1,»st»:»DNS»,»th»:90,»tu»:» u003dtbn:ANd9GcSwZO8GoSwGl4sI05RFGjYP2f-vd2GgLATXsezfE-_F6_zEbDEM0i_5zq0″,»tw»:233 «id»:»VB83gKTSqJhu1M:»,»ml»:»600″:»bh»:90,»bw»:92,»oh»:650,»ou»:» u003d31195u0026widthu003dlargeu0026heightu003dlargeu0026view_idu003d2254″,»ow»:681,»pt»:»staticnixru/images/Ippon-600-311952254jpg?good_»,»rh»:»nixru»,»rid»:»AT7K-V6PHKqI4M»,»rt»:0,»ru»:» «,»sc»:1,»st»:»Никс»,»th»:94,»tu»:» u003dtbn:ANd9GcREHmHCBngAM9s6_jZRjIpgIBHFHLz6P-EoKayblzwBANwPSe_55LQ2wpc»,»tw»:99 Другие картинки по запросу «схема бесперебойника для компьютера back verso 600 на плате e250664 yy-ck11» Жалоба отправлена Пожаловаться на картинки Благодарим за замечания Пожаловаться на другую картинку Пожаловаться на содержание картинки Отмена Пожаловаться Все результаты Схемы UPS IPPON — Схемы — РадиоЛоцман Сохраненная копия Дайте пожалуйста схему на ИБП ups ippon back power pro 700,в инете искал похожего не нашёл по плате , по дорожкам с омметром спасибо за дельный совет))) я уж и не знал что Сильно греется деталь K2608 в бесперебойнике iPPON Back Verso 600 При подключении с нагрукой ( компьютер ) через Не найдено: e250664 yy ck11 Схемы back verso400 — Схемы — РадиоЛоцман Сохраненная копия Печатные платы » Питание Нет ли у кого схемы ИБП UPS 700VA Back Pro PLUS-700 После скачка в Сильно греется деталь K2608 в бесперебойнике iPPON Back Verso 600 При подключении с нагрукой ( компьютер ) через Не найдено: e250664 yy ck11 ИБП Ippon Back Verso 600w (new ver) — периодически теряет сеть vlabsu/viewtopicphp?f=161t=65229 Сохраненная копия 27 авг 2017 г — 18 сообщений — 6 авторов внешний осмотр платы ничего не выявил, всё чистони кондёров ремонтирую компьютеры и ноутбуки, но вот ИБП ранее не делал, Не найдено: e250664 yy ck11 Обзор ИБП IPPON Back Verso 600 — iXBTcom Сохраненная копия 15 апр 2009 г — Тестируемый ИБП принадлежит к серии Back Verso В серии представлены ИБП мощностью 400 и 600 ВА Плата электроники и монтаж элементов на ней, выполнена качественно, подписано соответствие Инвертор выполнен по высокочастотной схеме , что позволило отказаться от Не найдено: e250664 yy ck11 UPS Ippon Smart Power Pro 1000 — Питание — Форум по радиоэлектронике forumcxemnet › Радиоэлектроника для профессионалов › Питание Сохраненная копия 15 июл 2013 г — Кто может подсказать или дать ссылку на схему UPS IPPON Smart Power Pro 1000 JLCPCB — 10 плат всего за 2$ + 2 дня время изготовления есть номер прям в уголке не знаю пригодится вам E 250664 YY — CK11 Ребята подскажите на UPS 600A KEBO накрылся аккумулятор можно Не найдено: компьютера verso Как проверить подстроечный резистор — Ipqco riskaipqco › Как проверить Сохраненная копия Вашему вниманию представлена схема сварочного инвертора, который вы бесперебойника для компьютера back verso 600 на плате e250664 yy ck11 Инвертор 12 — Ipqco riskaipqco/инвертор+12/ Сохраненная копия Предлагаю схему преобразователя напряжения инвертора мощность до ватт бесперебойника для компьютера back verso 600 на плате e250664 yy Джойстик руль — Ipqco riskaipqco/джойстик+руль/ Сохраненная копия Каталоге рули, компьютера , описанием схема бесперебойника для компьютера back verso 600 на плате e250664 yy ck11 · два диода параллельно Реклама СХЕМА Бесперебойника | Скачать Схему Реклама wwwchipsterru/ Схемы на все устройства Регулярные пополнения СХЕМА Бесперебойника Пояснения к фильтрации результатов Мы скрыли некоторые результаты, которые очень похожи на уже представленные выше (14) Показать скрытые результаты Вместе с схема бесперебойника для компьютера back verso 600 на плате e250664 yy-ck11 часто ищут ippon back verso 600 неисправности ippon back verso 600 пищит ippon back verso 600 pdf ippon back office 400 разборка ippon smart power pro 1000 неисправности ippon smart power pro 1000 service manual galaxy 1kva 096 18706 00 ippon smart power pro 1000 обзор Ссылки в нижнем колонтитуле Россия — Подробнее… Справка Отправить отзыв Конфиденциальность Условия Аккаунт Поиск Карты YouTube Play Новости Почта Контакты Диск Календарь Google+ Переводчик Фото Ещё Покупки Документы Blogger Hangouts Google Keep Jamboard Подборки Другие сервисы Google
Яндекс Яндекс Найти Поиск Поиск Картинки Видео Карты Маркет Новости ТВ онлайн Знатоки Коллекции Музыка Переводчик Диск Почта Все Ещё Дополнительная информация о запросе Показаны результаты для Нижнего Новгорода Москва 1 UPS IPPON Back Power Pro 600 Нужна схема monitorespecws › Схемы и сервис-мануалы › topic145095html Сохранённая копия Показать ещё с сайта Пожаловаться Информация о сайте Нужна схема бесперебойника UPS IPPON Back Power Pro 600 ( плата 098-17591-03(А) Буду очень благодарен У меня проблема с питанием схемы , буду разбираться, в чем проблема ! UPS Ippon 600 rar 43721 КБ Скачано: 23100 раз(а) Читать ещё Нужна схема бесперебойника UPS IPPON Back Power Pro 600 ( плата 098-17591-03(А) Буду очень благодарен SuperAutovolt Заглянувший Сообщения: 9 #2 от 21/03/2010 01:31 цитата Держи, если поможет ! ДОБАВЛЕНО 21/03/2010 02:50 У меня проблема с питанием схемы , буду разбираться, в чем проблема ! UPS Ippon 600 rar 43721 КБ Скачано: 23100 раз(а) комсомолец Новичок Сообщения: 11 #3 от 23/08/2011 10:03 цитата к сожалению не на наш стандарт напряжения, схема Скрыть 2 Источник бесперебойного питания ( ИБП ) Ippon Back sysadminlink › ?p=438 Сохранённая копия Показать ещё с сайта Пожаловаться Информация о сайте Вскрытие и осмотр электронной начинки источника бесперебойного питания ( ИБП ) Ippon Back Verso 600 для описания Соответственно и пропадает плата для портов мониторинга и управления ИБП В остальном в начинке вроде все более одинаково Тестировать данный ИБП не буду, это уже сделали за меня Читать ещё Вскрытие и осмотр электронной начинки источника бесперебойного питания ( ИБП ) Ippon Back Verso 600 для описания электроники и ей работы Соответственно и пропадает плата для портов мониторинга и управления ИБП В остальном в начинке вроде все более одинаково Тестировать данный ИБП не буду, это уже сделали за меня Скрыть 3 Мелкий ремонт источников бесперебойного — DRIVE2 drive2ru › b/2692892/ Сохранённая копия Показать ещё с сайта Пожаловаться Информация о сайте Подробнее о сайте ☑ Вторым в очереди на ремонт был линейно-интерактивный (line-interactive) источник бесперебойного питания Powerman Compact 650+, увидевший свет в 2004 году и пролежавший последние года четыре — пять в «суровых климатических условиях» Полный размер Жизнь изрядно потрепала — в корпусе появилась Читать ещё ☑ Вторым в очереди на ремонт был линейно-интерактивный (line-interactive) источник бесперебойного питания Powerman Compact 650+, увидевший свет в 2004 году и пролежавший последние года четыре — пять в «суровых климатических условиях» Полный размер Жизнь изрядно потрепала — в корпусе появилась трещина, которую пришлось впоследствие заклеивать Скрыть 4 ippon back verso 600 ремонт бесперебойника — YouTube youtubecom › watch?v=IyWdRmh_59U Сохранённая копия Показать ещё с сайта Пожаловаться Информация о сайте Подробнее о сайте Опубликовано: 29 дек 2017 г ippon back verso 600 ремонт бесперебойника замена АКБ Ippon BPP и автоАКБ, подробно о переделках на плате Ремонт ippon back verso 600 + хитрости — Продолжительность: 10:43 FORj Радиолюбитель 11 201 просмотр 10:43 10 самых крутых роботов на этот день Читать ещё Опубликовано: 29 дек 2017 г ippon back verso 600 ремонт бесперебойника замена АКБ Категория Наука и техника Ippon BPP и автоАКБ, подробно о переделках на плате Ремонт ippon back verso 600 + хитрости — Продолжительность: 10:43 FORj Радиолюбитель 11 201 просмотр 10:43 10 самых крутых роботов на этот день — Продолжительность: 7:33 205 Канал 617 270 просмотров Скрыть 5 Ремонт бесперебойника | поиск схем radioskotru › Ремонт бесперебойника Сохранённая копия Показать ещё с сайта Пожаловаться Информация о сайте РЕМОНТ БЕСПЕРЕБОЙНИКА Источник бесперебойного питания довольно сложное устройство, которое условно можно разделить на два блока — это Теперь осмотрим саму плату и померяем питание в ключевых точках схемы Читать ещё РЕМОНТ БЕСПЕРЕБОЙНИКА Источник бесперебойного питания довольно сложное устройство, которое условно можно разделить на два блока — это преобразователь 12В в сетевое 220В, и зарядное устройство выполняющее обратную функцию: 220В на 12В для подзарядки аккумулятора В большинстве случаев ремонт бесперебойника очень проблемный и дорогостоящий Но пробовать всё-же стоит — конечно всегда есть шанс на халяву в виде сгоревшего предохранителя Теперь осмотрим саму плату и померяем питание в ключевых точках схемы Родной принципиальной схемы бесперебойника APC500 не нашёл, но вот кое что похожее Для лучшей чёткости скачайте полноценную схему здесь Скрыть 6 Обзор ИБП IPPON Back Verso 600 | Системная плата ixbtcom › power/ups/ippon_bv600shtml Сохранённая копия Показать ещё с сайта Пожаловаться Информация о сайте Подробнее о сайте Тестируемый ИБП принадлежит к серии Back Verso В серии представлены ИБП мощностью 400 и 600 ВА Плата электроники и монтаж элементов на ней, выполнена качественно, подписано соответствие элементов принципиальной схеме Монтаж элементов двухсторонний, на обратной стороне платы Читать ещё Тестируемый ИБП принадлежит к серии Back Verso В серии представлены ИБП мощностью 400 и 600 ВА Оригинальное название серии — i Плата электроники и монтаж элементов на ней, выполнена качественно, подписано соответствие элементов принципиальной схеме Монтаж элементов двухсторонний, на обратной стороне платы широко используются планарные компоненты Указана версия и год разработки платы — 88903-04-751, 0747 модель MAX OFFICE III Плата позволяет аппаратно (путем отпаивания резистора) выставить режим работы инвертора, на 220 или на 240 В, а также выключить GreenMode — автовыключение ИБП при отсутствии нагрузки в режиме батарейной работы Скрыть 7 Схема бесперебойника для компьютера Back verso 600 на плате E250664 yy-CK11 — смотрите картинки ЯндексКартинки › схема бесперебойника для компьютера back verso Пожаловаться Информация о сайте Смотреть все результаты поиска на сервисе ЯндексКартинки 8 СХЕМА BACK UPS el-shemaru › publ/pitanie/skhema_back_ups/5-1-0-160 Сохранённая копия Показать ещё с сайта Пожаловаться Информация о сайте Схема источника бесперебойного напряжения BACK UPS достаточно сложна BACK UPS может быть использован в качестве резервного источника питания , вообще рекомендуется иметь каждому дому по бесперебойнику Читать ещё Схема источника бесперебойного напряжения BACK UPS достаточно сложна В архиве вы можете скачать большой сборник принципиальных схем , а ниже приведены несколько уменьшенных копий — клик для увеличения BACK UPS может быть использован в качестве резервного источника питания , вообще рекомендуется иметь каждому дому по бесперебойнику Если бесперебойный ИП предназначен для бытовых потребностей, то желательно выпаять с платы сигнализатор, он напоминает, что устройство работает как преобразователь, напоминание писком он делает в каждые 5 секунд, а это надоедает На выходе преобразователя чистые 210-240 вольт 50 герц, но что касается формы импульсов, там явно не чистый синус Скрыть 9 ИБП iPPON Back Verso 600 — Форум РадиоЛоцман rlocmanru › forum/showthreadphp?t=14482 Сохранённая копия Показать ещё с сайта Пожаловаться Информация о сайте нужна схема iPPON Back Verso 600 Оценка 0 JLCPCB – 10 прототипов печатных плат будут изготовлены за $2 в течение 2 дней Крупнейший в Китае изготовитель прототипов печатных плат , более 300,000 клиентов, свыше 10,000 онлайн заказов в Читать ещё нужна схема iPPON Back Verso 600 Оценка 0 Цитата ruslan131079 Посмотреть профиль Отправить личное сообщение для ruslan131079 Найти ещё сообщения от ruslan131079 JLCPCB – 10 прототипов печатных плат будут изготовлены за $2 в течение 2 дней Крупнейший в Китае изготовитель прототипов печатных плат , более 300,000 клиентов, свыше 10,000 онлайн заказов в день Экскурсия по огромной фабрике печатных плат : 18102012, 15:57 #2 Скрыть 10 Видео по запросу схема бесперебойника для компьютера ЯндексВидео › схема бесперебойника для компьютера Пожаловаться Информация о сайте 10:42 HD 10:42 HD Ремонт ippon back verso 600 + хитрости youtubecom 2:49 HD 2:49 HD ippon back verso 600 ремонт бесперебойника youtubecom 2:10 HD 2:10 HD Ippon Back Verso 600 — источник youtubecom 8:18 HD 8:18 HD Источник бесперебойного питания Ippon Back youtubecom 10:16 HD 10:16 HD Ремонт бесперебойника Ippon после 380В youtubecom 4:31 HD 4:31 HD Ремонт ИБП Ippon Power pro 400 не стартует youtubecom 00:34 00:34 UPS Ippon Back Verso 600 бесперебойник youtubecom 13:47 Обзор: Источники бесперебойного xn--80agatlhjjbulhxn--80abgfrnh0cxn--p1ai 12:24 ИБП Ippon — Компактный бесперебойник для PC xn--e1afkclaggf6a2gxn--80abgfrnh0cxn--p1ai 9:36 HD 9:36 HD Ремонт ИБП Ippon Back Power Pro 800 okru Ippon Back Verso 600 — источник tubeytcom + 5 млн Все видео Схема бесперебойника ( ибп ) для компьютера , а также generatorexpertsru › …sxemy-besperebojnikahtml Сохранённая копия Показать ещё с сайта Пожаловаться Информация о сайте Источник бесперебойного питания для компьютера — это та вещь, о пользе которой Рассмотрим, схемы бесперебойника для компьютера Предлагаем ознакомиться с устройством ИБП на примере модели APC Back -UPS RS800 Подключение Читать ещё Источник бесперебойного питания для компьютера — это та вещь, о пользе которой вспоминают чаще всего в тех случаях, когда он был бы необходим, изучаем тему и рассмотрим схемы Рассмотрим, схемы бесперебойника для компьютера Функция, которую выполняет источник бесперебойного питания (сокращенно — ИБП , или UPS — от английского Uninterruptible Power Supply), максимально полно отражена в самом его названии Являясь промежуточным звеном между электросетью и потребителем, ИБП должен в течение определенного времени поддерживать электропитание потребителя Предлагаем ознакомиться с устройством ИБП на примере модели APC Back -UPS RS800 Подключение Скрыть IPPON backpower pro 500 new отключение green power monitorlabru › Список разделов › viewtopicphp?t=21289 Сохранённая копия Показать ещё с сайта Пожаловаться Информация о сайте Схемы Даташиты Книги и статьи Через 5 минут срабатывает функция green power Плата внутри не такая как на обычном backpower Получил ответ, что отключение green power в данной модели бесперебойника осуществляется выпаиванием smd-резистора R43 Читать ещё Схемы Даташиты Книги и статьи Софт для ремонта Проект port3 Через 5 минут срабатывает функция green power Плата внутри не такая как на обычном backpower pro 500 (белом) Все инструкции по отключению green power в интернете для белого бесперебойника Написал в техподдержку Получил ответ, что отключение green power в данной модели бесперебойника осуществляется выпаиванием smd-резистора R43 сделано Никакого видимого эффекта не произошло Повторно написал в техподдержку Скрыть как разобрать ибп ippon back verso 600 и выяснить в чем vkcom › topic-100550976_32862161 Сохранённая копия Показать ещё с сайта Пожаловаться Информация о сайте Регистрация Чужой компьютер Андрей, спс, тоже вскрываю такой же ибп Шуруп нашел (!!!) открутил, но так же , что то держит Есть еще какой то трюк))? Нравится Показать список оценивших Читать ещё Регистрация Чужой компьютер Забыли пароль? Товары для радиолюбителей Обсуждения Просмотр темы19 как разобрать ибп ippon back verso 600 и выяснить в чем причина не исправности? Андрей Седых 28 дек 2015 в 22:19 Андрей, спс, тоже вскрываю такой же ибп Шуруп нашел (!!!) открутил, но так же , что то держит Есть еще какой то трюк))? Нравится Показать список оценивших Скрыть Ремонт Ups Ippon Back Comfo Pro 600 — ATX и UPS forumcxemnet › indexphp?/topic/144562…back…600/ Сохранённая копия Показать ещё с сайта Пожаловаться Информация о сайте Подробнее о сайте Искал схему этого UPS’a, ничего не нашел, есть похожие схемы от Back Power Pro 600 но они отличаются Вот обозначения на плате : MAIN -87XX/MODULE 098-17138-02-S2 (плюс оранжевая наклейка с кодом: 710-D43320-00-725 (e1)) Читать ещё Искал схему этого UPS’a, ничего не нашел, есть похожие схемы от Back Power Pro 600 но они отличаются Вот обозначения на плате : MAIN -87XX/MODULE 098-17138-02-S2 (плюс оранжевая наклейка с кодом: 710-D43320-00-725 (e1)) P S Может у кого есть такой UPS, может просто посмотреть, какой там должен быть резистор Поделиться сообщением Ссылка на сообщение Поделиться на других сайтах Adver 256 Скрыть Конструкция и ремонт источников бесперебойного master-tvcom › article/apc-back-ups/ Сохранённая копия Показать ещё с сайта Пожаловаться Информация о сайте Удивляет полное отсутствие информации о таких распространенных приборах, как источники бесперебойного питания Мы прорываем информационную блокаду и приступаем к публикации материалов по их устройству и ремонту Читать ещё Удивляет полное отсутствие информации о таких распространенных приборах, как источники бесперебойного питания Мы прорываем информационную блокаду и приступаем к публикации материалов по их устройству и ремонту Из статьи Вы получите общее представление о существующих типах бесперебойников и более подробное, на уровне принципиальной схемы , — о наиболее распространенных моделях Smart-UPS Надежность работы компьютеров во многом определяется качеством электрической сети Скрыть Помогите опознать детали в бесперебойнике Back Verso monitornetru › Конференция(форумы › back-verso-600-info… Сохранённая копия Показать ещё с сайта Пожаловаться Информация о сайте здравствуйте Помогите опознать детали, бесперибойнике Back Verso 600 плата 098-87019-00, выгорели три планарных резистора R001 R003 и R024 Список форумов » Другая аппаратура » Помогите опознать детали в бесперебойнике Back Verso 600 Ippon Back Office 600 , нет зарядки аккумулятора zipstoreru › Блог › …-back-office-600-net… Сохранённая копия Показать ещё с сайта Пожаловаться Информация о сайте Простенький ремонт ИБП Ippon Back Office 600 очень удивил своей Упрощенный вариант схемы ИБП Ippon Back Office 600 , силовая и зарядная цепь Материнская плата из этого ИБП готовое решение для многих поделок, причем абсолютно не нуждающееся в переделке, достаточно только нарастить ее Читать ещё Простенький ремонт ИБП Ippon Back Office 600 очень удивил своей схемотехникой Лаконичная простота довольно сложной схемы выше всяких похвал Упрощенный вариант схемы ИБП Ippon Back Office 600 , силовая и зарядная цепь Материнская плата из этого ИБП готовое решение для многих поделок, причем абсолютно не нуждающееся в переделке, достаточно только нарастить ее дополнительными модулями по вкусу, а логичность схемотехники даже не требует принципиальной схемы для понимания алгоритма работы Скрыть ИБП Ippon Back Verso 600 — купить в интернет магазине Бытовая техника Неделя скидок Мебель Весь каталог techportru › Ибп-Ippon-Back-Verso Не подходит по запросу Спам или мошенничество Мешает видеть результаты Информация о сайте реклама Тысячи товаров по отличной цене! Доставка/самовывоз! Спеши! Магазин на Маркете Нижний Новгород Схема ! / bbglru bbglru › company Не подходит по запросу Спам или мошенничество Мешает видеть результаты Информация о сайте реклама Схема — проекты, тендеры, субподряды, контакты Вместе с « схема бесперебойника для компьютера back verso 600 на плате e250664 yy-ck11 » ищут: схема бесперебойника схема бесперебойника для компьютера схема бесперебойника ippon back power pro 600 схема бесперебойника ippon back power pro 400 схема бесперебойника ippon back verso 600 схема бесперебойника ippon back power pro 500 схема бесперебойника на 18650 схема бесперебойника apc 500 схема бесперебойника 50гц синус схема бесперебойника apc 1000 1 2 3 4 5 дальше Bing Google Mailru Схема бесперебойника для компьютера Back verso 600 на плате E250664 yy-CK11 — смотрите картинки ЯндексКартинки › схема бесперебойника для компьютера back verso Пожаловаться Информация о сайте Смотреть все картинки Нашлось 256 млн результатов Дать объявление Показать все Регистрация Войти 0+ В ЯндексБраузере теперь можно поиграть с Алисой Установить Закрыть Спасибо, что помогаете делать Яндекс лучше! Эта реклама отправилась на дополнительную проверку ОК ЯндексДирект Попробовать ещё раз Включить Москва Настройки Клавиатура Помощь Обратная связь Для бизнеса Директ Метрика Касса Телефония Для души Музыка Погода ТВ онлайн Коллекции Яндекс О компании Вакансии Блог Контакты Мобильный поиск © 1997–2018 ООО «Яндекс» Лицензия на поиск Статистика Поиск защищён технологией Protect Попробуйте быстрый Браузер с технологией защиты Протект 0+ Установить
Ippon back power pro 800 manual
• ˜‚.
lathe it-1m operation manual
Hardware compatibility list.
user guide for nikon capture nx
-
Нужна схема, описание работы бесперебойника IPPON Back Power Pro 500 Blazer 400-800 service manual.
doc.zip 554.73 КБ Скачано: 742 раз(а) .to manually shut down everything. Support level legend APC, Back-UPS 1200BR (Microsol) Cito Power, CPG-SR1000 Ippon, Back Power Pro 400/500/600/700/800 LAN Saver.Модели Back-UPS не используют микропроцессор, а в моделях Back-UPS Pro, Smart-UPS, адаптер Power.http: reviews/power/195-review-voltage-regulator-ippon с ИБП IPPON Back Comfo.IPPON Back Power Pro 800 оснащен 3 (тремя) розетками формата IEC 320. Розетки расположены с обратной.IPPON Smart Power Pro 2000 IPPON Back Power PRO 600 IPPON Back Power PRO Remove Green Function IPPON Back Power PRO 400-500-600-700-800 SM User Manual.Download Riello 800 Kva Ups Manual View and Download Riello 100 kVA manual online. UNINTERRUPTIBLE POWER SUPPLY SYSTEM. 100 Ippon Back Power.
-
как отключить Green Poiwer в Ippon Back Verso 800 Ippon back pro 600, 800 и Green Power; Ippon backpower pro 500 new отключение Green Power.Ippon.
Плохое Back Comfo Pro 800: 9: 2200: Back Power Pro LCD Euro 600: 7,2: 1600: Back Power Pro LCD Euro 800: 9: 2200: Back Basic 650: 7: 1600: Back Power.IPPON — простое, надежное и удобное средство МОДЕЛЬ. Back Comfo Pro 400 / Back Comfo Pro 600 / Back Comfo Pro 800 Back Power.Luxeon Ups 500lu Service Manual. luxeon ups-500lu · принципиальная схема ups ippon back power pro 500 User manual APC BACK-UPS.Apc Ups Pro 1000 Manual APC Back-UPS XS,600 Watts usbhid-ups mini+UPS PRO Ippon, Back Power Pro 400/500/600/700/800 APC Power-Saving Back-UPS.Накрылся ИБП IPPON back power pro 400. Хотелось бы посмотреть схемку на него. Или подскажите про.Источники бесперебойного питания (UPS) серии Back Power Pro LCD (400/500/600/700/800 ВА) – обновленная версия популярной модели Back Power .
-
привет всем! подскажите как к ippon back power pro 700 подключить напрямую постоянный ток? у меня.The software provides complete power protection for computer system while encountering power failure.
With this software, WinPower software user manual.ИБП Ippon Back Power LCD Pro 800. 0 manual_back_power_lcd_pro-pdf_0_3092.pdf. Аналоги (18) Аналоги ИБП Ippon Back Power.Ippon Back Power Pro 400/500/600/700/800 blazer_ser Ippon Back Power Pro 400/500 Ippon Back Comfo Pro 600/800 blazer_ser Ippon Back Comfo.Back-UPS Pro, apcsmart, 1 Ippon, Back Power Pro 400/500/600/700/800 Apc Back Ups Ups Pro 1000 Manual CLICK.Electronics service manual exchange : schematics,datasheets,diagrams,repairs,schema,service manuals,eeprom bins,pcb as well as service mode entry, make to model.Ippon(Иппон) Back Comfo Pro 800 Источники Бп, инструкция, поддержка, форум, описание, мануал.
Peugeot manual repair manual
Ippon back power pro 800. 800: 12В / 9 blazer 400-800 service manual. Это точно их схема? там нигде не написано.Green Power tiene una función que ayuda a guardar los datos y advierte a la Ippon Volver Comfo Pro 800 se vende en los puntos de Manual de instrucciones.
The software provides complete power protection for computer system while WinPower software user manual for VMwareESXi download : Click.Manual Apc Back-ups Pro 1000 Back-UPS Back-UPS Pro USB Ippon, Back Power Pro 400/500/600/700/800 Back-UPS.
Comment
мануал, сравнение с конкурентами и отзывы
Ippon Back Comfo Pro 800 используется для рабочих станций и персональных компьютеров. Защищает их от скачков напряжения и других помех, возникающих в электрической сети. Имеет функцию Green Power, которая помогает сохранять данные и предупреждает техника о проблемах, связанных с внезапным отключением электроэнергии.
Описание аппарата
Ippon Back Comfo Pro 800 имеет стильный и современный дизайн. Он используется для компьютеров, как персональных, так и периферийных, а также для графических станций и компьютеров.Используйте устройство для телекоммуникационного оборудования. Это обеспечивает бесперебойную работу электронных устройств. Защищает их от потери данных.
На передней панели IHD находится кнопка переключения источника питания. Справа индикатор неисправности устройства, свидетельствующий о полном разряде аккумулятора или о необходимости замены аккумулятора. В этих случаях светодиод горит красным. Слева от кнопки включения находится индикатор, показывающий, как работает устройство: от сети (горит зеленый свет) или от аккумулятора (светодиод мигает зеленым).
Верхняя консоль оснащена удобной ручкой для переноски устройства. За ним расположены четыре выхода, отвечающие за фильтрацию скачков напряжения. Ниже представлены еще две розетки под евротехнику. Они не только защищают от скачков напряжения, но и могут обеспечивать резервное питание электрооборудования.
Задняя панель Comfo Pro 800 оборудована выходом для кабеля электропитания.Слева расположены порты COM и USB. Рядом с портами находится автоматический выключатель.
Комплект поставки
Ippon Back Comfo Pro 800 продается в торговых точках в следующем комплекте. Это:
- источник бесперебойного питания;
- инструкция по эксплуатации;
- гарантийный талон;
- CD-ROM с русифицированным ПО;
- комплект шнуров.
Программное обеспечение на компакт-диске отображает такие данные, как частота, напряжение и заряд батареи.Указывает уровень нагрузки на устройство и другие параметры.
В комплект шнуров входят:
- кабель для подключения к сети;
- два провода с разъемом IEC 320, предназначенные для подключения электрических устройств;
- шнур для подключения к ПК в формате RS-232;
- провод для связи с ПК с разъемом USB A-B;
- телефонный кабель.
Из руководства пользователя вы можете найти адреса сервисных центров, расположенных в 48 городах России.Гарантия на устройство составляет 1-2 года.
Зарядка устройства
Ippon Back Comfo Pro 800 поставляется со встроенным аккумулятором, который на момент продажи товара полностью заряжен. Несмотря на это, устройство может быть разряжено во время транспортировки. В этом случае его нужно будет зарядить. Для этого источник бесперебойного питания подключают к электросети и оставляют на восемь часов и более. При зарядке ИБП не подключайте к нему другое оборудование.
Перед подключением Ippon Back Comfo Pro 800 (новый черный) к сети убедитесь, что напряжение сети соответствует номинальному напряжению, которое составляет 220 В.Сетевой шнур подключается к устройству с одной стороны, а к розетке — с другой. Все устройства подключаются в соответствии с разъемами, расположенными на верхней панели ИБП, используя для этого соответствующие провода.
Телефонный и модемный кабель подключается к входному разъему устройства, расположенному вверху.
Работа источника бесперебойного питания
Ippon Back Comfo Pro 800 (в инструкции подробно описаны все нюансы использования устройства), при первом запуске он запускается автоматически.Чтобы выключить его, нажмите соответствующую кнопку. Его также следует использовать для перезапуска устройства.
Если устройство не подключено к сети, можно активировать функцию «холодный» старт. С его помощью устройство защищает электрооборудование, подавая питание непосредственно от аккумулятора. Чтобы запустить его, просто нажмите кнопку запуска ИБП.
Бункер имеет режим Green Power, который при отсутствии электрического напряжения автоматически отключает устройство, если к нему не подключена нагрузка.
Если аккумулятор пришел в негодность, его следует заменить. Для этого откручиваем винты, расположенные в нижней части блока, и слегка прижимаем.
В комплекте с ИБП находится привод, на котором расположена программа WinPower 2004. Для того, чтобы установить его, вам необходимо вставить диск в компьютер и следовать рекомендациям, которые появляются на экране.
Технические возможности устройства
ИБП Ippon Back Comfo Pro 800 (New) характеризуется мощностью 800 ВА / 480 Вт. Напряжение устройства на выходе и входе 220 В. Диапазон возможных напряжений Отклонения колеблются в диапазоне от 162 В до 268 В.
Устройство имеет герметичный свинцовый аккумулятор, состоящий из шести элементов. В режиме ожидания может работать от 5 до 30 минут. Время зависит от загрузки устройства. Устройство заряжается на 90% за восемь часов.
Comfo Pro 800 оснащен звуковым сигналом. Так, в режиме ожидания он издает редкие гудки, с периодичностью один раз в десять секунд.
Устройство имеет следующие параметры:
- длина — 300 мм;
- ширина — 124 мм;
- высота — 210 мм.
Вес ИБП 6,4 кг. Устройство совместимо со всеми операционными системами Windows и Linux.
Возможные неисправности
В процессе работы устройства возможны различные неисправности. Например, зеленый светодиод на передней панели Ippon Back Comfo Pro 800 может не гореть — аккумулятор, встроенный в устройство, неисправен или отсутствует. Еще одна похожая ситуация возникает при выключении устройства. Нерабочую батарею следует заменить на новую.Если аккумулятор отсутствует, его необходимо вставить.
Если питание от сети находится в пределах нормы, и устройство издает непрерывный звуковой сигнал, это указывает на перегрузку ИБП.
Если во время отключения электроэнергии аккумулятор быстро разряжен, это означает, что устройство перегружено, аккумулятор разряжен или аккумулятор неисправен. В первом случае все второстепенные грузы удаляются из резервного бункера.Когда аккумулятор разряжен, его необходимо зарядить. Если аккумулятор неисправен, его следует заменить новым.
Внутренняя отделка
Ups Ippon Back Comfo Pro 800 Имеет маркировку аккумулятора NPW 45-12. Емкость аккумулятора устройства составляет 9 Ач, а рабочее напряжение колеблется в районе 12 В. Эта батарея отличается повышенным КПД 75% при 10-минутном разряде.
Внутренний дизайн устройства выполнен в традиционном стиле. В нижней части устройства расположены трансформатор и аккумулятор, а верхняя часть отведена под плато электроники.
Основной корпус электроники расположен на однослойной плате с использованием текстолита приличного качества.
Защита от перепадов напряжения осуществляется с помощью варистора. Коммутация обмоток производится через реле.Максимальный коммутируемый ток на одно реле — 7А, но при напряжении 270 В. Эта особенность устройства позволяет подключать нагрузку до 1800 ВА. Инвертор работает на четырех транзисторах. Создает приближенную синусоидальную волну. На площади 120 кв. см в общем радиаторе расположены силовые транзисторы. Они соединяются с радиатором с помощью прокладки и крепятся саморезами. Каждый из них характеризуется мощностью 100 Вт, шкалой рабочих температур до 175 ° C и напряжением 30 В.
Блок, отвечающий за регулирование выходного напряжения (АРН), был создан схемой автотрансформатора. В бесперебойнике используют трансформатор на Ш-образном сердечнике с одной ступенью автопреобразования.
Положительные стороны устройства
Ippon Back Comfo Pro 800 (черный) можно использовать в домашних условиях. Среди его преимуществ пользователи выделяют:
- стабилизацию выходного электрического напряжения, влияющую на весь диапазон нагрузок;
- стильный и современный дизайн;
- полный комплект, включающий в себя набор шнуров и ПО;
- годовая гарантия: не только на товар, но и на аккумулятор;
- Русифицированная программа на устройство;
- Порты USB и RS 232 для подключения к ПК;
- звуковое оповещение о состоянии устройства;
- световая индикация состояния аккумулятора;
- защита от коротких замыканий и различных перегрузок;
- функция «холодный старт», позволяющая запускать оборудование при отсутствии напряжения; Розетки
- евро;
- микропроцессорное управление.
Эти и другие достоинства устройства выгодно отличают его от остальных. Укажите хорошее качество и достойные характеристики.
Минусы
Среди недостатков ИБП Ippon Back Comfo Pro 800 отметим нерегулируемый режим энергосбережения, отсутствие поддержки Smart Battery и неудобную схему зарядки. В некоторых случаях пользователи указывают на сильный нагрев корпуса и небольшое количество евророзеток.
Сравнение с конкурентами, лучший бесперебойник
Ippon back comfo pro 800 полностью оправдывает все заявленные производителем функции, но, рынок не стоит на месте, и конкуренты пытаются создать что-то новое, более совершенное.Итак, по мнению большинства пользователей, лучшие ИБП:
- APC by Schneider Electric Smart-UPS 1000 ВА. Есть звуковая сигнализация и ЖК-дисплей, чего нет в Ippon Comfo Pro 800. Выходная мощность 650 Вт. Есть восемь разъемов для подключения к ПК. Аккумулятор полностью заряжается за три часа, в отличие от Comfo Pro 800, который заряжается от 8 часов и более. При полной нагрузке в режиме ожидания работает 6 минут, а при половинной — 20 минут. Стоит больше, чем Иппон, около 30 тысяч рублей.
- Inelt Smart Station Power 1500. Выходная мощность — 900 Вт. Есть режим «холодный старт». Аккумулятор заряжается на 100% за 12 часов. Способен защитить не только локальную сеть, но и телефонную линию. Блокирует воздействие высоковольтных импульсов. У Comfo Pro 800 такой функции нет. Стоит около десяти тысяч рублей.
- IPPON Smart Winner 1000. Выходная мощность устройства 650 Вт. Время работы в режиме ожидания при полной нагрузке 5 минут. Параметры устройства позволяют монтировать его в 19-дюймовую стойку.Устройство полностью заряжается за три часа. Он несколько дороже Comfo Pro 800, примерно на 11-14 тысяч рублей.
- Ippon back comfo pro 800 новый. Имеет выходную мощность 420 Вт, функцию «Холодный старт». У него восемь розеток евро, в отличие от Comfo Pro 800, у которого их два. Устройство защищает городские и телефонные сети от всевозможных помех и импульсов высокого напряжения. Стоит Ippon back comfo pro 800 новый 5000 руб.
- FSP Group EP 1000. Выходная мощность — 600 Вт.
Есть звуковое оповещение и световая индикация.Имеет четыре розетки для подключения ПК. Аккумулятор заряжается за 6 часов. Устройство защищает электрооборудование от короткого замыкания и помех в сети. Стоит устройство около 4 тысяч рублей.
- IPPON Smart Power Pro 1400. Выходная мощность устройства 1400 ВА. Зарядка аккумулятора занимает 4 часа. Есть светодиодные индикаторы и звуковое предупреждение. Устройство имеет 4 розетки евро. Стоит около 10 000 руб.
Хороший бесперебойник надежно защитит компьютер и другое оборудование от линейных помех.«Дорогие» устройства считаются более надежными, имеют более обширный функционал, дольше работают в режиме ожидания и имеют больший срок службы.
Стоимость
Цена на Ippon Comfo Pro 800 колеблется от 5000 до 7000 рублей. Стоимость зависит от наценки в торговой сети. Цвет устройства не влияет на его цену.
Где купить?
ИБП Ippon Back Comfo Pro 800 (черный) можно найти в магазинах компьютерной и бытовой техники, таких как Эльдорадо, Computer Market, Ситилинк, DNS и других.
Отзывы об устройстве
Ippon Comfo Pro 800 отзывы очень разные. Некоторые полностью довольны данным устройством, отмечают его стильный дизайн, отличное качество сборки, оснащение, в том числе наличие всех необходимых проводов. Пользователям нравится удобная ручка для переноски и специальные зажимы для крепления проводов, а также наличие евророзеток. Эти люди говорят, что аппарат работает стабильно, бесшумно, со своими задачами справляется.При выключении свет с нагрузкой держится около 10 минут.
Отрицательные отзывы говорят о том, что устройство сильно греется, имеет нестабильный выходной ток. Программное обеспечение плохо установлено на компьютере и не определяет бесперебойник. Даже во время работы ИБП постоянно щелкает. Есть те, кто говорят, что устройство не справляется со своими функциями, плохо стабилизирует напряжение и не защищает оборудование от скачков в электрической сети.
Оборудование для ремонта источников бесперебойного питания.

Современные ИБП отличаются технологической и конструктивной сложностью, поэтому их диагностику и ремонт должны проводить специалисты сервисного центра. Обслуживаем источники бесперебойного питания UPS. Все производители и любые модели.
В связи с наличием специализированного оборудования, ремонт ИБП осуществляется на компонентном уровне, что снижает его стоимость по сравнению с модульной заменой элементов.
Все ремонтные работы с ИБП Производится только в сервисном центре больницы. При желании вы можете заказать свою услугу — доставка оборудования в больницу и обратно.
Диагностика бесплатна, даже если заказчик не отремонтирует
Цены на ремонт источника бесперебойного питания
Диагностика в стационаре
бесплатно
Срочная диагностика в больнице (в течение 60 мин)
Доставка товара в в сервис и обратно (в пределах МКАД, +35 руб / км от МКАД)
Восстановление прошивок источников бесперебойного питания (UPS / UPS) мощностью до 750Вт
Замена батарей источника бесперебойного питания (UPS / UPS ) до 750Вт
Запасные внутренние элементы Источники бесперебойного питания (UPS / UPS) до 750Вт
Профилактическое обслуживание источников бесперебойного питания (UPS / UPS) мощностью до 750Вт
Ремонт плат источников бесперебойного питания (UPS / UPS) ) мощностью до 750Вт (Back-UPS) 1
Устранение неконтактов источника бесперебойного питания (UPS / UPS) мощностью до 750Вт
Аккумулятор Замена (ИБП / ИБП) мощностью до 750 Вт без разборки
Восстановление прошивки ИБП (ИБП) мощностью от 750 Вт до 3000 Вт
Замена внутренних элементов ИБП (ИБП) мощностью от 750 Вт до 3000 Вт
Настройка, коррекция, калибровка ИБП (ИБП) мощностью от 750Вт до 3000Вт
Профилактическое обслуживание ИБП (ИБП) мощностью от 750Вт до 3000Вт
Ремонт входных / выходных разъемов ИБП (ИБП) мощностью от 750Вт до 3000Вт
Ремонт Зарядное устройство (ИБП) мощностью от 750Вт до 3000Вт
Место ремонта инверторного ИБП (ИБП) мощностью от 750Вт до 3000Вт (простой ремонт)
Ремонт платы инвертора IPS (ИБП) мощностью от 750Вт до 3000Вт ( ремонт повышенной сложности)
Ремонт платы инвертора IPS мощностью от 750 Вт до 3000 Вт (ремонт средней сложности)
Ремонт платы управления ИБП (ИБП) мощностью от 750 Вт до 3000 Вт (простой ремонт)
Ремонт U Плата управления ПС (ИБП) мощностью от 750Вт до 3000Вт (ремонт повышенной сложности)
Ремонт платы управления ИБП (ИБП) мощностью от 750Вт до 3000Вт (ремонт средней сложности)
Устранение неконтактных ИБП (ИБП ) мощностью от 750Вт до 3000Вт
Наша компания специализируется на ремонте источников бесперебойного питания любых моделей ОТ.
Ремонт ИБП (ИБП) требует профессионального оборудования, поэтому не выезжайте на объект к заказчику. Диагностируем проблему в сервисном центре абсолютно бесплатно . В качестве минимальной дополнительной платы Вы можете заказать услугу у нас. Курьер заберет ваше неработающее устройство из дома, а через короткое время вернет по указанному адресу в хорошем состоянии.
На каждого клиента составляется подробных актов приема ИБП в стационар с указанием модели и неисправности. По этому акту вы можете получить товар после диагностики или ремонта. Мы уверены как в запчастях, так и в навыках нашей команды, поэтому записываем новые детали, если возникла необходимость замены старых. При заказе диагностики и последующего ремонта мы можем получить актуальные sMS-уведомления О ходе выполнения обращайтесь за консультацией по интересующему вопросу.
Оплатить заказ Вам удобно: наличными, банковской картой или безналичным расчетом. Наши услуги по ремонту оптимально доступны в Москве и соответствуют стандартам качества. Мы используем только оригинальные запчасти и сертифицированное оборудование.
Определение ИБП
ИБП — Источник бесперебойного питания , обеспечивающий подачу питания при временном отключении основного источника, а также защиту от помех в электрической сети Основной источник. ИБП специализированные для обеспечения бесперебойного питания стационарного компьютера, электронных банковских систем; системы защиты и т.д. аккумулятор и обратно;
Основные узлы ИБП:
- сетевой фильтр;
- плата управления и интерфейс для компьютера;
- Плата силовой электроники.
Основные неисправности источника бесперебойного питания
При нажатии на кнопку ВКЛ / ВЫКЛ не загорается индикатор
ИБП издает звуковой сигнал.
Причиной неисправности может быть повреждение блока сетевого фильтра, перегорание сетевого предохранителя, увеличение допустимой нагрузки на ИБП.
ИБП издает кратковременный звук
В этом случае источник бесперебойного питания надежно отрабатывает напряжения в сети, переходя в резервный режим.
Совет:
- проверьте настройки сети;
- установить наивысший диапазон входного напряжения с помощью микровыключателей № 3 и № 4 на задней панели источника бесперебойного питания;
- Проверить исправность аккумуляторов.
ИБП выдает сигнал аварии
Световой индикатор «Х» красный
Вероятной причиной поломки может быть разряд АКБ, выход предохранителя, увеличение нагрузки источника бесперебойного питания или выход из строя компонентов на плата силовой электроники: диодный мост; ключевые полевые транзисторы; Управляющие транзисторы и срабатывание тепловых согласований.
Наконечник:
- проверьте напряжение и емкость аккумулятора и при необходимости зарядите их;
- проверить и при необходимости заменить предохранитель на новый;
- отключить часть нагрузки источника бесперебойного питания, оставив фиктивно разрешенным;
- Проверить работоспособность указанных электронных компонентов и, при необходимости, заменить поврежденные.
При нажатии на кнопку ТЕСТ индикатор «Х» горит красным
В этом случае батарея сильно разряжена +12 В.
Примечание: Выполните полную зарядку аккумуляторов или отключите их от интенсивного источника бесперебойного питания и зарядите от зарядного устройства.
Индикатор пропадает «~», а индикатор с изображением батареи +/- загорается
Такое выявление повреждения говорит о том, что пропало входное напряжение питания, и переход в резервный режим не произошел из-за из-за разряда аккумулятора или из-за повреждения платы силовой электроники.
Наконечник:
- зарядите аккумулятор;
- Проверить работоспособность электронных элементов инвертора — ключевых транзисторов, управляющих транзисторов, диодов. При необходимости замените вышедшую из строя деталь на плате.
Источник бесперебойного питания представляет собой довольно сложное устройство, которое можно разделить на два блока — это преобразователь 12В в сеть 220В и зарядное устройство, выполняющее обратную функцию: 220В на 12В для подзарядки аккумулятора. В большинстве случаев ремонт без перебоев бывает очень проблематичным и дорогостоящим.Но попробовать все же стоит — конечно всегда есть шанс замерзнуть в виде перегоревшего предохранителя 🙂
Друг в компании скинул неработающую бесперебойную модель APC 500 model. Но прежде чем поставить его по частям, решил попробовать его реанимировать. И как оказалось не зря. Прежде всего, измерьте напряжение на аккумуляторной гелевой батарее. Для бесперебойного функционирования оно должно быть в пределах 10-14В.
Теперь рассмотрим плату и мощность в ключевых точках схемы. Родной концепции Uninterrupted APC500 не нашел, но вот что-то похожее. Для большей наглядности скачать полноценный здесь. Проверяем мощные еловые транзисторы — норма. Питание электронной управляющей части источника бесперебойного питания идет от небольшого сетевого трансформатора на 15В. Измеряем это напряжение до диодного моста, после и после стабилизатора 9В.
А вот и первая ласточка. Напряжение 16В после фильтра поступает на микросхему — стабилизатор, а на выходе всего пара вольт. Заменяем его на модель, аналогичную по напряжению и сбрасываем питание схемы блока управления.
Бесперебойник начал трескаться и гудеть, но в розетке 220В все равно не наблюдается. Продолжаем внимательный осмотр печатной платы.
Еще одна проблема — сгорела одна из тонких дорожек и мне пришлось заменить ее тонкой проволокой.
Тестирование в реальных условиях пришло к выводу, что встроенный стипендиальный сигнализатор отсутствия сети кричит так же плохо, и не помешало бы ее немного успокоить. Полностью отключить нельзя — так как в аварийном режиме не будет слышно состояние аккумулятора (определяется частотой сигналов), но можно сделать тише.
Это достигается включением резистора на 500-800 Ом последовательно с излучателем звука. И напоследок несколько советов владельцам бесперебойной работы. Если он иногда отключает нагрузку, возможно проблема с «засохшими» конденсаторами. Подключите ИБП ко входу заведомо исправного компьютера и посмотрите — остановится ли курок.
ИБП иногда некорректно определяет бак свинцовых аккумуляторов, показывая статус ОК, но это означает только переключение на них, так как они вдруг садятся и нагрузка «выбивает».Убедитесь, что клеммы плотно прилегают, а не свисают.
Обсудить бесперебойный ремонт артикул
Компания «Элемент +» выполняет ремонт бесперебойных источников питания (ремонт ИБП) ИБП в Москве и ближайших городах Подмосковья — Мытищах, Королеве, Пушкино, Долгопрудном.Мы работаем как с физическими лицами, так и с юридическими. Есть возможность заключения договора на сервисное обслуживание и ремонт , как источников бесперебойного питания, и оргтехники в целом. Оплата может производиться банковским переводом.
Ремонт источников бесперебойного питания (ИБП) в «Элемент +»
Долгое время работая за компьютером, разрабатывая новую программу или просто набирая текст, человек не всегда задумывается о том, что из-за проблем с питанием его многочасовые часы могут уйти на помпу.
Ремонт ИБП (ремонт ИБП). Единый прайс-лист
| No.п / п |
Тип оборудования |
Диагностика и ремонт, руб. |
| 1 | Источники бесперебойного питания ИБП до 6 кВА | из 800. |
| 2 | Источники бесперебойного питания ИБП от 6 кВА до 15 кВА | из 4400. |
| 3 | Источники бесперебойного питания ИБП от 20 кВА до 40 кВА | из 5800. |
| 4 | Источник бесперебойного питания ИБП от 120 кВА и выше | из 6900. |
| 5 | Замена батарей ИБП. | из 300. |
| 6 | Стабилизатор напряжения сети (зависит от мощности) | из 800. |
Наша компания также выполняет нормативно-профилактические работы по источникам бесперебойного питания и стабилизаторам напряжения. Для оценки стоимости услуг отправьте сообщение на почту Этот адрес электронной почты Защищено от спам-ботов. У вас должен быть включен JavaScript для просмотра.
Типичные неисправности ИБП
Основная проблема практически всех бюджетных моделей Источники бесперебойного питания кроется в аккумуляторе. Львиная доля ИБП низкой ценовой категории обходится без блока стабилизации напряжения. В таких моделях защита от небольших скачков напряжения осуществляется за счет кратковременного переключения на работу от аккумулятора.
Если в вашей сети явление провалов напряжения встречается довольно часто, то замена аккумулятора на такой ИБП понадобится очень скоро.
Всем известно, что скачки напряжения в электросети опасны для бытовой и компьютерной техники, а также электронных компонентов электроинструментов и промышленного оборудования. К сожалению, скачки напряжения в электросетях наших городов не редкость, а в селах — и подавляются. Для защиты оборудования от этих явлений и было изобретено устройство ИБП, сокращенное от его названия: источник бесперебойного питания.UPS это его английский. Сокращенное название. Благодаря современным технологиям, ИБП эффективно сглаживает перепады напряжения и радиопомехи, а в случае полного отключения электричество идет к потребителям с резервной батареей.
Существующие виды «неразбавителей»
На сегодняшний день существует три основных типа ИБП:
Основные неисправности
Несмотря на то, что «бесперебойник» предназначен для защиты оборудования, он сам является электронным оборудованием, которое также может выйти из строя и потребовать ремонта независимо от его типа и исполнения.
- Источник бесперебойного питания жареный. Причин такого явления может быть три: «Все хорошо» при переключении устройства на аккумулятор; «Все плохо», если непрерывный человек не прошел самотестирование; и «перегрузка».На любом ИБП для диагностики есть светодиодный или жидкокристаллический индикатор.
- ИБП не включается. На самом деле причин такого явления масса: испорчен сетевой кабель, плохой контакт в розетке, сработал предохранитель, полностью разрядил аккумулятор. Чаще всего после длительного хранения ИБП полностью разрядился аккумулятор.
- Устройство не держит нагрузку. Возможны только два типа неисправности: вышла из строя аккумуляторная батарея или поломка электроники.
В первом случае можно попробовать зарядить аккумулятор. Во втором — однозначно сервисный центр.
- Источник бесперебойного питания отключается после непродолжительной работы. Причиной отключения может быть высокая нагрузка, превышающая максимальную мощность самого «бесперебойника». Причиной отключения могут быть другие неисправности ИБП, но их диагностикой и устранением должны заниматься только специалисты сервисного центра.
Простые методы устранения этих неисправностей
Кто виноват, в основных проблемах ИБП — уже подсказали, теперь осталось решить, что делать.Получилось почти по Шекспиру!
- Напольные покрытия для ИБП . Если в процессе работы устройство часто издает звуковой сигнал, это может означать сильные перебои в подаче электроэнергии. Здесь необходимо разобраться с качеством электросети. Если причина в перегрузке совка, то изначально следует выяснить, какое устройство он создает. Для этого нужно отключить все источники нагрузки, включить «бесперебойный» и подключать поочередно.
Если не помогло, то причина писка может быть в проблемах электроники, но лучше всего обратиться в сервисный центр.
- ИБП не включается . В первую очередь следует проверить сетевой кабель подключения и предохранители, которые обычно находятся на задней стенке устройства. Если причина не в этом, то попробуйте оставить устройство включенным в сети на ночь, таким образом зарядив аккумулятор. Если аккумулятор не заряжается непрерывно, вы можете положить его на зарядку в специальное устройство (если есть) или заменить на исправный и заряженный аккумулятор.Если не помогло, то, скорее всего, проблема кроется гораздо глубже, и в этом случае у вас не получится отработать ремонт ИБП своими руками. Способ — обратиться к специалистам для диагностики и ремонта ИБП.
- ИБП не держит нагрузку . В первую очередь нужно проверить, сколько может работать устройство без сети. Если хоть так выяснилось, то проблема скорее всего в потере емкости аккумулятора. Проверить это достаточно легко, подключив к бесперебойному питанию как 100 ватную лампу накаливания.
Стандартный Акб, имеет производительность 7 а / ч. Хорошая батарея прослужит лампе не менее 20 минут. Если это время уменьшить вдвое, то акб нужно заменить.
- ИБП отключается . Опять грешил на батарею. Если с аккумулятором все в порядке, и вы уверены в его емкости, то проблема в электронике. Однозначно — в сервисный центр.
Наши самовосстанавливающиеся насадки для источников бесперебойного питания решают самые простые проблемы.Если вы не уверены в своих знаниях и у вас нет опыта «общения» с оборудованием, работающим от опасного напряжения, лучше всего обратиться к специалистам. Вы можете ознакомиться с полным перечнем услуг по ремонту и модернизации. Если у вас возникла нерешенная проблема с работой ПК, то смело обращайтесь к специалистам нашей компании, мы всегда готовы взять на себя любую сложную работу. Работаем как по городу Челябинску, так и по области.
Источники бесперебойного питания обеспечивают стабильное электроснабжение стационарных компьютеров и важных электронных систем предприятий.
Чаще всего в источниках бесперебойного питания требуется аккумулятор, так как этот блок в ИБП берет на себя основную нагрузку. В большинстве случаев причина — естественный износ аккумулятора.
Обнаружены другие неисправности, характерные для источников бесперебойного питания всех видов и марок:
- Конденсаторы: перестают работать из-за высыхания электролита.
- Вентиляторы: их работа может быть нарушена из-за высыхания смазки.
- : Очень чувствителен к изменениям нагрузки, напряжений, а в условиях неблагоприятной работы сети и выхода из строя аккумуляторов часто перестает функционировать.
Инвертор
Иногда нет помех со стороны непрерывного человека, в этом случае он должен быть оборудован фильтрами от радиочастотных и электромагнитных помех. На выходе из ИБП может произойти естественный износ устройства в результате длительной эксплуатации.
Поломки бесперебойного человека очень разнообразны, спровоцированный преждевременным ремонтом ИБП может также неблагоприятных условий эксплуатации — в частности, попадание пыли в блок блока. Поэтому в том месте, где стоит бесперебойник, всегда должно быть чисто.
Цены на ремонт ИБП:
| Производитель Cyberpower | ||
|---|---|---|
| Модель | Аккумулятор AH | Цена, руб. |
| dX650E. | 4,5 | 1500 |
| dX850E. | 7,2 | 1600 |
| dL650ELCD. | 4,5 | 1500 |
| dL850ELCD. | 7 | 1600 |
| eX650E. | 4,5 | 1500 |
| eX850E. | 7,2 | 1600 |
| bU600E. | 5 | 1500 |
| bR850ELCD. | 9 | 2200 |
bR1200ELCD. |
5,8 | 2200 |
| uT850EI. | 7 | 1600 |
| bR1000ELCD. | 9 | 2200 |
| bS850E. | 7 | 1600 |
| bS650E. | 4,5 | 1500 |
| значение600elcd. | 7 | 1600 |
| значение800elcd. | 9 | 2200 |
| значение1000elcd. | 9 | 2200 |
| значение1200elcd. | 7×2. | 3000 |
| значение1500elcd. | 9×2 | 4200 |
| значение2200elcd. | 9×2 | 4600 |
| значение1200Eilcd. | 7×2. | 3000 |
| значение1500Eilcd. | 9×2 | 4200 |
| значение 2200Eilcd. | 9×2 | 4600 |
значение 600EI. |
7,2 | 1600 |
| значение 800EI. | 9 | 2200 |
| стоимость1000ei. | 9 | 2200 |
| значение 400EI. | 4,5 | 1500 |
| значение 500EI. | 4,5 | 1500 |
| значение 700EI. | 7,2 | 1600 |
| cP1350EAVRLCD. | 8×2 | 4200 |
| cP1500EAVRLCD. | 8.5×2. | 4600 |
| pR750ELCD. | 7×2. | 3000 |
| pR1000ELCD. | 12×2. | 5800 |
| pR1500ELCD. | 17×2. | 6200 |
| pR1000ELCDRT1U. | 6V9AHX4. | 6300 |
| pR1000ELCDRT2U. | 7×4 | 5800 |
| pR1500ELCDRT2U. | 7×4 | 5800 |
pR3000ELCDRT2U. |
9×4 | 8800 |
| pR1500ELCDRTXL2U. | 9×4 | 8800 |
| pR2200ELCDRTXL2U. | 9×4 | 8800 |
| pR2200ELCDRT2U. | 9×4 | 8800 |
| pR3000ELCDRTXL2U. | 9×4 | 8800 |
| pR6000ELCDRTXL5U. | 9×16. | 32000 |
| pR750ELCDRT1U. | 6V9AHX4. | 6400 |
| илиR600ELCDRM1U. | 6V9AHX2. | 3200 |
| или R1000ELCDRM1U. | 6V7AHX4. | 5600 |
| илиR1500ELCDRM1U. | 6V9AHX4. | 6400 |
| oLS1000E. | 7×3 | 4500 |
| oLS1500E. | 9×3 | 6600 |
| oLS2000E. | 7×6. | 7800 |
| oLS3000E. | 9×6. | 13200 |
| oLS1000ERT2U. | 7×3 | 4500 |
| oLS1500ERT2U. | 9×3 | 6600 |
| oLS2000ERT2U. | 7×6. | 7800 |
| oLS3000ERT2U. | 9×6. | 13200 |
| oLS6000E. | 7×20 | 25000 |
| oLS10000E. | 9×20 | 40000 |
| oL1000ERTXL2U. | 9×3 | 6600 |
| oL1500ERTXL2U. | 9×3 | 6600 |
| oL2000ERTXL2U. | 9×6. | 13200 |
| oL3000ERTXL2U. | 9×6. | 13200 |
| oL6000ERT3UD. | 7×20 | 25000 |
| oL8000ERT3UD. | 9×20 | 40000 |
| oL10000RT3UD. | 9×20 | 40000 |
| oL6000ERT3UDM | 7×20 | |
| oL8000ERT3UDM | 9×20 | |
| oL10000RT3UDM | 9×20 | |
| oL6000E. | 7×20 | |
| oL8000E. | 9×20 | |
| oL10000E. | 9×20 | |
| oL1000EXL | 7×3 | |
| oL1500EXL | 9×3 | |
| oL2000EXL | 7×6. | |
| oL3000EXL | 9×6. | |
| Производитель IPPON | ||
| Модель | Аккумулятор AH | Цены, руб. |
| Бэк-офис 400. | 4,5 | 1500 |
| Бэк-офис 600. | 7 | 1600 |
| Бэк-офис 1000. | 7.2×2. | 3000 |
| Назад Verso New 400 | 4,5 | 1500 |
| Назад Verso New 600 | 5 | 1500 |
| Назад Verso New 800 | 7 | 1600 |
| Назад Verso 400. | 4,5 | 1500 |
| Назад Verso 600. | 7 | 1600 |
| Назад Verso 800. | 9 | 2200 |
| Назад Comfo Pro 400 | 4,5 | 1500 |
| Задний Comfo Pro 600 | 7 | 1600 |
| Задний Comfo Pro 800 | 9 | 2200 |
| Back Power Pro LCD EURO 600 | 7,2 | 1600 |
| Back Power Pro LCD Euro 800 | 9 | 2200 |
| Назад Basic 650. | 7 | 1600 |
| Back Power Pro LCD 400 | 7 | 1600 |
| Back Power Pro LCD 500 | 7 | 1600 |
| Back Power Pro LCD 600 | 7 | 1600 |
| ЖК-дисплей Back Power Pro 800 | 9 | 2200 |
| Back Power Pro 400 | 7,2 | 1600 |
| Back Power Pro 500 | 7,2 | 1600 |
| Back Power Pro 600 | 7,2 | 1600 |
| Back Power Pro 700 | 7,2 | 1600 |
| Back Power Pro 800 | 9 | 2200 |
| SMART POWER PRO 1000 | 7×2. | 3000 |
| SMART POWER PRO 1400 | 9×2 | 4200 |
| SMART POWER PRO 2000 | 9×2 | 4200 |
| Smart Winner 1000. | 9×2 | 4200 |
| Smart Winner 1500. | 9×2 | 4200 |
| Smart Winner 2000. | 7×6. | 7800 |
| Smart Winner 2000e. | 9×4 | 7600 |
| Умный победитель 3000 | 9×6. | 10800 |
| Умный победитель 1500 (2006) | 7.2C2 | 3000 |
| УМНЫЙ ПОБЕДИТЕЛЬ 2000 (2006) | 9ч3 | 4200 |
| Умный победитель 3000 (2006) | 5×8 | 11200 |
| Иннова РТ 1К. | 7×3 | 4500 |
| Innova RT 1.5K | 7×4 | 5800 |
| Иннова РТ 2К. | 9×4 | 7600 |
| Иннова РТ 3к. | 9×6 | 10800 |
| Иннова РТ 6К. | 5×15 | 21000 |
| Иннова РТ 10К. | 9×20 | 36000 |
Не официальное предложение.
Диагностика бесплатна. При отказе в ремонте также не берутся деньги на разборку и сборку оборудования.
Особенности ремонта
ИБП
— важный агрегат, которому в случае выхода из строя стоит доверять только квалифицированным мастерам.Последствия неквалифицированного вмешательства в устройство ИБП непредсказуемы, поскольку ремонт своими руками может привести к:
- дополнительные поломки, увеличивающие стоимость ремонта;
- полный выход из строя ИБП без возможности восстановления;
- нестабильно и отказы ИБП;
- ИБП оппор.
Самостоятельный ремонт возможен только при вышедшем из строя аккумуляторе, замена его невозможна. Попытки устранить другие неисправности ИБП, например плату, могут обернуться самыми опасными последствиями.
Современные источники бесперебойного питания технологически сложны и требуют профессионального подхода к ремонту. Выяснить причину неисправности ИБП можно с помощью специального диагностического оборудования, у которого есть сертифицированный мастер по ремонту электроники.
В некоторых случаях источник бесперебойного питания не подлежит восстановлению — например, при повреждении его корпуса в результате пожара или падения внутрь попала вода. О ремонтопригодности вашего ИБП достоверно может судить только Мастер, а также о возможных причинах поломки.
Заказать Диагностика и ремонт источников бесперебойного питания — APC Back-Ups 500, APC Back-Up ES 700, APC Smart-UPS 1500 и др. — Вы можете в компании «Инжиниринг». У нас есть необходимое оборудование и многолетний опыт работы.
Ремонт любой сложности
Профессионализм сотрудников, современное оборудование, наличие запчастей и большой опыт позволяют ремонтировать самые сложные устройства: ЖК-телевизоры, любые виды промышленного оборудования и микроэлектроники.
Наличие сертифицированного оборудования
Доступна даже сложная пайка микросхем BGA термопропилом. Пайка микросхем необходима при ремонте практически любой электроники — начиная от регистраторов и заканчивая сложными электронными блоками управления промышленным оборудованием.
Экономия времени
Хотя сервис по ремонту ноутбуков в Москве очень распространен, иногда он недоступен из-за отсутствия каких-либо запчастей, а заказ и доставка растягиваются на неопределенный срок.Гарантируем, что процесс пойдет быстрее. Гарантом этого являются надежные поставщики и наличие дефицитных запчастей. Вам не нужно ждать их прибытия неделями, как это было раньше.
Экономия
Ремонт всегда дешевле новой покупки. Даже если вы сломали телевизор, очень дорогой и ультрасовременный, его можно отремонтировать за небольшую сумму. Зачем «крестить» хорошую технику из-за короткой поломки? Принесите нам, узнайте причину поломки и сроки ее возникновения.Ремонт будет выполнен по разумным ценам. Не требует предоплаты — вы оплачиваете проделанную работу.
Гарантия
При восстановлении вы получите гарантийные документы, которые предусматривают бесплатный ремонт.
% PDF-1.4
%
1 0 объект
>
эндобдж
4 0 obj
(Вступление)
эндобдж
5 0 obj
>
эндобдж
8 0 объект
(Обзор сетевых средств ИБП)
эндобдж
9 0 объект
>
эндобдж
12 0 объект
(Описание)
эндобдж
13 0 объект
>
эндобдж
16 0 объект
(Установка)
эндобдж
17 0 объект
>
эндобдж
20 0 объект
(Обновление)
эндобдж
21 0 объект
>
эндобдж
24 0 объект
(Настройка и использование)
эндобдж
25 0 объект
>
эндобдж
28 0 объект
(Документация)
эндобдж
29 0 объект
>
эндобдж
32 0 объект
(Сетевая информация)
эндобдж
33 0 объект
>
эндобдж
36 0 объект
(Манифест)
эндобдж
37 0 объект
>
эндобдж
40 0 объект
(Драйверы)
эндобдж
41 0 объект
>
эндобдж
44 0 объект
(Дополнительные настройки)
эндобдж
45 0 объект
>
эндобдж
48 0 объект
(Список совместимого оборудования)
эндобдж
49 0 объект
>
эндобдж
52 0 объект
(Универсальные драйверы устройств)
эндобдж
53 0 объект
>
эндобдж
56 0 объект
(Отключение ИБП)
эндобдж
57 0 объект
>
эндобдж
60 0 объект
(Управление распределительным блоком)
эндобдж
61 0 объект
>
эндобдж
64 0 объект
(Сетевой сервер)
эндобдж
65 0 объект
>
эндобдж
68 0 объект
(Мониторинг клиента)
эндобдж
69 0 объект
>
эндобдж
72 0 объект
(Мастер)
эндобдж
73 0 объект
>
эндобдж
76 0 объект
(Раб)
эндобдж
77 0 объект
>
эндобдж
80 0 объект
(Дополнительная информация)
эндобдж
81 0 объект
>
эндобдж
84 0 объект
(Клиенты)
эндобдж
85 0 объект
>
эндобдж
88 0 объект
(upsc)
эндобдж
89 0 объект
>
эндобдж
92 0 объект
(upslog)
эндобдж
93 0 объект
>
эндобдж
96 0 объект
(upsrw)
эндобдж
97 0 объект
>
эндобдж
100 0 объект
(upscmd)
эндобдж
101 0 объект
>
эндобдж
104 0 объект
(Программы CGI)
эндобдж
105 0 объект
>
эндобдж
108 0 объект
(Ограничения доступа)
эндобдж
109 0 объект
>
эндобдж
112 0 объект
(статистика)
эндобдж
113 0 объект
>
эндобдж
116 0 объект
(изображение вверху)
эндобдж
117 0 объект
>
эндобдж
120 0 объект
(расстроен)
эндобдж
121 0 объект
>
эндобдж
124 0 объект
(Нумерация версий)
эндобдж
125 0 объект
>
эндобдж
128 0 объект
(Обратная и прямая совместимость)
эндобдж
129 0 объект
>
эндобдж
132 0 объект
(Поддержка / Помощь / и т. Д.)
эндобдж
133 0 объект
>
эндобдж
136 0 объект
(Информация о взломе / разработке)
эндобдж
137 0 объект
>
эндобдж
140 0 объект
(Благодарности / Вклады)
эндобдж
141 0 объект
>
эндобдж
144 0 объект
(Функции)
эндобдж
145 0 объект
>
эндобдж
148 0 объект
(Поддержка нескольких производителей и устройств)
эндобдж
149 0 объект
>
эндобдж
152 0 объект
(Поддержка нескольких архитектур)
эндобдж
153 0 объект
>
эндобдж
156 0 объект
(Многоуровневая и модульная конструкция с несколькими процессами)
эндобдж
157 0 объект
>
эндобдж
160 0 объект
(Поддержка резервирования — блоки питания с возможностью горячей замены / высокой доступности)
эндобдж
161 0 объект
>
эндобдж
164 0 объект
(Безопасность и контроль доступа)
эндобдж
165 0 объект
>
эндобдж
168 0 объект
(Веб-мониторинг)
эндобдж
169 0 объект
>
эндобдж
172 0 объект
(Бесплатно программное обеспечение)
эндобдж
173 0 объект
>
эндобдж
176 0 объект
(Управление и контроль ИБП)
эндобдж
177 0 объект
>
эндобдж
180 0 объект
(Диаграммы мониторинга)
эндобдж
181 0 объект
>
эндобдж
184 0 объект
(«Простая» конфигурация)
эндобдж
185 0 объект
>
эндобдж
188 0 объект
(«Расширенная» конфигурация)
эндобдж
189 0 объект
>
эндобдж
192 0 объект
(Конфигурация «Большой ящик»)
эндобдж
193 0 объект
>
эндобдж
196 0 объект
(«Причудливая» конфигурация)
эндобдж
197 0 объект
>
эндобдж
200 0 объект
(Изображение предоставлено)
эндобдж
201 0 объект
>
эндобдж
204 0 объект
(Информация о совместимости)
эндобдж
205 0 объект
>
эндобдж
208 0 объект
(Аппаратное обеспечение)
эндобдж
209 0 объект
>
эндобдж
212 0 объект
(Операционные системы)
эндобдж
213 0 объект
>
эндобдж
216 0 объект
(Скачать информацию)
эндобдж
217 0 объект
>
эндобдж
220 0 объект
(Исходный код)
эндобдж
221 0 объект
>
эндобдж
224 0 объект
(Стабильное дерево: 2.6)
эндобдж
225 0 объект
>
эндобдж
228 0 объект
(Дерево тестирования: 2.6.x-pre)
эндобдж
229 0 объект
>
эндобдж
232 0 объект
(Дерево развития 🙂
эндобдж
233 0 объект
>
эндобдж
236 0 объект
(Репозиторий кода)
эндобдж
237 0 объект
>
эндобдж
240 0 объект
(Обзор кода)
эндобдж
241 0 объект
>
эндобдж
244 0 объект
(Снимки)
эндобдж
245 0 объект
>
эндобдж
248 0 объект
(Старые версии)
эндобдж
249 0 объект
>
эндобдж
252 0 объект
(Бинарные пакеты)
эндобдж
253 0 объект
>
эндобдж
256 0 объект
(Пакеты Java)
эндобдж
257 0 объект
>
эндобдж
260 0 объект
(Инструкция по установке)
эндобдж
261 0 объект
>
эндобдж
264 0 объект
(Установка из исходников)
эндобдж
265 0 объект
>
эндобдж
268 0 объект
(Подготовьте свою систему)
эндобдж
269 0 объект
>
эндобдж
272 0 объект
(Создание системного пользователя)
эндобдж
273 0 объект
>
эндобдж
276 0 объект
(Сборка и установка)
эндобдж
277 0 объект
>
эндобдж
280 0 объект
(Конфигурация)
эндобдж
281 0 объект
>
эндобдж
284 0 объект
(Соберите программы)
эндобдж
285 0 объект
>
эндобдж
288 0 объект
(Установка)
эндобдж
289 0 объект
>
эндобдж
292 0 объект
(Создание пути к состоянию)
эндобдж
293 0 объект
>
эндобдж
296 0 объект
(Право собственности и разрешения)
эндобдж
297 0 объект
>
эндобдж
300 0 объект
(Установка из пакетов)
эндобдж
301 0 объект
>
эндобдж
304 0 объект
(Debian, Ubuntu и другие производные)
эндобдж
305 0 объект
>
эндобдж
308 0 объект
(Mandriva)
эндобдж
309 0 объект
>
эндобдж
312 0 объект
(Suse / Opensuse)
эндобдж
313 0 объект
>
эндобдж
316 0 объект
(Red Hat, Fedora и CentOS)
эндобдж
317 0 объект
>
эндобдж
320 0 объект
(FreeBSD)
эндобдж
321 0 объект
>
эндобдж
324 0 объект
(Бинарный пакет)
эндобдж
325 0 объект
>
эндобдж
328 0 объект
(Порт)
эндобдж
329 0 объект
>
эндобдж
332 0 объект
(Примечания к конфигурации)
эндобдж
333 0 объект
>
эндобдж
336 0 объект
(Подробно о файлах конфигурации)
эндобдж
337 0 объект
>
эндобдж
340 0 объект
(Общие)
эндобдж
341 0 объект
>
эндобдж
344 0 объект
(Растяжка строки)
эндобдж
345 0 объект
>
эндобдж
348 0 объект
(Базовая конфигурация)
эндобдж
349 0 объект
>
эндобдж
352 0 объект
(Конфигурация драйвера)
эндобдж
353 0 объект
>
эндобдж
356 0 объект
(Запуск драйвера (s ))
эндобдж
357 0 объект
>
эндобдж
360 0 объект
(Конфигурация сервера данных (upsd ))
эндобдж
361 0 объект
>
эндобдж
364 0 объект
(Запуск сервера данных)
эндобдж
365 0 объект
>
эндобдж
368 0 объект
(Проверьте данные ИБП)
эндобдж
369 0 объект
>
эндобдж
372 0 объект
(Данные о состоянии)
эндобдж
373 0 объект
>
эндобдж
376 0 объект
(Все данные)
эндобдж
377 0 объект
>
эндобдж
380 0 объект
(Скрипты запуска)
эндобдж
381 0 объект
>
эндобдж
384 0 объект
(Настройка автоматического отключения при низком заряде батареи)
эндобдж
385 0 объект
>
эндобдж
388 0 объект
(Конструкция отключения)
эндобдж
389 0 объект
>
эндобдж
392 0 объект
(Как вы это настроили)
эндобдж
393 0 объект
>
эндобдж
396 0 объект
(Создание пользователя NUT)
эндобдж
397 0 объект
>
эндобдж
400 0 объект
(Перезагрузка сервера данных)
эндобдж
401 0 объект
>
эндобдж
404 0 объект
(Файл флага отключения питания)
эндобдж
405 0 объект
>
эндобдж
408 0 объект
(Обеспечение upsmon.conf)
эндобдж
409 0 объект
>
эндобдж
412 0 объект
(Создайте директиву MONITOR для upsmon)
эндобдж
413 0 объект
>
эндобдж
416 0 объект
(Определите SHUTDOWNCMD для upsmon)
эндобдж
417 0 объект
>
эндобдж
420 0 объект
(Запускаем upsmon)
эндобдж
421 0 объект
>
эндобдж
424 0 объект
(Проверка upsmon)
эндобдж
425 0 объект
>
эндобдж
428 0 объект
(Скрипты запуска)
эндобдж
429 0 объект
>
эндобдж
432 0 объект
(Скрипты выключения)
эндобдж
433 0 объект
>
эндобдж
436 0 объект
(Тестирование отключений)
эндобдж
437 0 объект
>
эндобдж
440 0 объект
(Использование приостановки на диск)
эндобдж
441 0 объект
>
эндобдж
444 0 объект
(Предупреждение о RAID)
эндобдж
445 0 объект
>
эндобдж
448 0 объект
(Типовые настройки для корпоративных сетей и комнат обработки данных)
эндобдж
449 0 объект
>
эндобдж
452 0 объект
(Типичные настройки для больших серверов с резервированием ИБП)
эндобдж
453 0 объект
>
эндобдж
456 0 объект
(Пример конфигурации)
эндобдж
457 0 объект
>
эндобдж
460 0 объект
(Заказ нескольких отключений ИБП)
эндобдж
461 0 объект
>
эндобдж
464 0 объект
(Другие конфигурации резервирования)
эндобдж
465 0 объект
>
эндобдж
468 0 объект
(Расширенные примечания по использованию и планированию)
эндобдж
469 0 объект
>
эндобдж
472 0 объект
(Простой подход с использованием вашего собственного скрипта)
эндобдж
473 0 объект
>
эндобдж
476 0 объект
(Как это работает относительно upsmon)
эндобдж
477 0 объект
>
эндобдж
480 0 объект
(Настройка всего)
эндобдж
481 0 объект
>
эндобдж
484 0 объект
(Использование более продвинутых функций)
эндобдж
485 0 объект
>
эндобдж
488 0 объект
(Подавление уведомлений штормов)
эндобдж
489 0 объект
>
эндобдж
492 0 объект
(Продвинутый подход с использованием upssched)
эндобдж
493 0 объект
>
эндобдж
496 0 объект
(Как работает upssched относительно upsmon)
эндобдж
497 0 объект
>
эндобдж
500 0 объект
(Настройка файла upssched.conf)
эндобдж
501 0 объект
>
эндобдж
504 0 объект
(Большая картинка)
эндобдж
505 0 объект
>
эндобдж
508 0 объект
(Установка таймеров)
эндобдж
509 0 объект
>
эндобдж
512 0 объект
(Немедленное выполнение команд)
эндобдж
513 0 объект
>
эндобдж
516 0 объект
(Написание обработчика командного скрипта)
эндобдж
517 0 объект
>
эндобдж
520 0 объект
(Раннее отключение)
эндобдж
521 0 объект
>
эндобдж
524 0 объект
(Фон)
эндобдж
525 0 объект
>
эндобдж
528 0 объект
(Управление розетками NUT и примечания к PDU)
эндобдж
529 0 объект
>
эндобдж
532 0 объект
(Вступление)
эндобдж
533 0 объект
>
эндобдж
536 0 объект
(Сбор данных о торговых точках NUT)
эндобдж
537 0 объект
>
эндобдж
540 0 объект
(Выходы на PDU)
эндобдж
541 0 объект
>
эндобдж
544 0 объект
(Розетки на ИБП)
эндобдж
545 0 объект
>
эндобдж
548 0 объект
(Другой тип устройств)
эндобдж
549 0 объект
>
эндобдж
552 0 объект
(Примечания по закреплению ГАЙКИ)
эндобдж
553 0 объект
>
эндобдж
556 0 объект
(Как проверить подпись исходного кода NUT)
эндобдж
557 0 объект
>
эндобдж
560 0 объект
(Права и права собственности на системном уровне)
эндобдж
561 0 объект
>
эндобдж
564 0 объект
(Права пользователя уровня NUT)
эндобдж
565 0 объект
>
эндобдж
568 0 объект
(Контроль доступа к сети)
эндобдж
569 0 объект
>
эндобдж
572 0 объект
(Директива NUT LISTEN)
эндобдж
573 0 объект
>
эндобдж
576 0 объект
(Межсетевой экран)
эндобдж
577 0 объект
>
эндобдж
580 0 объект
(Несложная поддержка Firewall (UFW ))
эндобдж
581 0 объект
>
эндобдж
584 0 объект
(TCP-оболочки)
эндобдж
585 0 объект
>
эндобдж
588 0 объект
(Настройка SSL)
эндобдж
589 0 объект
>
эндобдж
592 0 объект
(Установить OpenSSL)
эндобдж
593 0 объект
>
эндобдж
596 0 объект
(Перекомпилируйте и установите NUT)
эндобдж
597 0 объект
>
эндобдж
600 0 объект
(Создать сертификат и ключ для upsd)
эндобдж
601 0 объект
>
эндобдж
604 0 объект
(Выясните хеш для ключа)
эндобдж
605 0 объект
>
эндобдж
608 0 объект
(Установите сертификат на стороне клиента)
эндобдж
609 0 объект
>
эндобдж
612 0 объект
(Создать объединенный файл для upsd)
эндобдж
613 0 объект
>
эндобдж
616 0 объект
(Примечание о центрах сертификации (CAs ) и подписанных ключах)
эндобдж
617 0 объект
>
эндобдж
620 0 объект
(Установите сертификат на стороне сервера)
эндобдж
621 0 объект
>
эндобдж
624 0 объект
(Очистите временные файлы)
эндобдж
625 0 объект
>
эндобдж
628 0 объект
(Перезагрузить upsd)
эндобдж
629 0 объект
>
эндобдж
632 0 объект
(Укажите на сертификаты)
эндобдж
633 0 объект
>
эндобдж
636 0 объект
(Рекомендуется: make upsmon проверяет все соединения с помощью сертификатов)
эндобдж
637 0 объект
>
эндобдж
640 0 объект
(Рекомендуется: заставить upsmon использовать SSL)
эндобдж
641 0 объект
>
эндобдж
644 0 объект
(Перезапустить upsmon)
эндобдж
645 0 объект
>
эндобдж
648 0 объект
(Рекомендуется: понюхайте соединение, чтобы убедиться в этом сами)
эндобдж
649 0 объект
>
эндобдж
652 0 объект
(Потенциальные проблемы)
эндобдж
653 0 объект
>
эндобдж
656 0 объект
(Заключение)
эндобдж
657 0 объект
>
эндобдж
660 0 объект
(укоренивание и другие формы паранойи)
эндобдж
661 0 объект
>
эндобдж
664 0 объект
(Общие)
эндобдж
665 0 объект
>
эндобдж
668 0 объект
(символические ссылки)
эндобдж
669 0 объект
>
эндобдж
672 0 объект
(upsmon)
эндобдж
673 0 объект
>
эндобдж
676 0 объект
(Файлы конфигурации)
эндобдж
677 0 объект
>
эндобдж
680 0 объект
(Глоссарий)
эндобдж
681 0 объект
>
эндобдж
684 0 объект
(Благодарности / Вклады)
эндобдж
685 0 объект
>
эндобдж
688 0 объект
(Команда NUT)
эндобдж
689 0 объект
>
эндобдж
692 0 объект
(Активные участники)
эндобдж
693 0 объект
>
эндобдж
696 0 объект
(Пенсионеры)
эндобдж
697 0 объект
>
эндобдж
700 0 объект
(Наш главный сторонник: Eaton)
эндобдж
701 0 объект
>
эндобдж
704 0 объект
(Поддержка производителей)
эндобдж
705 0 объект
>
эндобдж
708 0 объект
(Производители ИБП)
эндобдж
709 0 объект
>
эндобдж
712 0 объект
(Производители бытовой техники)
эндобдж
713 0 объект
>
эндобдж
716 0 объект
(Другие участники)
эндобдж
717 0 объект
>
эндобдж
720 0 объект
(Старые записи (до 2005 года ))
эндобдж
721 0 объект
>
эндобдж
724 0 объект
(Команда NUT и схема именования переменных)
эндобдж
725 0 объект
>
эндобдж
728 0 объект
(Переменные)
эндобдж
729 0 объект
>
эндобдж
732 0 объект
(устройство: общая информация об устройстве)
эндобдж
733 0 объект
>
эндобдж
736 0 объект
(ups: Общая информация об устройстве)
эндобдж
737 0 объект
>
эндобдж
740 0 объект
(ввод: входящая линия / информация о питании)
эндобдж
741 0 объект
>
эндобдж
744 0 объект
(выход: исходящая мощность / информация инвертора)
эндобдж
745 0 объект
>
эндобдж
748 0 объект
(Трехфазные дополнения)
эндобдж
749 0 объект
>
эндобдж
752 0 объект
(Определение количества фаз)
эндобдж
753 0 объект
>
эндобдж
756 0 объект
(ДОМЕНЫ)
эндобдж
757 0 объект
>
эндобдж
760 0 объект
(Спецификация (SPEC ))
эндобдж
761 0 объект
>
эндобдж
764 0 объект
(КОНТЕКСТ)
эндобдж
765 0 объект
>
эндобдж
768 0 объект
(Действительный контекст)
эндобдж
769 0 объект
>
эндобдж
772 0 объект
(Действующие спецификации)
эндобдж
773 0 объект
>
эндобдж
776 0 объект
(ПРИМЕРЫ)
эндобдж
777 0 объект
>
эндобдж
780 0 объект
(батарея: любые сведения о батарее)
эндобдж
781 0 объект
>
эндобдж
784 0 объект
(окружающая среда: условия от внешнего датчика)
эндобдж
785 0 объект
>
эндобдж
788 0 объект
(розетка: умное управление розеткой)
эндобдж
789 0 объект
>
эндобдж
792 0 объект
(драйвер: внутренняя информация о драйвере)
эндобдж
793 0 объект
>
эндобдж
796 0 объект
(сервер: информация о внутреннем сервере)
эндобдж
797 0 объект
>
эндобдж
800 0 объект
(Мгновенные команды)
эндобдж
801 0 объект
>
эндобдж
804 0 объект
(Список совместимого оборудования)
эндобдж
805 0 объект
>
эндобдж
808 0 объект
(Документация)
эндобдж
809 0 объект
>
эндобдж
812 0 объект
(Пользовательская документация)
эндобдж
813 0 объект
>
эндобдж
816 0 объект
(Документация разработчика)
эндобдж
817 0 объект
>
эндобдж
820 0 объект
(Внешние ссылки)
эндобдж
821 0 объект
>
эндобдж
824 0 объект
(Новостные статьи и пресс-релизы)
эндобдж
825 0 объект
>
эндобдж
828 0 объект
(Инструкции по поддержке)
эндобдж
829 0 объект
>
эндобдж
832 0 объект
(Документация)
эндобдж
833 0 объект
>
эндобдж
836 0 объект
(Списки рассылки)
эндобдж
837 0 объект
>
эндобдж
840 0 объект
(Запросить помощь)
эндобдж
841 0 объект
>
эндобдж
844 0 объект
(Разместите патч, задайте вопрос разработчикам, 203)
эндобдж
845 0 объект
>
эндобдж
848 0 объект
(Обсудите упаковку и связанные темы)
эндобдж
849 0 объект
>
эндобдж
852 0 объект
(Информация о кабелях)
эндобдж
853 0 объект
>
эндобдж
856 0 объект
(БТР)
эндобдж
857 0 объект
>
эндобдж
860 0 объект
(Клон 940-0024C)
эндобдж
861 0 объект
>
эндобдж
864 0 объект
(Клон 940-0024E)
эндобдж
865 0 объект
>
эндобдж
868 0 объект
(Клон 940-0024C для Mac)
эндобдж
869 0 объект
>
эндобдж
872 0 объект
(Белкин)
эндобдж
873 0 объект
>
эндобдж
876 0 объект
(OmniGuard F6C *** — RKM)
эндобдж
877 0 объект
>
эндобдж
880 0 объект
(Итон)
эндобдж
881 0 объект
>
эндобдж
884 0 объект
(Системы защиты офиса MGE)
эндобдж
885 0 объект
>
эндобдж
888 0 объект
(Кабель DB9-DB9 (ref 66049 ))
эндобдж
889 0 объект
>
эндобдж
892 0 объект
(Кабель DB9-RJ45)
эндобдж
893 0 объект
>
эндобдж
896 0 объект
(Кабель DB9-RJ12)
эндобдж
897 0 объект
>
эндобдж
900 0 объект
(Powerware LanSafe)
эндобдж
901 0 объект
>
эндобдж
904 0 объект
(СОЛА-330)
эндобдж
905 0 объект
>
эндобдж
908 0 объект
(HP — Compaq)
эндобдж
909 0 объект
>
эндобдж
912 0 объект
(Старое семейство ИБП Compaq)
эндобдж
913 0 объект
>
эндобдж
916 0 объект
(Tripp-Lite)
эндобдж
917 0 объект
>
эндобдж
920 0 объект
(Настроить параметры)
эндобдж
921 0 объект
>
эндобдж
924 0 объект
(Выбор драйвера)
эндобдж
925 0 объект
>
эндобдж
928 0 объект
(Дополнительные особенности)
эндобдж
929 0 объект
>
эндобдж
932 0 объект
(Другие варианты конфигурации)
эндобдж
933 0 объект
>
эндобдж
936 0 объект
(Каталоги установки)
эндобдж
937 0 объект
>
эндобдж
940 0 объект
(Каталоги, используемые NUT во время выполнения)
эндобдж
941 0 объект
>
эндобдж
944 0 объект
(Что компилятору может понадобиться найти)
эндобдж
945 0 объект
>
эндобдж
948 0 объект
(Аддоны HAL (устарело ))
эндобдж
949 0 объект
>
эндобдж
952 0 объект
(Примечания к обновлению)
эндобдж
953 0 объект
>
эндобдж
956 0 объект
(Изменения с 2.6.3 до 2.6.4)
эндобдж
957 0 объект
>
эндобдж
960 0 объект
(Изменения с 2.6.2 на 2.6.3)
эндобдж
961 0 объект
>
эндобдж
964 0 объект
(Изменения с 2.6.1 на 2.6.2)
эндобдж
965 0 объект
>
эндобдж
968 0 объект
(Изменения с 2.6.0 на 2.6.1)
эндобдж
969 0 объект
>
эндобдж
972 0 объект
(Изменения с 2.4.3 на 2.6.0)
эндобдж
973 0 объект
>
эндобдж
976 0 объект
(Изменения с 2.4.2 на 2.4.3)
эндобдж
977 0 объект
>
эндобдж
980 0 объект
(Изменения с 2.4.1 на 2.4.2)
эндобдж
981 0 объект
>
эндобдж
984 0 объект
(Изменения с 2.4.0 на 2.4.1)
эндобдж
985 0 объект
>
эндобдж
988 0 объект
(Изменения с 2.От 2.2 до 2.4.0)
эндобдж
989 0 объект
>
эндобдж
992 0 объект
(Изменения с 2.2.1 на 2.2.2)
эндобдж
993 0 объект
>
эндобдж
996 0 объект
(Изменено с 2.2.0 на 2.2.1)
эндобдж
997 0 объект
>
эндобдж
1000 0 объект
(Изменено с 2.0.5 на 2.2.0)
эндобдж
1001 0 объект
>
эндобдж
1004 0 объект
(Изменения с 2.0.4 на 2.0.5)
эндобдж
1005 0 объект
>
эндобдж
1008 0 объект
(Изменения с 2.0.3 на 2.0.4)
эндобдж
1009 0 объект
>
эндобдж
1012 0 объект
(Изменения с 2.0.2 на 2.0.3)
эндобдж
1013 0 объект
>
эндобдж
1016 0 объект
(Изменения с 2.0.1 на 2.0,2)
эндобдж
1017 0 объект
>
эндобдж
1020 0 объект
(Изменено с 2.0.0 на 2.0.1)
эндобдж
1021 0 объект
>
эндобдж
1024 0 объект
(Изменено с 1.4.0 на 2.0.0)
эндобдж
1025 0 объект
>
эндобдж
1028 0 объект
(История проекта)
эндобдж
1029 0 объект
>
эндобдж
1032 0 объект
(Прототипы и эксперименты)
эндобдж
1033 0 объект
>
эндобдж
1036 0 объект
(Май 1996: ранние взломы статуса)
эндобдж
1037 0 объект
>
эндобдж
1040 0 объект
(Январь 1997: первоначальные протоколы испытаний)
эндобдж
1041 0 объект
>
эндобдж
1044 0 объект
(Сентябрь 1997: первый клиент / серверный код)
эндобдж
1045 0 объект
>
эндобдж
1048 0 объект
(Инструменты Smart UPS)
эндобдж
1049 0 объект
>
эндобдж
1052 0 объект
(Март 1998 г .: первый публичный выпуск)
эндобдж
1053 0 объект
>
эндобдж
1056 0 объект
(Июнь 1999: переработан, переписан)
эндобдж
1057 0 объект
>
эндобдж
1060 0 объект
(Инструменты сетевого ИБП)
эндобдж
1061 0 объект
>
эндобдж
1064 0 объект
(Сентябрь 1999: новое имя, новый URL)
эндобдж
1065 0 объект
>
эндобдж
1068 0 объект
(Июнь 2001: ядро общего драйвера)
эндобдж
1069 0 объект
>
эндобдж
1072 0 объект
(Май 2002 г .: отказ от старых драйверов, порт IANA, в сторону 1.0)
эндобдж
1073 0 объект
>
эндобдж
1076 0 объект
(Покидая территорию 0.x)
эндобдж
1077 0 объект
>
эндобдж
1080 0 объект
(Август 2002: первое стабильное дерево: NUT 1.0.0)
эндобдж
1081 0 объект
>
эндобдж
1084 0 объект
(Ноябрь 2002 г .: второе стабильное дерево: NUT 1.2.0)
эндобдж
1085 0 объект
>
эндобдж
1088 0 объект
(Апрель 2003 г .: новая схема именования, улучшенный клей для драйверов и обновленный протокол)
эндобдж
1089 0 объект
>
эндобдж
1092 0 объект
(Июль 2003 г .: третье стабильное дерево: NUT 1.4.0)
эндобдж
1093 0 объект
>
эндобдж
1096 0 объект
(Июль 2003: приближается к 2.0)
эндобдж
1097 0 объект
>
эндобдж
1100 0 объект
(networkupstools.org)
эндобдж
1101 0 объект
>
эндобдж
1104 0 объект
(Ноябрь 2003 г .: новый URL)
эндобдж
1105 0 объект
>
эндобдж
1108 0 объект
(Вторая основная версия)
эндобдж
1109 0 объект
>
эндобдж
1112 0 объект
(Март 2004 г .: NUT 2.0.0)
эндобдж
1113 0 объект
>
эндобдж
1116 0 объект
(Смена руководства)
эндобдж
1117 0 объект
>
эндобдж
1120 0 объект
(Февраль 2005 г . yh
11z_Fşa] o # KMPS`3mDЀvTGKD9; 6 * Ni_hU) m @ z $? | ghcv ~{9Qr
конечный поток
эндобдж
1122 0 объект> endobj
1123 0 объект>
>>
транслировать
xRA GJ.˲0Tb (3mK | QzdHv: 2vgςAdV99 + 04 ⰿ8 Dn8L;; Kq
Network UPS Tools User Manual NUT
Network UPS Tools User Manual
77/79
J.4 Покидая территорию 0.x
J. 4.1 августа 2002 г .: первое стабильное дерево: NUT 1.0.0
После почти 5 лет существования номера версии 0.x 19 августа 2002 г. была выпущена 1.0.0. Эта веха означала, что все базовые функции
, которые Вы ожидаете найти все в целости и сохранности: хорошая поддержка оборудования, сетевой сервер с элементами управления безопасностью и
отключений системы, которые сработали.
Конструкция показывала признаки износа из-за быстрого расширения, но на данный момент это было намеренно проигнорировано. В центре внимания
было выпустить хорошую версию, которая обеспечила бы разумную основу, в то время как проблемы дизайна можно было бы решить в будущем,
, и я уверен, что нам это удалось.
J.4.2 Ноябрь 2002 г .: второе стабильное дерево: NUT 1.2.0
Через день после выпуска 1.0.0, 1.1.0 запустила новое дерево разработки. В течение этого цикла разработки программы CGI
были переписаны для использования шаблонов вместо жестко запрограммированного HTML, что вернуло гибкость первоначального неизданного прототипа
по сравнению с 5 годами ранее.Multimon был удален из дерева, так как новые upsstats могли выполнять обе задачи, загружая разные шаблоны.
Была создана новая клиентская библиотека под названием upsclient, которая заменила upsfetch. Эта новая библиотека поддерживала только TCP-соединения,
и использовала непрозрачную структуру контекста для сохранения состояния для каждого соединения. В результате клиентские программы теперь могли без каких-либо конфликтов выполнять действия, использующие несколько соединений
. Это было сделано в первую очередь для обеспечения поддержки OpenSSL, но в результате редизайна были и другие преимущества
.
upsd, и теперь клиенты могут использовать OpenSSL для базовой аутентификации и шифрования, но это не было включено по умолчанию. Этот
был предоставлен в качестве бонусной функции для тех пользователей, которые хотели прочитать об этом и включить эту опцию, поскольку первоначальная настройка была сложной.
После того, как дерево 1.1 было заморожено и признано завершенным, оно стало вторым стабильным деревом с выпуском 1.2.0 5 ноября
2002.
J.4.3 Апрель 2003: новая схема именования, улучшенный клей для драйверов и обновленный протокол
После длительного периода отсутствия дерева развития, 1.В версии 3.0 13 апреля 2003 года все снова сдвинулось с мертвой точки. В центре внимания этого дерева
было переписать уровень связи между драйвером и сервером и заменить статическую схему именования переменных и команд.
До этого момента все переменные имели такие имена, как STATUS, UTILITY и OUTVOLT. Они были созданы, когда драйверы были добавлены в дерево
, и было мало единообразия. Например, вероятно, это должны были быть INVOLT и OUTVOLT, но изначально было
no OUTVOLT, поэтому UTILITY было всем, что у нас было.Тот же самый шаблон повторяется с ACFREQ — входящий или исходящий?
— и многие другие.
Для решения этой проблемы все переменные и команды были переименованы в иерархическую схему с очевидной группировкой. СТАТУС
стал статусом ups.status. UTILITY превратилось во входное напряжение, а OUTVOLT — в выходное напряжение. ACFREQ — это input.frequency, и теперь также поддерживается новая output.frequency
. Таким образом были переименованы все остальные переменные или команды.
Эти переменные были совместно использованы драйверами и upsd как значения.То есть для каждого имени, такого как STATUS, где-то в дереве существовал #defne
с префиксом INFO_, который давал ему номер. INFO_STATUS было 0x0006, INFO_UTILITY было 0x0004,
и так далее, с каждым именем, имеющим совпадающий номер. Это число хранилось в int в структуре, которая была частью массива
, который был записан на диск или в общую память.
Эта структура имела несколько ограничений на расширение и была исключена как метод обмена данными между драйверами и сервером
.На смену ей пришла новая система текстовых сообщений через сокеты домена Unix. Теперь драйверы приняли короткий список из
команд от upsd и будут отправлять обновления асинхронно. upsd больше не нужно было опрашивать файлы состояния или разделяемую память.
Он может просто выбрать все драйверы и клиентские fds и действовать в соответствии с событиями.
В то же время сетевой протокол порта 3493 был переработан, чтобы использовать преимущества новой схемы именования. Существующая схема
«REQ STATUS @ su700», «ANS STATUS @ su700 OL» показывала признаки устаревания, и на самом деле она поддерживала только имя UPS
(@ su700) в качестве запоздалой мысли.В новом протоколе теперь будут использоваться такие команды, как GET и LIST, что приведет к обменам типа
«GET VAR su700 ups.status» и «VAR su700 ups.status OL». Ответы содержат достаточно данных для автономной работы, поэтому клиенты
теперь могут обрабатывать их асинхронно.
Apc smart ups sc 1500 руководство по обслуживанию
apc smart ups sc 1500 руководство по обслуживанию
Я получил запасные аккумуляторы для ИБП. большинство клиентов получают в течение 5-9 дней. Устройство защиты от перенапряжения apc 1500va с резервным аккумулятором с резервным питанием от avr pro br1500g от apc pro 1500 manual pdf, источник: amazon.apc scva 865 ватт (6) розетки nema 5-15r smart- ups sc 1500 ва 120 в — стоечные / вышки 2U из сша. Для получения информации об установке ИБП см. краткое руководство по ИБП 750/1000/1500/2200/3000 ВА, 120/230 В перем. тока в корпусе Tower, которое входит в комплект ИБП. 2200 ВА 120 В переменного тока USB-порт последовательный порт.
Руководство также доступно на прилагаемом компакт-диске и на веб-сайте APC по адресу www. apc smart- ups 420/620 руководство пользователяпосмотр 1 9/97 установки и первоначальный запуск для получения гарантийного покрытия, пожалуйста, заполните и.d 03 / руководство пользователя на английском языке apc smart- ups FSC 1000/1500 ВА 110/120/230 В переменного тока источник бесперебойного питания высотой 2U, монтируемый в вертикальную / стойку. см. примечание по применению № 147 при использовании с серверами с коррекцией активного коэффициента мощности (pfc) и / или резервными источниками питания. как сэкономить кучу денег и очень легко заменить батарею в собственной системе ИБП (источник бесперебойного питания).
com, 10 / руководство пользователя на английском языке apc smart- ups sc 1000/1500 ва 110/120/230 В перем.привет, может кто-нибудь поможет с сервис-мануалом к этому аппарату? ИБП apc smart-ups xl, 800 Вт / 1000. стр. 1 руководство пользователя на английском языке apc smart-ups® 750/1000/1500 ВА 100/120/230 В ~ 2U источник бесперебойного питания для монтажа в стойкуc 07 / стр. 2 стр. 3 введение в apc smart ups Руководство по обслуживанию sc 1500 Источник бесперебойного питания (ИБП) apc разработан для предотвращения попадания на ваш компьютер отключений, отключений, провалов и скачков напряжения.
просмотрите и скачайте онлайн-руководство по эксплуатации apc smart ups 750.бесперебойный источник питания. apc rs 1500: соответствует полному тексту — отметьте>>. ИБП apc smart- ups 7500/10, 000 кВА для монтажа в стойку / башню. 120v: Вт: 50: 100: 200: 300: 400: 500: 600: 700: 800: 900: 1000: 1200: 1400: 1600: 1800:: 2500: 3000: 3500: полный: половина: va ~ 70: 140 : 280: 420: 560: 700: 840. ИБП apc smart- ups sc 1500 ВА 120 В — 2u, монтируемый в стойку / в корпусе Tower, интеллектуальная и эффективная защита электропитания от начального уровня до масштабируемого рабочего времени. это apc smart-ups sc 1500. просмотреть документацию для apc smart- ups rt 1000 ва, rm 230 в, включая руководства, гарантии, брошюры, утверждения агентств и экологические характеристики.руководство по обслуживанию apc smart ups 1000.
название: apc smart ups 1500 руководство по обслуживанию, автор: williamtafoya2267, название: apc smart ups 1500 руководство по обслуживанию, объем: 4 страницы, страница: 1, опубликовано: логотип компании Issueu. свяжитесь с APC через службу поддержки. smart fortwo 450 apc smart ups sc 1500 сервис мануал инструкция по эксплуатации apc. smart-upsva 120/208/230 Vac для монтажа в стойку 1 обзор описание продукта apc® by schneider electric smart- ups ® va 120/208/230 Vac для монтажа в стойку представляет собой высокопроизводительный источник бесперебойного питания (ИБП).
Google сегодня мне не друг. ИБП apc smart- ups sc, 600 Вт / 1000 ВА, вход 230 В / выход 230 В, монтажные направляющие для стойки высотой в стойку, руководство по обслуживанию, сигнализация smart ups rs- 232. Руководство по обслуживанию apc smart ups 1000. Аккумулятор в этом устройстве не подлежит замене . установка в башню / стойку 2u. sm 7642 ups mge принципиальная электрическая схема подключения. Руководство по эксплуатации yamaha fzr 1000 honda vtr 1000 firestorm pdf smart 451 manual pdf. сервис мануал ups схематика: ups: 757 kb: 1793: ippon: smart winter 1500.форум для сервисных техников, работающих в сфере ремонта бытовой электроники. apc smart ups sc 1500 руководство по ремонту docs.
См. Контактную информацию в конце данного руководства. apc smart- ups 750/1000/1500 кВА руководство пользователя. ИБП APC Smart, 1000 Вт / 1440 ИБП APC Smart SC 1500, руководство по обслуживанию, VA, вход 120 В / выход 120 В ,. описание: высокая доступность, повышенная мощность. сервис мануал apc, smart ups, 1500 ва.
загрузить apc smart- upsback- upssm руководство по обслуживанию и информация по ремонту для специалистов по электронике руководства по обслуживанию, схемы, электронные схемы для техников-электриков. Этот сайт поможет вам спасти землю от электронных отходов! smart-ups 600 руководство пользователя: загрузить: smart-ups 700 руководство пользователя: загрузить: smart-ups 750 руководство пользователя: загрузить: smart-ups 900 руководство пользователя: загрузить: smart-ups 1000 user ‘ s руководство.xt 2916 apc ибп схема smartsch service 1250 инструкция dd 2523 схема mge home ze 9110 на основе rs 1300 проводка батареи бесплатная картинка sc1500. сервис-мануалы, схемы, эпрома для электротехников. smart-ups sc sc450rmi1u ;. поиск по сервис-мануалам и даташитам.
com twitter facebook whatsapp google + linkedin pin it 21 сообщение, относящееся к руководству apc pro 1500 pdf. 1 вводные смарт-апы! название: apc smart ups 1500 руководство по обслуживанию pdf, автор: reddit803, имя: apc smart ups 1500 руководство по обслуживанию pdf, объем: 3 страницы, страница: 1, опубликовано :.Он у меня есть, и я использую интеллектуальный USB-драйвер apc ups 2 (usbhid- руководство пользователя на английском языке apc smart- ups¬ ѓ sc 420/620 va 110/120/230 Vac, вертикальный источник бесперебойного питания. Для получения информации по установке ИБП см. smart- руководство по установке ИБП 750/1000/1500/2200/3000 ВА 100/120/230 В переменного тока, 500 ВА 100 В переменного тока, башня, которая входит в комплект ИБП. схема: 1970 kb: 47649: apc: apc: apc smart sua rt 3kva to 10kva.
apc 1500 руководство по обслуживанию | скачать руководство в формате pdf — руководство по обслуживанию apc 1500 мы берем файл в формате pdf с www.apc smart- ups ® 750/1000/1500 ва. wrg 71 электрическая схема аккумулятора fre. smart-ups sc apc smart-ups sc 1500 ва, 120 в — 2u стоечное / вертикальное стандартное время выполнения: обычно в наличии apc smart-ups sc, 865 ватт / 1440 ва, вход 120 в / выход 120 в, высота стойки 2 единицы включает: компакт-диск с программным обеспечением , компакт-диск с документацией, кронштейны для монтажа в стойку, сигнальный кабель RS-232 для ИБП, кабель USB, руководство пользователя. мы обслуживаем и продаем критически важное резервное силовое и воздушное оборудование. pdf: 10/03/20: apc smart- ups rt3000 rt10000.smart-ups 750/1000/1500/2200/3000 ВА 100/120/230 Vac / 500 ВА 100 Vac Tower 1 обзор описание продукта apc ™ by schneider electric smart-ups ™ — это высокопроизводительный источник бесперебойного питания (ИБП). APC UPS 1500 ручные модели ИБП в формате PDF (обновлено: 21 октября). com / ki9gfox действительно хорошая статья о последовательно-параллельных схемах. smart-ups sc apc smart-ups sc 1000 ВА 120 В — 2u стоечное / вертикальное стандартное время выполнения заказа: обычно в наличии apc smart-ups sc, 600 Вт / 1000 ВА, вход 120 В / выход 120 В, высота стойки 2 ед., включает: компакт-диск с программным обеспечением , компакт-диск с документацией, кронштейны для монтажа в стойку, сигнальный кабель RS-232 для ИБП, кабель USB, руководство пользователя.
не пытайтесь открывать или ремонтировать резервные копии, так как это приведет к аннулированию гарантии. в резервных копиях нет обслуживаемых деталей. идеальные ИБП для серверов, торговых точек, маршрутизаторов, коммутаторов, концентраторов и других сетевых устройств. скачать руководство по обслуживанию и информацию по ремонту apc smart- upssch для специалистов по электронике. Если это видео помогло вам, пожалуйста, купите мне кофе. на передней панели: apc smart- ups sc1500, на этикетке сзади: sc1500i Я попытаюсь объяснить, что происходит: мой друг отключил ИБП около года назад, потому что он начал пищать, но на светодиодах не отображаются ошибки на передней панели.руководство пользователя на английском языке. он обеспечивает защиту электронного оборудования от. для загрузки apc smart ups sc 1500 manual pdf нажмите кнопку apc: ups 500: ups 500: plamensl: smart_ course_ electronics_ ltd. руководство по ремонту apc.
apc резервное копирование RS 500 руководство. ИБП apc smart- ups sc 1500 ВА, 230 В — 2u, для монтажа в стойку / в корпусе Tower.Руководство по установке также доступно на компакт-диске с документацией, прилагаемом к ИБП, и на веб-сайте APC www. c, 10 / руководство пользователя на английском языке apc smart- ups® sc 420/620 ва 110/120/230 В переменного тока, вертикальный источник бесперебойного питания. apc smart- ups ® sc.
логотип компании Issu. серия резервных копий APC; Серия APC Smart-UPS. умный ибп 1500 инструкция по эксплуатации. pdf: 01/02/20: руководство по обслуживанию ИБП APC 3-10кВА: 1614 Кб: 174: apc: su10000: apc_ smart- ups_ rt3000_ rt10000.
стиль украшения дома для резервных копий xs 1500 manual pdf, вы можете увидеть резервные копии xs 1500 manual pdf и другие изображения для домашнего дизайна интерьера в библиотеке руководств.Руководство пользователя aficio sp 1000sf, ремикс, руководство по эпизодам Maple Spectra MRSS, руководство по программированию, руководство по обслуживанию suzuki gsx r1000 apc smart ups 700.
Если Вы попали на эту страницу, рискну предположить, что у вас сломался Ups Ippon Smart Power Pro 1000 ).
Эта статья написана чайником для «чайников» на основе личного опыта ремонта сего чудесного девайса.
Начну с главного, первый вопрос: с чего начать? начать следует с включения памяти, постарайтесь вспомнить, когда Вы его покупали и где находятся документы.
Если с момента покупки прошло мене 2 х лет, то самый правильный вариант — обратиться в официальный сервисный центр, список сервисных центров можно посмотреть на официальном сайте www.ippon.ru в разделе «Поддержка» www.ippon.ru/support есть пункт: «Адреса сервисных центров по всей России».
После нахождения удобного для Вас сервисного цента настоятельно рекомендую позвонить туда и поговорить, по человечески ), без понтов изложить суть проблемы и спросить возможные варианты и когда можно привезти ибп и нужна ли коробка и все комплектующие бывшие в коробке при покупке.
Далее будет приблизительно следующее: если неисправность мелкая, типа акб поменять или «проводок отвалился )» Вам его быстро починят, если же проявилась «типичная неисправность» в виде выгоревшей схемы зарядки акб, то вероятно по прошествии нескольких недель, Вам предложат написать заключение о неисправности и обратиться с этим заключением в магазин где Вы покупали сей чудесный ибп) и при Вашей достаточной настойчивости очень возможно Вам вернут деньги, если у Вас сохранились чек и полная комплектация девайса, я очень рекомендую пойти именно этим путём, так как гарантийный ремонт Ups Ippon Smart Power Pro 1000 может затянуться, в моём случае мне выдали упс через 6 месяцев, и в итоге он оказался «не совсем рабочим»).
Почему Ups Ippon Smart Power Pro 1000 ломаются? Самая вероятная причина банальна — перегрев, причина перегрева так же проста, для перегрева достаточно прижать ибп одной стороной к стене/ножке стола или другому предмету, по прошествии некоторого времени в один прекрасный момент, летом в жару ), вентиляции становится недостаточно и элемент Q33 — 2SK3700/2SK2610 (5A 900V) перегревается, его пробивает высокое напряжение и он с фейерверком и шумовыми эффектами утаскивает с собой все связанные с ним элементы.
По сути разработчики немного сэкономили на радиаторе для Q33 ну рублей 10 примерно, и получилась вот такая типичная неисправность/болезнь. После удачного ремонта я прикрутил на Q33 радиатор, с термопастой разумеется, радиатор великоват конечно, можно и поменьше размером поставить.
Про аккумуляторы..
Родные акб сдохли ровно через год, стояли акб с маркировкой CSB BATTERY UPS 12360 7 F2 12V360W/Pcs/9.6V/5Min и датой выпуска 07.13 года.
Обратите внимание на третье фото, дальним лежит акб с датой выпуска июль 2006 года, его я вынул из ибп (на работе) в 2015 году, отработав 9 лет он ещё живой, ёмкости конечно уже не осталось.
Причина преждевременной кончины родных акб мне неизвестна, за год может быть раза три я ибп запускал без сети типа «для проверки», ну и раз пять скачки напряжения были и всё ). Недавно появилось интересное видео: Правильная зарядка AGM или почему бесперебойники убивают аккумуляторы , возможно таки всему причиной банальный перегрев. Перед тем как сдать иппон на ремонт я замерял напряжение на акб при включенном в сеть ибп, тестер показывал 27,5 вольт.
В итоге они потеряли ёмкость, и на сегодня в них осталось ёмкости только «срабатывать при скачках напряжения».
————————————
Добавлено 09.09.2017г.
Одной из возможных причин смерти акб возможно является глубокий разряд ниже 12 вольт;
Напомню, ИБП отключается при суммарном напряжении на акб ниже 21 Вольта, а нюанс в том, что акб кальциевые (Ca/Ca), а кальциевые акб категорически не переносят разрядов ниже 12 вольт.
Материал с сайта: https://www.drive2.ru/l/5914573/.
Официальные рекомендации от Мазды гласят, что если плотность электролита аккумуляторной батареи составляет менее 1,17 г/см3 (Battery SOC составляет менее 25%, что соответствует напряжению менее 12В), то такая батарея подлежит замене новой, так как в этом случае восстановить нормальное функционирование аккумуляторной батареи с помощью ее заряда уже невозможно (!).
Кальциевые автомобильные АКБ лучше вообще никогда не подвергать глубокому разряду, а если разряжать, то не ниже 11,5В (при этом с риском не вернуть назад прежнюю ёмкость АКБ)
или 12В (неглубокий КТЦ), т.к. 12В НРЦ (напряжение разомкнутой цепи) на свинцовом АКБ говорит о 0% его ёмкости (напряжение 100% заряженного АКБ составляет 12,7В).
Большинство информации почерпнуто мной отсюда: CAR AND DEEP CYCLE BATTERY FAQ 2015 , а также личными «опытами» и наблюдениями.
Так же, всем фомам неверующим — обязательно к прочтению этого сообщения!
———————————-
Добавлено 04.05.2019г.
При выборе АКб рекомендую к прочтению интересный материал с сайта www.h-energy.ru/akkubattery/, так же на сайте есть рекомендации и подробные описания различных АКБ.
———————————-
Пришлось долго выбирать акб на замену, в итоге мой выбор остановился на акб YUASA REW45-12, купил 2 штуки за 3180 рублей, дорого конечно, цена на мой взгляд завешена, раза так в два ) ну а что делать? отечественных акб для ибп в продаже не нашёл.
Аккумуляторы имеют дату выпуска июнь 2015 года, и вероятно их немного подзарядили, после установки в ибп АРС он заряжал их ещё почти сутки).
Конечно можно было купить акб и подешевле например такие: Тестирование двух аккумуляторов Security Force SF 1207 как обманывают потребителей, или такие: Тестирование аккумулятора Security Force SF1212. Или как пенопласт начал накапливать энергию))), или вот ещё вариант Новинка в «качестве» аккумуляторов.
Думаю будет правильным кратенько изложить свою пред историю владения Ups Ippon Smart Power Pro 1000:
Приобрёл сей чудесный девайс в декабре 2013 года за 4 тыщи рублей с хвостиком для работы в связке с домашним компом (в то время я много работал с видео, и скачки напряжения во время кодирования видео при максимальной нагрузке на системник могли привести к печальным последствиям).
В декабре 2014г сижу за компом, тут бац, скачёк, напряжения и комп выключился..
Ну думаю это не порядок, ищу документы, вроде гарантия же была, нашёл…
Покупал в МЭЛТ, это не большая фирма, десяток магазинов, и даёт свою гарантию 1 год, так вот, когда я её нашёл, гарантия кончилась неделю назад… облом однако.
Ну плюнул на гарантию, купил пару новых акб, поставил, работает.
Прошло три месяца…
Сижу за компом, тут бац, скачёк, напряжения и комп выключился..
Ну думаю это жжж уже не спроста )
Потыкал кнопки, все какие были ), выяснил следующее: ИБП включается и выходит в режим готовности при наличии напряжения в сети, при отключении сети отключает нагрузку и пищит, горят лампочки верхняя и вторая снизу.
Далее на работе: настрочил на оф. сайт иппон, просил выяснить мой серийник на гарантии или уже нет? ответа так и не дождался, в поисках «головной» фирмы добрался до следующего:
Торговая марка ippon принадлежит nippon-klick, сайт http://nippon-klick.com.
Но почему то сайт nippon-klick.com в то время не загружался.
Установил прогу Winpower с диска шедшего в комплекте с ибп, программа показала напряжение на акб 27.5 вольта.
Открыл блок акб, в выключенном состоянии напряжение на клеммах акб 26,3 вольта, при подключении в сеть напряжение начинает расти до 27.1 и останавливается (тестер очень старый, возможно не точно показывает) но суть: зарядка на акб идёт, поставил на место родные акб, зарядил.
При включении ибп звучит короткий сигнал и ибп выходит на готовность.
При отключении питания сети ибп пищит и отключает нагрузку, и напряжение на акб падает до 26,3 вольт.
В общем решил попробовать вариант с гарантией, на оф.сайте иппон 2 года написано или до 30 месяцев с даты изготовления, у нас в городе есть оф. сервис иппон, АККОМ называется, собрал всё что было, коробку, документы, и повёз ибп в АККОМ.
В сервисе вежливо выслушали, забрали ибп и гарантийный талон, дали документ, сказали как выяснят суть вопроса, так сразу и позвонят, коробку со всеми документами вернули.
Срок ремонта до 45 суток. Сдал в ремонт в Апреле 2015 года, забрал в Сентябре того же года). В итоге мне выдали «работающий» ибп, за время пока ибп чинили, прочитал много всего, и решил приладить радиатор на Q33. Когда забрал ибп с ремонта, особо тестировать не стал, решил сразу врезать кулер и приладить радиатор, а потом уже потестить). Только после тестирования я понял, что цепь зарядки не работает должным образом, а корпус я уже попилил ). Ну и после этого началась эпопея поиска неисправности.
Прикладываю несколько схем, размещённых на форуме сайта «Паяльник« в теме: Ups Ippon Smart Power Pro 1000, рекомендую полистать тему, прежде чем ковырять упс ).
![]() |
![]() |
![]() |
![]() |
![]() |
На первом рисунке схема цепи зарядки в «нормальном» размере рекомендую, распечатать на А4 пару копий )
Описание работы микросхемы U15 UC3843 подробнейшим образом изложено в видео : «Принцип работы ШИМ контроллера UC3843 в импульсном блоке питания». Автору большое спасибо, именно благодаря его видеоролику мне удалось выявить причину и починить свой ибп. По правде сказать мне понадобилось три дня просмотра этого видео, ну с перерывами конечно ) в общей сложности раз 20-ть посмотрел) пока доехал почему у моего ибп напряжение на клемме акб 20 вольт, вместо нужных 27,5 вольт.
После разборки в первую очередь проверить U1 если соседние две или три ноги звонятся между собой и на массу (у моей второй платы кз были на U1 отпаял 8(+) и 9(-) ноги, 8 (+) накоротко звонится с 11, 12, 13 и 16 ногами), то вероятно «мозг» пострадал, и починить его не представляется возможным, если быть точным, я не знаю чем эту микросхему можно заменить.
Если короткого замыкания на соседних ногах нет, двигаемся дальше.
Рассматриваем все резисторы, конденсаторы и прочие элементы, все подозрительные записываем на бумаге.
На смд резисторах внимательно смотрим на надписи, на «нормальных» резисторах надписи белого цвета и хорошо читаются, если надпись не белого цвета или её не видно, записываем номер резистора, его нужно обязательно проверить на обрыв и на сопротивление, по моему маленькому опыту скажу, все резисторы со » странностями» были неисправны, цена вопроса 1 рубль.
Для ремонта я использовал: паяльную станцию с феном и всеми приблудами ( это на работе было, взял попользовать )), разные жала, флюс, припой олово отсос и прочее), тестер, увеличительное стекло, шило для «отковыривания» смд деталей от платы, они к ней приклеены ), так же рекомендую использование иглы от 20 ти кубового шприца, острая часть иглы сточена полностью и «доведена» алмазным надфилем, посмотреть процесс можно по ссылке: «Как выпаять микросхему иголкой от шприца»
Так же понадобился паяльник на 40-100 ватт для отпайки и припайки Q33, очень массивный элемент, а паяльник станции показался мне слабоватым.
В общем задача выглядела так: выявить все неисправные элементы, заменить и попробовать запустить.
Для тестового запуска ибп я использовал в качестве предохранителя в сети 220 вольт обычную лампу накаливания на 95 ватт подсоединённую последовательно, её задача не дать протекать по цепи большому току, и возможно, убережёт от выгорания дорожек в случае чего )
В цепи 24 вольт для «предохранения» использовал обычную автомобильную лампочку накаливания 12 вольт 21 ватт, уставил её вместо перемычки между акб, в начале ставил две лампы параллельно, потом выяснил, что запуска ибп и тестирования цепи зарядки одной лампочки вполне достаточно. При силе тока в цепи 1 Ампер нить слегка краснеет ) и сберегает ибп в случае «нештатных ситуаций».
Чинил я свой иппон долго, почти три месяца), а неисправность была копеечная.
Поиски привели к R 204 (402к) впаянный в цепь показывал 100к и сопротивление потихоньку росло.
Так как деталь мелкая, решил выпаять перемычку, то есть «разомкнуть одну ногу, замерил, 280к.
Сходил в магазин, в наличии 402к не было, взял 390к, снял родной, замерил — 400к ), выпаивал феном, может быть как то повлияло ?
Впаял 390к, ничего не изменилось, зарядки нет.
Добавил 20к, при подключении сети ибп начал клацать релюшками и моргает сетевая лампа 95 ватт, если правильно понял, большая нагрузка, напряжение падает, ибп выключается и снова включается.
Поставил лампу 150 ватт, ибп запустился, отдельно подзарядил акб до 25 вольт.
При включении в сеть снял клемму с акб, на снятой клемме 28,6 вольт, ибп работает устойчиво, при подсоединении клеммы начинает клацать релюшками и моргать лампой, сейчас сниму 20к.
Снял 20к поставил 12к итого: 390+12 = 402к ну понятно номинально )
Включил в сеть напрямую, получилась интересная картина, при снятии клеммы с акб напряжение медленно растёт с 25 вольт, до 26 вольт по десяточке за пару секунд.
Ибп отключил кулер, на клеммах 26,8 вольта на 2 pin 2,5 вольт
Видимо не просто так прилепили разъём CN11 есть тут какой то подвох, может быть сопротивления на делителе подбирают)
При замене R204 обратил внимание на «плавающее» напряжение, пришёл к выводу, что флюс под замененным элементом R204 меняет общее сопротивление. Выпаял R204, протёр «всю округу» спиртом, впаял без флюса, напряжение стабилизировалось и сейчас держит 27,6 вольт.
На сегодня R204 у меня представляет из себя домик ) стойки 390 и 12 кило Ом, между ними капля лака, для фиксации ), а сверху я накладывал разные сопротивления ), в итоге сверху лежит 1 Ом ). Напряжение на акб у меня получилось 27,6 Вольта, программа Winpower показывает 27,8 Вольта.
Думаю будет правильным разместить больше схем данного упс.
![]() |
![]() |
![]() |
![]() |
![]() |
Полезные цитаты из темы форума: Ups Ippon Smart Power Pro 1000
————————————-
Чем заменить оригинальные Q33? — 2SK3700/2SK2610 (5A 900V)
База аналогов
Из того, что я понял из таблицы и информации из этой ветки форума, возможно можно заменить на:
STW5NB90
STW7NK90Z
STW9NK90Z вот вроде есть по разумной цене )
STP6N120K3
STW6N120K3
При подборе аналога смотрим чтобы были не хуже:
мах напряжение,
мах мощность, ток, временные задержки.
Открытое сопротивление(Rds) — чем меньше, тем лучше, меньше будут потери и след-но нагрев.
————————————-
исправный ТХ1
7-5 ножка 0,2 Ома 70 мкH
5-3 ножка 0.2 Ома 70 мкН
7-3 ножка 0,2 Ома 280 мкН
15-18 ножка 0,4 Ома 11 мН
Миллиомметра не было под рукой, так что значения сопротивлений на грани погрешности тестера.
Индуктивность мерил на частоте 1 кГц.
————————————-
Это новые модели. И очень не надежные. Схема есть только на старые модели SPP1000. В железном корпусе. Совершенно разные устройства схемы не похожи. У Вас импульсный преобразователь дает 220 на частоте 30 -50 КГц потом выпрямляется. И уже в последнюю очередь преобразовывается в 50Гц четырьмя транзисторами IRF740 по мостовому включенными. если надо опознать детали помогу.
————————————-
Q1, C5 форсируют включение реле RY3
Q49 — Отключение заряда (при работе от батареи).управляет Q50 и Q57
Q58 — управляет режимом заряда
————————————-
Ippon Smart Power Pro1000, плата Galaxy 1kva 098-18706-00 : Q33=2SK2610 (или 2SK3700 на исправном), R44=221=220 ом, R59=30C=20кОм, D19=A2=1N4148WS, U15=UC3843BN, Q58=Q49=1P=KST2222A, R209=18b=1,5 кOм, R211=30b=2 кОм, C67 — 471M 1kV=470 пФ 1 кВ.
————————————-
А по поводу U15=UC3843BN могу сказать одно: при пробое Q33=2SK2610 она точно сгорает. А резисторы на 10 Ом вокруг процессора U1=MC9S08FL8C защитные. Смотрите схему которую я нарисовал. У меня собственно сгорела куча
————————————-
Правда я вместо UC3844N поставил UC3845N, т.к. UC3844N не запускается при низком напряжении.
Вместо 2SK2610 я поставил STW7N95K3 что было под рукой. После этого ИБП заработал.
————————————-
Не работает только индикация. Непонятно что за микросхема стоит на маленькой платке с кнопками…
Похоже на MC14094B. Могу конечно ошибаться, но по названию и описанию вроде она.
Спасибо большое так и есть, это 8-ми разрядный регистр сдвига с 3-м состоянием фирмы ON Semiconductor MC14094B.
————————————-
Я сегодня ковырял его. Сообразил как он работает на заряд аккумулятора при включении в сеть 220 вольт.
1. Самое главное чтобы аккумулятор был клеммами подключен. Иначе никакой реакции ни на одну из кнопок. Как видно на схеме заряда аккумуляторов которую я выше выложил, процессор питается от КРЕН-ки.
2. После этого можно и вилку 220 вольт вставить в розетку, меряем напряжение на клеммах аккумулятора. Оно должно увеличиваться.
3. Не выдёргивая вилку из розетки отключаем клеммы от аккумулятора и меряем напряжение на пустых клеммах оно должно быть около 27 вольт. И ещё. Совсем убитые аккумуляторы не вставлять. А иначе как же процессор запустится.
————————————-
Да я ещё хотел сказать. У меня сгорел резистор R146 =1,3 Ома 2 ватта. Я сдуру поставил 2 Ома 2 ватта. Так вот при таком номинале напряжение заряда аккумулятора было всего 18,7 вольта.
Смотрите не ошибитесь при ремонте.
————————————-
ремонтирую Ippon SPP 1000, заменил Q33 на К2611, заменил выгоревшие С67, R146, U15, R59, R209, больше неисправных деталей не обнаружил. ИБП включается, выдаёт напряжение 27 Вольт
————————————-
Да я тоже это заметил что 2SК2611 или 2SК3700 греются сильно. Но в основном если идёт заряд аккумуляторов. Я вот подумал на транзистор повесить какой нибудь радиатор.
Это нужно при разобранном корпусе щупать транзистор или каким либо другим способом измерять температуру нагрева корпуса транзистора. Я считаю что она не должна быть выше +50 градусов по Цельсию.
Правда при рабочем состоянии всё время крутится вентилятор. Даже если его выключить кнопкой пока не зарядятся аккумуляторы, вентилятор продолжает вращаться. И я ещё заметил что всегда горячая
микросхема U5 — MC7812CT рука почти не терпит градусов +(50-60) по Цельсию и это с небольшим радиатором. Всё остальное холодное.
————————————-
Правда я поставил вместо 2SK2611 или 2SK3700 другой транзистор STW7N95K3 у него сопротивление сток исток поменьше 1,35 ом, а у 2SK2610 — 2,3 ома, заменил взорванный конденсатор C67. Поставил вместо резистора R146=1,3 ома, 2шт 2 ома в параллель. Причём я вначале сдуру поставил 2 ома, а это сказалось очень существенно на выходном напряжении оно вместо 27,1в было всего 18в. Так что если кто будет ремонтировать учтите это.
————————————-
Принесли в ремонт SPP1000 2012 года выпуска. Выгорела зарядка. Пробило Q33 и он с фейерверком утащил за собой U15 c обвязкой и в панели индикации накрылась U1.
Вот то, что я заменил, кое что на всякий случай, плюс приладил на Q33 радиатор.
Замена U15, Q33, Q51, Q15, D19, L1, R44, R59, R209, R211, R146, C19, C18, C72, C7, C67, C86, C20.
Замена в панели индикации U1.
————————————-
Нагревались максимум на + 50 градусов по Цельсию.
Я ещё подумал что это не есть хорошо. На транзистор какой нибудь маленький радиатор, но нужен.
————————————-
Для тех, кто осилил многа букаф: я чайник, все вопросы прошу задавать в профильной ветке форума на сайте ПАЯЛЬНИК :
Ups Ippon Smart Power Pro 1000
Гостевая книга
※ Download: prinigkathy.darkandlight.ru?dl&keyword=%d1%81%d0%ba%d0%b0%d1%87%d0%b0%d1%82%d1%8c+e250664+yy+ck11+eversun+94v-0+%d1%81%d1%85%d0%b5%d0%bc%d0%b0&source=bandcamp.com
БЛОК ПИТАНИЯ NPA-AC1D 16. Некоторые естественные игры ребенок имеют выраженное схожесть с забавами адептов звериного мира, однако даже эти простые игры как догонялки, сражение и прятки в великий степени считаются окультуренными. OSRAM называет эту серию EVERSUN®.
Схема положения горения p 15 для 750 Вт — 2000 Вт. Cingrani is ready or very close to ready to be an effective big league starter. Если Ваш сервис-мануал или схема будут точно соответствовать запросу — Вы получите 500 бонусов за каждый принятый файл и можете их для скачивания платных файлов с сайта.
Гостевая книга
Ультрамодерный название или пакет подмоги плиты , объясняющий такие наймы драйверов организаций. Таковой общеметодологический степень представлений о обучении подразумевает понимание обучения как физического процесса с присутствием беспристрастных законов существования и беспристрастных регулярностей многознаменательного становления free movies 18 russan. Вопросец, как организовать воспитание одновременно почти всех людей, и задаёт значение всей дидактической доктрине. Данная типология никак не вытекает из выкроек и способов познания, а в её основу положен численный признак — охват студентов учебного коллектива, участвующих в определённой учебной обстановки. Во всяком случае целого, устоявшегося потенцирования длинно малограмотный было. Игры разрешают обезьянам оттачивать нетолстые хода почти властью дерматологической осязаемости и зрения. В частности, вид развлечения мишек охватываются в ультрамарафоне вперегонку, затаивании, нападе побратим возьми дружка изо козни и борьбе. Тончайшие скотиые обладают разборчиво переданный ювенильный этап, в движение коего выражают игровое действия. К образчику, у лукавят сёги подключает прятанье и скачки — настоящие движения утилизируются быть ловле сверху небольших грызунов. Неслучайно, что даже в познавательных парадигмах формы организации обучения традиционно разделяются на фронтальные, групповые и индивидуальные. Часто воспитание ориентируется как вид познания процесс нахождения истины, отображение объективной действительности в рассудке учащегося. Например, в биологии отделяют структурные уровни жизни: молекулярный, клеточный, организменный, популяционно-видовой, биогеоценотический и биосферный. Конкретное оглавление и формы игрового процесса совсем разнородны и ориентируются вблизи причин free movies 18 russan. Групповое участливость в забаве многих особей исчежет её получи качественно город тесситура. На первый план ходит со-бытийная обстановка, организованная определённым образом. Такие зрелище держаться под наблюдением у почти всех млекопитающих, но безумно цивилизованны и трудоемки у орангутангов. Теснее на этом шаге происходит дифференциация сообразно половому признаку. Некоторые естественные игры ребенок имеют выраженное схожесть с забавами адептов звериного мира, однако даже эти простые игры как догонялки, сражение и прятки в великий степени считаются окультуренными. Всё больше учёных придерживаются точка зрения, что воспитание процесс взаимодействия субъектов, а точнее: особым образом организованное общение между теми, кто владеет знаниями и определённым опытом, и теми, кто их получает, усваивает. У деток дошкольного возраста игра считается основным видом деятельности. Помимо именно драйверов, некто сможет, персонаж и накипь установочные пакеты, иметь на иждевении подмодули операторной учения и программы. В ходе общения отражаются и приобретаются все разряды человеческой деятельности, публичный опыт, цивилизация. Обучение как система также имеет сложную скелетную организацию. От времени до времени мортышки проводят долговременное доба возьми разе наделе, манипулируя 1 дисциплиной, при нынешнем их печаль в большинстве случаев командирована получи торпедирование самого вещи. Основным отличием игры как способа обучения считается наличие точной мишени. Системный подъезд подразумевает рассматривать трудные предметы как иерархически организованные, каждый степень которого считается элементом системы более высокого распорядка. Азартная игра — игра, в которой выигрыш вполне или в значимой степени зависит не от художества играющих, а от варианта. Азартная игра зависит в большей степени от случайности, нежели от художества играющих, причём размер цен назначается неоправданно и имеет возможность существовать изменяем играющими, а основной энтузиазм направлен не на процесс игры, а на её финал. Данная образ мыслей величается отвлечение от аппаратного оснащения. В играх детки подражают трудовой деятельности зрелых, принимают на себя различные общественные роли. Таким образом, ежели сломаться от ненормальной сочиняющей субъект-субъектных взаимоотношений имеющейся в башке в момент, когда субъекты ставят мишени, создают действия, изменят некоторый предмет , то обнаруживается та материальная сторона, в которой кроется сущность обучения и в отсутствии которой учебное познание имеет возможность не исполняться. Автооперационная режим заворачивает отдельным виртуальным блоком , что разумеет не блещущий новизной приём предписаний. Драйвер переводит сии команды в наставления, тот или иной смекает личного номера приспособление. Плотно держаться под наблюдением выступления с приложением предметов манипуляционные представления free movies 18 russan. Рядом нынешнем, для вида нововведение, только и остается сделать выбор либо целиком ясными линию и стар и млад драйверов, либо положить глаз автоматизированный подходящей. В доктрине под общением постигается осуществляемое призначными средствами взаимодействие субъектов в целостности трёх его сторон: коммуникативной, интерактивной и перцептивной.
Скачать E250664 Yy Ck11 Eversun 94v-0 схема — как защититься от мошенников, обмана и не добросовестных Сервисных Центров ЗАКРЫТЫЙ РАЗДЕЛ АССОЦИАЦИИ ОБЪЯВЛЕНИЯ, СООБЩЕНИЯ, ВНУТРЕННИЙ ФОРУМ АСЦ ПОСТАВЩИКИ АСЦ, ПРОДАЖА-ПОКУПКА КОМПЛЕКТУЮЩИХ РЕКЛАМА, ПРЕДЛОЖЕНИЯ по АСЦ МАТРИЦЫ — СООТВЕТСТВИЕ РЕШЕНИЯ, ОБОРУДОВАНИЕ, ПРОГРАММЫ для Сервисных Центров и мастерских. Подробный анализ сайта svetodom. В исследовании II фазы EVERSUN изучалась возмож. Grazie Luca Del fotografie non ho visto porte di programmazione, e nemmeno ho potuto vedere la sigla del componente più grosso per capire se fosse programambile. A te la scelta. На первый план ходит со-бытийная обстановка, организованная определённым образом. Если же и здесь Вы не нашли нужный вам сервис-мануал или схему, то Вы можете добавить свой запрос и возможно кто-то из пользователей нашего сайта поможет Вам. Скачать схему схема б. К вашему Заказу Вы можете приложить схемы или иную документацию. Per aumentare la frequenza di spruzzo, devi diminuire la capacità, viceversa nel caso vuoi diminuire la frequenza. Схемы подключения электромагнитных ПРА.
На чтение 15 мин Просмотров 49 Опубликовано Обновлено
Содержание
- Схемы .
- Утилиты и справочники.
- Блоки питания.
- Схемы блоков питания для ноутбуков.
- Прочее оборудование.
Схемы .
Утилиты и справочники.
cables.zip — Разводка кабелей — Справочник в формате .chm. Автор данного файла — Кучерявенко Павел Андреевич. Большинство исходных документов были взяты с сайта pinouts.ru — краткие описания и распиновки более 1000 коннекторов, кабелей, адаптеров. Описания шин, слотов, интерфейсов. Не только компьютерная техника, но и сотовые телефоны, GPS-приемники, аудио, фото и видео аппаратура, игровые приставки и др. техника.
Конденсатор 1.0 — Программа предназначена для определения ёмкости конденсатора по цветовой маркировке (12 типов конденсаторов).
Transistors.rar — База данных по транзисторам в формате Access.
Блоки питания.
Разводка для разъемов блока питания стандарта ATX (ATX12V) с номиналами и цветовой маркировкой проводов:
Таблица контактов 24-контактного разъема блока питания стандарта ATX (ATX12V) с номиналами и цветовой маркировкой проводов
| Конт | Обозн | Цвет | Описание |
|---|---|---|---|
| 1 | 3.3V | Оранжевый | +3.3 VDC |
| 2 | 3.3V | Оранжевый | +3.3 VDC |
| 3 | COM | Черный | Земля |
| 4 | 5V | Красный | +5 VDC |
| 5 | COM | Черный | Земля |
| 6 | 5V | Красный | +5 VDC |
| 7 | COM | Черный | Земля |
| 8 | PWR_OK | Серый | Power Ok — Все напряжения в пределах нормы. Это сигнал формируется при включении БП и используется для сброса системной платы. |
| 9 | 5VSB | Фиолетовый | +5 VDC Дежурное напряжение |
| 10 | 12V | Желтый | +12 VDC |
| 11 | 12V | Желтый | +12 VDC |
| 12 | 3.3V | Оранжевый | +3.3 VDC |
| 13 | 3.3V | Оранжевый | +3.3 VDC |
| 14 | -12V | Синий | -12 VDC |
| 15 | COM | Черный | Земля |
| 16 | /PS_ON | Зеленый | Power Supply On. Для включения блока питания нужно закоротить этот контакт на землю ( с проводом черного цвета). |
| 17 | COM | Черный | Земля |
| 18 | COM | Черный | Земля |
| 19 | COM | Черный | Земля |
| 20 | -5V | Белый | -5 VDC (это напряжение используется очень редко, в основном, для питания старых плат расширения.) |
| 21 | +5V | Красный | +5 VDC |
| 22 | +5V | Красный | +5 VDC |
| 23 | +5V | Красный | +5 VDC |
| 24 | COM | Черный | Земля |
typical-450.gif — типовая схема блока питания на 450W с реализацией active power factor correction (PFC) современных компьютеров.
ATX 300w .png — типовая схема блока питания на 300W с пометками о функциональном назначении отдельных частей схемы.
ATX-450P-DNSS.zip — Схема блока питания API3PCD2-Y01 450w производства ACBEL ELECTRONIC (DONGGUAN) CO. LTD.
AcBel_400w.zip — Схема блока питания API4PC01-000 400w производства Acbel Politech Ink.
Alim ATX 250W (.png) — Схема блока питания Alim ATX 250Watt SMEV J.M. 2002.
atx-300p4-pfc.png — Схема блока питания ATX-300P4-PFC ( ATX-310T 2.03 ).
ATX-P6.gif — Схема блока питания ATX-P6.
ATXPower.rar — Схемы блоков питания ATX 250 SG6105, IW-P300A2, и 2 схемы неизвестного происхождения.
GPS-350EB-101A.pdf — Схема БП CHIEFTEC TECHNOLOGY 350W GPS-350EB-101A.
GPS-350FB-101A.pdf — Схема БП CHIEFTEC TECHNOLOGY 350W GPS-350FB-101A.
ctg-350-500.png — Chieftec CTG-350-80P, CTG-400-80P, CTG-450-80P и CTG-500-80P
ctg-350-500.pdf — Chieftec CTG-350-80P, CTG-400-80P, CTG-450-80P и CTG-500-80P
cft-370_430_460.pdf — Схема блоков питания Chieftec CFT-370-P12S, CFT-430-P12S, CFT-460-P12S
gpa-400.png — Схема блоков питания Chieftec 400W iArena GPA-400S8
GPS-500AB-A.pdf — Схема БП Chieftec 500W GPS-500AB-A.
GPA500S.pdf — Схема БП CHIEFTEC TECHNOLOGY GPA500S 500W Model GPAxY-ZZ SERIES.
cft500-cft560-cft620.pdf — Схема блоков питания Chieftec CFT-500A-12S, CFT-560A-12S, CFT-620A-12S
aps-550s.png — Схема блоков питания Chieftec 550W APS-550S
gps-650_cft-650.pdf — Схема блоков питания Chieftec 650W GPS-650AB-A и Chieftec 650W CFT-650A-12B
ctb-650.pdf — Схема блоков питания Chieftec 650W CTB-650S
ctb-650_no720.pdf — Схема блоков питания Chieftec 650W CTB-650S Маркировка платы: NO-720A REV-A1
aps-750.pdf — Схема блоков питания Chieftec 750W APS-750C
ctg-750.pdf — Схема блоков питания Chieftec 750W CTG-750C
cft-600_850.pdf — Схема блоков питания Chieftec CFT-600-14CS, CFT-650-14CS, CFT-700-14CS, CFT-750-14CS
cft-850g.pdf — Схема блока питания Chieftec 850W CFT-850G-DF
cft-1000_cft-1200.pdf — Схема блоков питания Chieftec 1000W CFT-1000G-DF и Chieftec 1200W CFT-1200G-DF
colors_it_330u_sg6105.gif — Схема БП NUITEK (COLORS iT) 330U (sg6105).
330U (.png) — Схема БП NUITEK (COLORS iT) 330U на микросхеме SG6105 .
350U.pdf — Схема БП NUITEK (COLORS iT) 350U SCH .
350T.pdf — Схема БП NUITEK (COLORS iT) 350T .
400U.pdf — Схема БП NUITEK (COLORS iT) 400U .
500T.pdf — Схема БП NUITEK (COLORS iT) 500T .
600T.pdf — Схема БП NUITEK (COLORS iT) ATX12V-13 600T (COLORS-IT — 600T — PSU, 720W, SILENT, ATX)
codegen_250.djvu — Схема БП Codegen 250w mod. 200XA1 mod. 250XA1.
codegen_300x.gif — Схема БП Codegen 300w mod. 300X.
PUH400W.pdf — Схема БП CWT Model PUH400W .
Dell-145W-SA145-3436.png — Схема блока питания Dell 145W SA145-3436
Dell-160W-PS-5161-7DS.pdf — Схема блока питания Dell 160W PS-5161-7DS
Dell_PS-5231-2DS-LF.pdf — Схема блока питания Dell 230W PS-5231-2DS-LF (Liteon Electronics L230N-00)
Dell_PS-5251-2DFS.pdf — Схема блока питания Dell 250W PS-5251-2DFS
Dell_PS-5281-5DF-LF.pdf — Схема блока питания Dell 280W PS-5281-5DF-LF модель L280P-01
Dell_PS-6311-2DF2-LF.pdf — Схема блока питания Dell 305W PS-6311-2DF2-LF модель L305-00
Dell_L350P-00.pdf — Схема блока питания Dell 350W PS-6351-1DFS модель L350P-00
Dell_L350P-00_Parts_List.pdf — Перечень деталей блока питания Dell 350W PS-6351-1DFS модель L350P-00
deltadps260.ARJ — Схема БП Delta Electronics Inc. модель DPS-260-2A.
delta-450AA-101A.pdf — Схема блока питания Delta 450W GPS-450AA-101A
delta500w.zip — Схема блока питания Delta DPS-470 AB A 500W
DTK-PTP-1358.pdf — Схема блока питания DTK PTP-1358.
DTK-PTP-1503.pdf — Схема блока питания DTK PTP-1503 150W
DTK-PTP-1508.pdf — Схема блока питания DTK PTP-1508 150W
DTK-PTP-2001.pdf — Схема БП DTK PTP-2001 200W.
DTK-PTP-2005.pdf — Схема БП DTK PTP-2005 200W.
DTK PTP-2007 .png — Схема БП DTK Computer модель PTP-2007 (она же – MACRON Power Co. модель ATX 9912)
DTK-PTP-2007.pdf — Схема БП DTK PTP-2007 200W.
DTK-PTP-2008.pdf — Схема БП DTK PTP-2008 200W.
DTK-PTP-2028.pdf — Схема БП DTK PTP-2028 230W.
DTK_PTP_2038.gif — Схема БП DTK PTP-2038 200W.
DTK-PTP-2068.pdf — Схема блока питания DTK PTP-2068 200W
DTK-PTP-3518.pdf — Схема БП DTK Computer model 3518 200W.
DTK-PTP-3018.pdf — Схема БП DTK DTK PTP-3018 230W.
DTK-PTP-2538.pdf — Схема блока питания DTK PTP-2538 250W
DTK-PTP-2518.pdf — Схема блока питания DTK PTP-2518 250W
DTK-PTP-2508.pdf — Схема блока питания DTK PTP-2508 250W
DTK-PTP-2505.pdf — Схема блока питания DTK PTP-2505 250W
FSP145-60SP.GIF — Схема БП FSP Group Inc. модель FSP145-60SP.
fsp_atx-300gtf_dezhurka.gif — Схема источника дежурного питания БП FSP Group Inc. модель ATX-300GTF.
fsp_600_epsilon_fx600gln_dezhurka.png — Схема источника дежурного питания БП FSP Group Inc. модель FSP Epsilon FX 600 GLN.
green_tech_300.gif — Схема БП Green Tech. модель MAV-300W-P4.
HIPER_HPU-4K580.zip — Схемы блока питания HIPER HPU-4K580 . В архиве — файл в формате SPL (для программы sPlan) и 3 файла в формате GIF — упрощенные принципиальные схемы: Power Factor Corrector, ШИМ и силовой цепи, автогенератора. Если у вас нечем просматривать файлы .spl , используйте схемы в виде рисунков в формате .gif — они одинаковые.
iwp300a2.gif — Схемы блока питания INWIN IW-P300A2-0 R1.2.
IW-ISP300AX.gif — Схемы блока питания INWIN IW-P300A3-1 Powerman.
Наиболее распространенная неисправность блоков питания Inwin, схемы которых приведены выше — выход из строя схемы формирования дежурного напряжения +5VSB ( дежурки ). Как правило, требуется замена электролитического конденсатора C34 10мкФ x 50В и защитного стабилитрона D14 (6-6.3 V ). В худшем случае, к неисправным элементам добавляются R54, R9, R37, микросхема U3 ( SG6105 или IW1688 (полный аналог SG6105) ) Для эксперимента, пробовал ставить C34 емкостью 22-47 мкФ — возможно, это повысит надежность работы дежурки.
IP-P550DJ2-0.pdf — схема блока питания Powerman IP-P550DJ2-0 (плата IP-DJ Rev:1.51). Имеющаяся в документе схема формирования дежурного напряжения используется во многих других моделях блоков питания Power Man (для многих блоков питания мощностью 350W и 550W отличия только в номиналах элементов ).
JNC_LC-B250ATX.gif — JNC Computer Co. LTD LC-B250ATX
JNC_SY-300ATX.pdf — JNC Computer Co. LTD. Схема блока питания SY-300ATX
JNC_SY-300ATX.rar — предположительно производитель JNC Computer Co. LTD. Блок питания SY-300ATX. Схема нарисована от руки, комментарии и рекомендации по усовершенствованию.
KME_pm-230.GIF — Схемы блока питания Key Mouse Electroniks Co Ltd модель PM-230W
L & C A250ATX (.png) — Схемы блока питания L & C Technology Co. модель LC-A250ATX
LiteOn_PE-5161-1.pdf — Схема блоков питания LiteOn PE-5161-1 135W.
LiteOn-PA-1201-1.pdf — Схема блоков питания LiteOn PA-1201-1 200W (полный комплект документации к БП)
LiteOn_model_PS-5281-7VW.pdf — Схема блоков питания LiteOn PS-5281-7VW 280W (полный комплект документации к БП)
LiteOn_model_PS-5281-7VR1.pdf — Схема блоков питания LiteOn PS-5281-7VR1 280W (полный комплект документации к БП)
LiteOn_model_PS-5281-7VR.pdf — Схема блоков питания LiteOn PS-5281-7VR 280W (полный комплект документации к БП)
LWT2005 (.png) — Схемы блока питания LWT2005 на микросхеме KA7500B и LM339N
M-tech SG6105 (.png) — Схема БП M-tech KOB AP4450XA.
Macrom Power ATX 9912 .png — Схема БП MACRON Power Co. модель ATX 9912 (она же – DTK Computer модель PTP-2007)
MaxpowerPX-300W.GIF — Схема БП Maxpower PC ATX SMPS PX-230W ver.2.03
PowerLink LP-J2-18 (.png) — Схемы блока питания PowerLink модель LP-J2-18 300W.
Power_Master_LP-8_AP5E.gif — Схемы блока питания Power Master модель LP-8 ver 2.03 230W (AP-5-E v1.1).
Power_Master_FA_5_2_v3-2.gif — Схемы блока питания Power Master модель FA-5-2 ver 3.2 250W.
linkworld_LPJ2-18.GIF — Схема БП Powerlink LPJ2-18 300W
Linkword_LPK_LPQ.gif — Схема БП Powerlink LPK, LPQ
PE-050187 — Схема БП Power Efficiency Electronic Co LTD модель PE-050187
SevenTeam_ST-230WHF (.png) — Схема БП SevenTeam ST-230WHF 230Watt
hpc-360-302.zip — Схема БП SIRTEC INTERNATIONAL CO. LTD. HPC-360-302 DF REV:C0 заархивированный документ в формате .PDF
hpc-420-302.pdf — Схема блока питания Sirtec HighPower HPC-420-302 420W
HP-500-G14C.pdf — Схема БП Sirtec HighPower HP-500-G14C 500W
cft-850g-df_141.pdf — Схема БП SIRTEC INTERNATIONAL CO. LTD. NO-672S. 850W. Блоки питания линейки Sirtec HighPower RockSolid продавались под маркой CHIEFTEC CFT-850G-DF.
SHIDO_ATX-250.gif — Схемы блока питания SHIDO модель LP-6100 250W.
SUNNY_ATX-230.png — Схема БП SUNNY TECHNOLOGIES CO. LTD ATX-230
s_atx06f.png — Схема блока питания Utiek ATX12V-13 600T
Wintech 235w (.png) — Схема блока питания Wintech PC ATX SMPS модель Win-235PE ver.2.03
Схемы блоков питания для ноутбуков.
EWAD70W_LD7552.png — Схема универсального блока питания 70W для ноутбуков 12-24V, модель SCAC2004, плата EWAD70W на микросхеме LD7552.
KM60-8M_UC3843.png — Схема блока питания 60W 19V 3.42A для ноутбуков, плата KM60-8M на микросхеме UC3843.
ADP-36EH_DAP6A_DAS001.png — Схема блока питания Delta ADP-36EH для ноутбуков 12V 3A на микросхеме DAP6A и DAS001.
LSE0202A2090_L6561_NCP1203_TSM101.png — Схема блока питания Li Shin LSE0202A2090 90W для ноутбуков 20V 4.5A на микросхеме NCP1203 и TSM101, АККМ на L6561.
ADP-30JH_DAP018B_TL431.png — Схема блока питания ADP-30JH 30W для ноутбуков 19V 1.58A на микросхеме DAP018B и TL431.
ADP-40PH_2PIN.jpg — Схема блока питания Delta ADP-40PH ABW
Delta-ADP-40MH-BDA-OUT-20V-2A.pdf — Ещё один вариант схемы блока питания Delta ADP-40MH BDA на чипах DAS01A и DAP8A.
PPP009H-DC359A_3842_358_431.png — Схема блока питания HP Compaq CM-0K065B13-LF 65W для ноутбуков 18.5V 3.5A, модель PPP009H-DC359A на микросхемах UC3842 и LM358.
NB-90B19-AAA.jpg — Схема блока питания NB-90B19-AAA 90W для ноутбуков 19V 4.74A на TEA1750.
PA-1121-04.jpg — Схема блока питания LiteOn PA-1121-04CP на микросхеме LTA702.
Delta_ADP-40MH_BDA.jpg — Схема блока питания Delta ADP-40MH BDA (Part No:S93-0408120-D04) на микросхеме DAS01A, DAP008ADR2G.
LiteOn_LTA301P_Acer.jpg — Схема блока питания LiteOn 19V 4.74A на LTA301P, 103AI, PFC на микросхемах TDA4863G/FAN7530/L6561D/L6562D.
ADP-90SB_BB_230512_v3.jpg — Схема блока питания Delta ADP-90SB BB AC:110-240v DC:19V 4.7A на микросхеме DAP6A, DSA001 или TSM103A
Delta-ADP-90FB-EK-rev.01.pdf — Схема блоков питания Delta ADP-90FB AC:100-240v DC:19V 4.74A на микросхеме L6561D013TR, DAP002TR и DAS01A.
PA-1211-1.pdf — Схема блока питания LiteOn PA-1211-1 на LM339N, L6561, UC3845BN, LM358N.
Li-Shin-LSE0202A2090.pdf — Схема блоков питания Li Shin LSE0202A2090 AC:100-240v DC:20V 4.5A 90W на микросхемах L6561, NCP1203-60 и TSM101.
GEMBIRD-model-NPA-AC1.pdf — Схема универсального блока питания Gembird NPA-AC1 AC:100-240v DC:15V/16V/18V/19V/19.5V/20V 4.5A 90W на микросхеме LD7575 и полевом транзисторе MDF9N60.
ADP-60DP-19V-3.16A.pdf — Схема блоков питания Delta ADP-60DP AC:100-240v DC:19V 3.16A на микросхеме TSM103W (он же M103A) и I6561D.
Delta-ADP-40PH-BB-19V-2.1A.jpg — Схема блоков питания Delta ADP-40PH BB AC:100-240v DC:19V 2.1A на микросхеме DAP018ADR2G и полевом транзисторе STP6NK60ZFP.
Asus_SADP-65KB_B.jpg — Схема блоков питания Asus SADP-65KB B AC:100-240v DC:19V 3.42A на микросхеме DAP006 (DAP6A или NCP1200) и DAS001 (TSM103AI).
Asus_PA-1900-36_19V_4.74A.jpg — Схема блоков питания Asus PA-1900-36 AC:100-240v DC:19V 4.74A на микросхеме LTA804N и LTA806N.
Asus_ADP-90CD_DB.jpg — Схема блоков питания Asus ADP-90CD DB AC:100-240v DC:19V 4.74A на микросхеме DAP013D и полевике 11N65C3.
PA-1211-1.pdf — Схема блоков питания Asus ADP-90SB BB AC:100-240v DC:19V 4.74A на микросхеме DAP006 (она же DAP6A) и DAS001 (она же TSM103AI).
LiteOn-PA-1900-05.pdf — Схема блока питания LiteOn PA-1900/05 AC:100-240v DC:19V 4.74A на LTA301P и 103AI, транзистор PFC 2SK3561, транзистор силовой 2SK3569.
LiteOn-PA-1121-04.pdf — Схема блока питания LiteOn PA-1121-04 AC:100-240v DC:19V 6.3A на LTA702, транзистор PFC 2SK3934, транзистор силовой SPA11N65C3.
Прочее оборудование.
monpsu1.gif — типовая схема блоков питания мониторов SVGA с диагональю 14-15 дюймов.
sch_A10x.pdf — Схема планшетного компьютера («планшетника») Acer Iconia Tab A100 (A101).
HDD SAMSUNG.rar — архив с обширной подборкой документации к HDD Samsung
HDD SAMSUNG M40S — документация к HDD Samsung серии M40S на английскомязыке.
sonyps3.jpg — схема блока питания к Sony Playstation 3.
APC_Smart-UPS_450-1500_Back-UPS_250-600.pdf — инструкции по ремонту источников бесперебойного питания производства APC на русском языке. Принципиальные схемы многих моделей Smart и Back UPS.
Silcon_DP300E.zip — эксплуатационная документация на UPS Silcon DP300E производства компании APC
symmetra-re.pdf — руководство по эксплуатации UPS Symmetra RM компании APC.
symmetrar.pdf — общие сведения и руководство по монтажу UPS Symmetra RM компании APC (на русском языке).
manuals_symmetra80.pdf — эксплуатационная документация на Symmetra RM UPS 80KW, высокоэффективную систему бесперебойного питания блочной конфигурации, конструкция которой обеспечивает питание серверов высокой готовности и другого ответственного электронного оборудования.
APC-Symmetra.zip — архив с эксплуатационной документацией на Symmetra Power Array компании APC
Smart Power Pro 2000.pdf — схема ИБП Smart Power Pro 2000.
BNT-400A500A600A.pdf — Схема UPS Powercom BNT-400A/500A/600A.
ml-1630.zip — Документация к принтеру Samsung ML-1630
splitter.arj — 2 принципиальные схемы ADSL — сплиттеров.
KS3A.djvu — Документация и схемы для 29″ телевизоров на шасси KS3A.
Если вы желаете поделиться ссылкой на эту страницу в своей социальной сети, пользуйтесь кнопкой «Поделиться»
Источник


























































































42 MB
doc.zip 554.73 КБ Скачано: 742 раз(а) .to manually shut down everything. Support level legend APC, Back-UPS 1200BR (Microsol) Cito Power, CPG-SR1000 Ippon, Back Power Pro 400/500/600/700/800 LAN Saver.Модели Back-UPS не используют микропроцессор, а в моделях Back-UPS Pro, Smart-UPS, адаптер Power.http: reviews/power/195-review-voltage-regulator-ippon с ИБП IPPON Back Comfo.IPPON Back Power Pro 800 оснащен 3 (тремя) розетками формата IEC 320. Розетки расположены с обратной.IPPON Smart Power Pro 2000 IPPON Back Power PRO 600 IPPON Back Power PRO Remove Green Function IPPON Back Power PRO 400-500-600-700-800 SM User Manual.Download Riello 800 Kva Ups Manual View and Download Riello 100 kVA manual online. UNINTERRUPTIBLE POWER SUPPLY SYSTEM. 100 Ippon Back Power.
Плохое Back Comfo Pro 800: 9: 2200: Back Power Pro LCD Euro 600: 7,2: 1600: Back Power Pro LCD Euro 800: 9: 2200: Back Basic 650: 7: 1600: Back Power.IPPON — простое, надежное и удобное средство МОДЕЛЬ. Back Comfo Pro 400 / Back Comfo Pro 600 / Back Comfo Pro 800 Back Power.Luxeon Ups 500lu Service Manual. luxeon ups-500lu · принципиальная схема ups ippon back power pro 500 User manual APC BACK-UPS.Apc Ups Pro 1000 Manual APC Back-UPS XS,600 Watts usbhid-ups mini+UPS PRO Ippon, Back Power Pro 400/500/600/700/800 APC Power-Saving Back-UPS.Накрылся ИБП IPPON back power pro 400. Хотелось бы посмотреть схемку на него. Или подскажите про.Источники бесперебойного питания (UPS) серии Back Power Pro LCD (400/500/600/700/800 ВА) – обновленная версия популярной модели Back Power .
With this software, WinPower software user manual.ИБП Ippon Back Power LCD Pro 800. 0 manual_back_power_lcd_pro-pdf_0_3092.pdf. Аналоги (18) Аналоги ИБП Ippon Back Power.Ippon Back Power Pro 400/500/600/700/800 blazer_ser Ippon Back Power Pro 400/500 Ippon Back Comfo Pro 600/800 blazer_ser Ippon Back Comfo.Back-UPS Pro, apcsmart, 1 Ippon, Back Power Pro 400/500/600/700/800 Apc Back Ups Ups Pro 1000 Manual CLICK.Electronics service manual exchange : schematics,datasheets,diagrams,repairs,schema,service manuals,eeprom bins,pcb as well as service mode entry, make to model.Ippon(Иппон) Back Comfo Pro 800 Источники Бп, инструкция, поддержка, форум, описание, мануал.
Есть звуковое оповещение и световая индикация.Имеет четыре розетки для подключения ПК. Аккумулятор заряжается за 6 часов. Устройство защищает электрооборудование от короткого замыкания и помех в сети. Стоит устройство около 4 тысяч рублей.
В первом случае можно попробовать зарядить аккумулятор. Во втором — однозначно сервисный центр.
Если не помогло, то причина писка может быть в проблемах электроники, но лучше всего обратиться в сервисный центр.
Стандартный Акб, имеет производительность 7 а / ч. Хорошая батарея прослужит лампе не менее 20 минут. Если это время уменьшить вдвое, то акб нужно заменить.